INFO: Dieses Forum nutzt Cookies...
Cookies sind für den Betrieb des Forums unverzichtbar. Mit der Nutzung des Forums erklärst Du dich damit einverstanden, dass wir Cookies verwenden.

Es wird in jedem Fall ein Cookie gesetzt um diesen Hinweis nicht mehr zu erhalten. Desweiteren setzen wir Google Adsense und Google Analytics ein.


Antwort schreiben 

Suchfunktion für Multicolumn Listbox, eine Herausforderung?!



Wenn dein Problem oder deine Frage geklärt worden ist, markiere den Beitrag als "Lösung",
indem du auf den "Lösung" Button rechts unter dem entsprechenden Beitrag klickst. Vielen Dank!

07.07.2006, 14:20 (Dieser Beitrag wurde zuletzt bearbeitet: 08.12.2007 13:13 von jg.)
Beitrag #1

exxpkeb Offline
LVF-Grünschnabel
*


Beiträge: 25
Registriert seit: Mar 2006

8.2
2006
kA


Deutschland
Suchfunktion für Multicolumn Listbox, eine Herausforderung?!
Hallo alle zusammen,

ich bräuchte mal Hilfe vom Kollektivbewusstsein Smile

folgende Logik:
Eine externe Textdatei wird von LabVIEW eingelesen. Dort befindet sich ein String pro Zeilenumbruch.
Diese Strings werden von einander gesplittet und damit ein Array gefüttert, welcher wiederrum eine Multicolumn Listbox füllt.
Die Multicolumn Listbox hat mehrere Zeilen und nur eine Spalte. So weit so gut...

folgendes Problem:
Für die Multicolumn Listbox soll eine Suchfunktion das Finden von einem der über 1000 Strings erleichtern.
Die einzelnen Strings sind relativ komplex und setzten sich aus mehrern Prefixen zusammen: z.B. "ABC_D_EFGH_XY"
In meinem VI ist ein Ansatz welcher jedoch ungenügend ist, da die Suchfunktion nur den "kompletten String" findet. Man muss auch den "kompletten String" eingeben damit überhaupt etwas gefunden wird.
Ziel wäre einen Teil-String einzugeben welcher die gefundenen Strings (welche also den Teil-String beinhalten) herausfiltert und in der Multicolumn Listbox darstellt, highleitet...wie auch immer.

Ich arbeite seit ca 6 Monaten mit LabVIEWs aber ich denke diese Aufgabe ist auch eine Herausforderung für Fortgeschrittenere User.

Gruß
keb

(VI LV 7.1)


Angehängte Datei(en)
Sonstige .vi  Search_VI.vi (Größe: 90,4 KB / Downloads: 381)
Alle Beiträge dieses Benutzers finden
Diese Nachricht in einer Antwort zitieren to top
Anzeige
07.07.2006, 14:40 (Dieser Beitrag wurde zuletzt bearbeitet: 08.12.2007 13:14 von jg.)
Beitrag #2

Achim Offline
*****
*****


Beiträge: 4.226
Registriert seit: Nov 2005

20xx
2000
EN

978xx
Deutschland
Suchfunktion für Multicolumn Listbox, eine Herausforderung?!
Hi,

ich kann dein VI leider nicht runterladen...

Hier ne Variante. Die Indizes der Ergebnisse müsstest du dann auf die Listbox anwenden und dort dann die Zeilen färben...

Gruss
Achim


Sonstige .vi  match_pattern.vi (Größe: 12,79 KB / Downloads: 410)
(LV 8.0)

   

"Is there some mightier sage, of whom we have yet to learn?"

"Opportunity is missed by most people because it is dressed in overalls and looks like work." (Thomas Edison)
Alle Beiträge dieses Benutzers finden
Diese Nachricht in einer Antwort zitieren to top
11.07.2006, 06:43 (Dieser Beitrag wurde zuletzt bearbeitet: 08.12.2007 13:14 von jg.)
Beitrag #3

Achim Offline
*****
*****


Beiträge: 4.226
Registriert seit: Nov 2005

20xx
2000
EN

978xx
Deutschland
Suchfunktion für Multicolumn Listbox, eine Herausforderung?!
Hi,

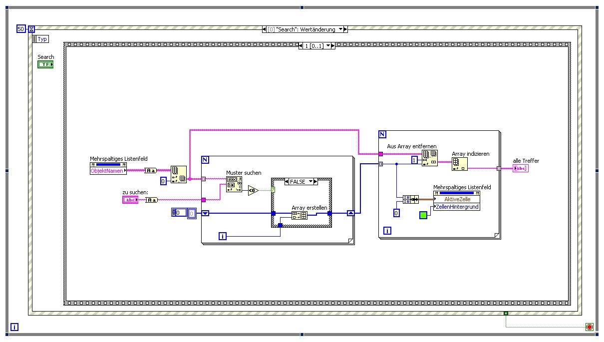
ich hab das VI nochmal angepasst und ne Listbox reingepackt, bei der die Treffer eingefärbt werden! Es ist egal, ob man nach Groß- oder Kleinbuchstaben sucht, und es gibt auch eine Clear-Funktion zum löschen der Ergebnisse.

Vielleicht isses ja nützlich...

Gruss
Achim



Sonstige .vi  match_pattern___colour.vi (Größe: 39,73 KB / Downloads: 402)
(LV 8.0)


Hier noch ein Ausschnitt aus dem Blockdiagramm:

   

"Is there some mightier sage, of whom we have yet to learn?"

"Opportunity is missed by most people because it is dressed in overalls and looks like work." (Thomas Edison)
Alle Beiträge dieses Benutzers finden
Diese Nachricht in einer Antwort zitieren to top
11.07.2006, 10:54
Beitrag #4

exxpkeb Offline
LVF-Grünschnabel
*


Beiträge: 25
Registriert seit: Mar 2006

8.2
2006
kA


Deutschland
Suchfunktion für Multicolumn Listbox, eine Herausforderung?!
Hallo Achim,

vielen dank, das hört sich sehr gut an, nur benutzte ich LV7.1 und kann dein VI leider nicht öffnen.
Ich werde versuchen anhand deines Screenshots weiter zu kommen.
Falls du das VI nochmal für LV7.1 bereitstellen könntest wäre das großes TennisSmile

Danke&Gruß
keb
Alle Beiträge dieses Benutzers finden
Diese Nachricht in einer Antwort zitieren to top
11.07.2006, 11:17 (Dieser Beitrag wurde zuletzt bearbeitet: 11.07.2006 11:18 von Achim.)
Beitrag #5

Achim Offline
*****
*****


Beiträge: 4.226
Registriert seit: Nov 2005

20xx
2000
EN

978xx
Deutschland
Suchfunktion für Multicolumn Listbox, eine Herausforderung?!
Hi,

ich habs mal nach unten auf LV7.1 konvertiert, hab das aber nicht installiert und kann deswegen nicht prüfen, obs funzt...schau halt mal!

Gruss
Achim


Sonstige .vi  match_pattern___colour_lv71.vi (Größe: 86,86 KB / Downloads: 364)


PS: Einfach mal RUN drücken...

"Is there some mightier sage, of whom we have yet to learn?"

"Opportunity is missed by most people because it is dressed in overalls and looks like work." (Thomas Edison)
Alle Beiträge dieses Benutzers finden
Diese Nachricht in einer Antwort zitieren to top
11.07.2006, 11:34
Beitrag #6

exxpkeb Offline
LVF-Grünschnabel
*


Beiträge: 25
Registriert seit: Mar 2006

8.2
2006
kA


Deutschland
Suchfunktion für Multicolumn Listbox, eine Herausforderung?!
Hi Achim,

und wie es funzt! Blink Ich werds mir gleich mal genauer anschauen und in meinem VI adaptieren.

Bedanke mich herzlichst,
und melde mich nochmal bei dir, für evtl. Rückfragen. Unsure

Gruß
Keb Big Grin
Alle Beiträge dieses Benutzers finden
Diese Nachricht in einer Antwort zitieren to top
Anzeige
02.10.2007, 08:08
Beitrag #7

Eddie123 Offline
LVF-Gelegenheitsschreiber
**


Beiträge: 81
Registriert seit: Nov 2006

8.2.1
2007
kA

10115
Deutschland
Suchfunktion für Multicolumn Listbox, eine Herausforderung?!
' schrieb:Hi,

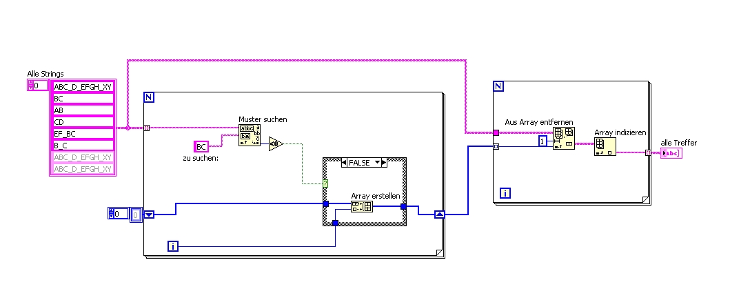
ich hab das VI nochmal angepasst und ne Listbox reingepackt, bei der die Treffer eingefärbt werden! Es ist egal, ob man nach Groß- oder Kleinbuchstaben sucht, und es gibt auch eine Clear-Funktion zum löschen der Ergebnisse.

Vielleicht isses ja nützlich...

Gruss
Achim


[attachment=28487:attachment]


Hier noch ein Ausschnitt aus dem Blockdiagramm:

[attachment=28488:attachment]



Habe mal 2 Fragen...
kann man diese Listbox folgendermassen umbauen .. [list]
[*]das wenn man z.b. auf die ItemNames klickt er alles von A-Z oder umgekehrt sortiert<>
[*]Das man vielleicht eine Spalte auswählen kann und nur in dieser nach bestimmten Werten (größer/kleiner als 5 oder so suchen kann<>
[st]Isst sowas denn machbar, oder eher sehr schwierig machbar ??
Die ItemNames habe ich von einer Datei ausgelesen, die könnte man ja auch in ein PullUp Menü einlesen, und dann mit dem gewünschten Werten durchsuchen lassen kann

Für Ideen und Hilfen würd ich dankbar sein :-=)
Alle Beiträge dieses Benutzers finden
Diese Nachricht in einer Antwort zitieren to top
02.10.2007, 11:19 (Dieser Beitrag wurde zuletzt bearbeitet: 02.10.2007 11:20 von rolfk.)
Beitrag #8

rolfk Offline
LVF-Guru
*****


Beiträge: 2.318
Registriert seit: Jun 2007

alle seit 6.0
1992
EN

2901GG
Niederlande
Suchfunktion für Multicolumn Listbox, eine Herausforderung?!
' schrieb:Habe mal 2 Fragen...
kann man diese Listbox folgendermassen umbauen .. [list]
[*]das wenn man z.b. auf die ItemNames klickt er alles von A-Z oder umgekehrt sortiert<>
[*]Das man vielleicht eine Spalte auswählen kann und nur in dieser nach bestimmten Werten (größer/kleiner als 5 oder so suchen kann<>
[st]Isst sowas denn machbar, oder eher sehr schwierig machbar ??
Die ItemNames habe ich von einer Datei ausgelesen, die könnte man ja auch in ein PullUp Menü einlesen, und dann mit dem gewünschten Werten durchsuchen lassen kann

Für Ideen und Hilfen würd ich dankbar sein :-=)

Die Listbox hat glaub ich auch in LabVIEW 7.1 ein Event DoubleClicked und da glaube ich auch einen Row-Index der auf -1 ist wenn der Header angeklickt wurde. Wäre schon mal ein guter Start. Alfabetisches Sortieren ist danach ganz einfach mit Sort 1D Array.

Rolf Kalbermatter

Rolf Kalbermatter
Technische Universität Delft, Dienst Elektronik und Mechanik
https://blog.kalbermatter.nl
Webseite des Benutzers besuchen Alle Beiträge dieses Benutzers finden
Diese Nachricht in einer Antwort zitieren to top
08.10.2007, 10:11
Beitrag #9

Eddie123 Offline
LVF-Gelegenheitsschreiber
**


Beiträge: 81
Registriert seit: Nov 2006

8.2.1
2007
kA

10115
Deutschland
Suchfunktion für Multicolumn Listbox, eine Herausforderung?!
' schrieb:Die Listbox hat glaub ich auch in LabVIEW 7.1 ein Event DoubleClicked und da glaube ich auch einen Row-Index der auf -1 ist wenn der Header angeklickt wurde. Wäre schon mal ein guter Start. Alfabetisches Sortieren ist danach ganz einfach mit Sort 1D Array.

Rolf Kalbermatter

tüfftel jetzt schon ein paar tage daran rum, aber es will und will einfach nicht klappen .. habe ja die multicolumnlistboxsort.llb datei mir angeschaut .. und wollte sie in diese multicolumnlist mit integrieren, aber er hängt sich immer bei der schleife auf ... und würde ja am liebsten nen neues Event machen, und Ihn dann sagen, falls Get Clicked Column Header Method gedrückt ist, dann lese die daten ein und sortiere .. aber es will nicht ... vielleicht hat ja jemand mal lust und laune, das zu integrieren :-) .. ich bleibe leider immer bei der schleifenzusammenfuhr in der sortierschleife drin hängen .. und komme dann nicht mehr in das suchevent
Alle Beiträge dieses Benutzers finden
Diese Nachricht in einer Antwort zitieren to top
18.10.2007, 07:41
Beitrag #10

Eddie123 Offline
LVF-Gelegenheitsschreiber
**


Beiträge: 81
Registriert seit: Nov 2006

8.2.1
2007
kA

10115
Deutschland
Suchfunktion für Multicolumn Listbox, eine Herausforderung?!
Kann man die Suchfunktion so umbauen, das er nicht NUR die Sachen makiert, sondern auch die nicht gefundenen Sachen löscht ???

Also man hat eine Master-Listbox, in der man Werte einliest, und die Hilfs-Listbox da soll dann die ganze Suchfunktion und das andere ablaufen, also auch das nur die Ergebnisse angezeigt werden u.s.w.

wäre sowas machbar ??
Alle Beiträge dieses Benutzers finden
Diese Nachricht in einer Antwort zitieren to top
Antwort schreiben 


Möglicherweise verwandte Themen...
Themen Verfasser Antworten Views Letzter Beitrag
  Listbox-Problem THL 4 6.604 03.07.2017 10:18
Letzter Beitrag: GerdW
  MultiColumn Listbox Pfeiltasten Navigation GT123 1 3.965 09.02.2017 22:12
Letzter Beitrag: Trinitatis
  Listbox Selektierter Bereich ausgeben Nobby 5 6.546 22.12.2016 15:09
Letzter Beitrag: Tomtom89
  Hintergrundfarbe Listbox ändern andrepf 1 5.154 23.03.2016 16:20
Letzter Beitrag: jg
  Einfärben einer Zeile bei MultiColum Listbox Arachnoid 2 5.148 07.12.2015 19:40
Letzter Beitrag: Arachnoid
  Listbox leeren tatnau 14 13.303 08.09.2015 14:31
Letzter Beitrag: GerdW

Gehe zu: