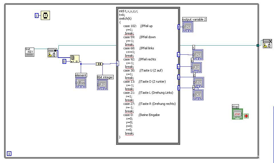
Switch im Formula Node |
Wenn dein Problem oder deine Frage geklärt worden ist, markiere den Beitrag als "Lösung",
indem du auf den "Lösung" Button rechts unter dem entsprechenden Beitrag klickst. Vielen Dank!
| 30
|
|
|
| Möglicherweise verwandte Themen... | |||||
| Themen | Verfasser | Antworten | Views | Letzter Beitrag | |
| Bilder von 4 Webcams über einen Switch auf einen Laptop "streamen" | donkey22 | 8 | 10.771 |
21.05.2012 11:29 Letzter Beitrag: donkey22 |
|
| NI SWITCH mit NI PXI 2503 und dem Anschlussblock TB 2606 | Honeygirl24 | 1 | 4.196 |
22.12.2010 18:15 Letzter Beitrag: GerdW |
|
| Formula Node | MarkusZ | 2 | 5.469 |
22.03.2010 19:07 Letzter Beitrag: MarkusZ |
|
| Potenz Zeichen in Formula Express VI | GT123 | 2 | 9.012 |
09.02.2010 16:42 Letzter Beitrag: GerdW |
|
| Formula Node - Funktionen erstellen ? | amin | 7 | 10.704 |
28.07.2009 09:48 Letzter Beitrag: rolfk |
|
| Switch Case in Case Struktur | NicknameXXX | 10 | 20.696 |
02.06.2009 18:46 Letzter Beitrag: Dennis.Moser |
|







