INFO: Dieses Forum nutzt Cookies...
Cookies sind für den Betrieb des Forums unverzichtbar. Mit der Nutzung des Forums erklärst Du dich damit einverstanden, dass wir Cookies verwenden.

Es wird in jedem Fall ein Cookie gesetzt um diesen Hinweis nicht mehr zu erhalten. Desweiteren setzen wir Google Adsense und Google Analytics ein.


Antwort schreiben 

Dieses Thema hat akzeptierte Lösungen:

TimeOut error 6101



Wenn dein Problem oder deine Frage geklärt worden ist, markiere den Beitrag als "Lösung",
indem du auf den "Lösung" Button rechts unter dem entsprechenden Beitrag klickst. Vielen Dank!

16.12.2015, 17:10
Beitrag #1

patriote00 Offline
LVF-Grünschnabel
*


Beiträge: 17
Registriert seit: Sep 2015

2015
2015
kA



TimeOut error 6101
Hallo Liebe LV-er,

Ich habe seit einige Tage ein Problem mit dem "Timeout Error": 6101 mit VISA SERIAL (Auf dem Bild mit Grünem Pfeil). Nach Auftreten des Fehlers geht alles aus. Wie kann ich dies am besten behoben?

Anhang gibt

Danke.


Angehängte Datei(en) Thumbnail(s)
   
Alle Beiträge dieses Benutzers finden
Diese Nachricht in einer Antwort zitieren to top
Anzeige
16.12.2015, 17:52
Beitrag #2

jg Offline
CLA & CLED
LVF-Team

Beiträge: 15.864
Registriert seit: Jun 2005

20xx / 8.x
1999
EN

Franken...
Deutschland
RE: TimeOut error 6101
Ich vermute eher, dass der Fehler aus dem wahrscheinlich aus der NI-Modbus-Lib abgewandelten READ-VI kommt: http://digital.ni.com/public.nsf/allkb/6...D700349D99
Außer das VISA Config. Serial Port (zumindest ist es dieses VI laut Icon) wurde ebenfalls abgewandelt, aber im Normalfall setzt diese VI nur Parameter für die serielle Schnittstelle.

Gruß, Jens

Wer die erhabene Weisheit der Mathematik tadelt, nährt sich von Verwirrung. (Leonardo da Vinci)

!! BITTE !! stellt mir keine Fragen über PM, dafür ist das Forum da - andere haben vielleicht auch Interesse an der Antwort!

Einführende Links zu LabVIEW, s. GerdWs Signatur.
Alle Beiträge dieses Benutzers finden
Diese Nachricht in einer Antwort zitieren to top
17.12.2015, 10:51
Beitrag #3

Freddy Offline
Oldtimer
****


Beiträge: 729
Registriert seit: Aug 2008

2019, 2020, 2021
1996
DE

76275
Deutschland
RE: TimeOut error 6101
Hallo patriote00,
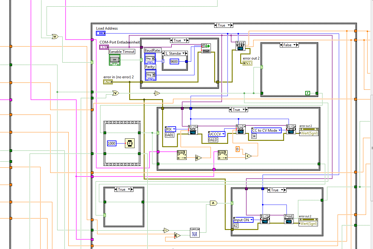
die COM Port Entladeeinheit Leitung geht gleichzeitig auf Config. Serial Port und im Bild unten Write CMD.
Würde ich nicht machen. Ist eine Serielle Schnittstelle die kann nur ein Befehl nach dem anderen ausführen. Wer zuerst kommt kannst Du da nicht sagen. Vermutlich ist die andere VI schneller an der Schnittstelle und blockiert diese.

Gruß
Freddy
Webseite des Benutzers besuchen Alle Beiträge dieses Benutzers finden
Diese Nachricht in einer Antwort zitieren to top
17.12.2015, 11:03
Beitrag #4

jg Offline
CLA & CLED
LVF-Team

Beiträge: 15.864
Registriert seit: Jun 2005

20xx / 8.x
1999
EN

Franken...
Deutschland
RE: TimeOut error 6101
Offtopic2
@Freddy: Gut erkannt, das muss man im dem Chaos von Drähten erst einmal erkennen. Top2
@Patriot: THINK Dataflow, und von links nach rechts programmieren, nicht von oben nach unten. Wink

Gruß, Jens

Wer die erhabene Weisheit der Mathematik tadelt, nährt sich von Verwirrung. (Leonardo da Vinci)

!! BITTE !! stellt mir keine Fragen über PM, dafür ist das Forum da - andere haben vielleicht auch Interesse an der Antwort!

Einführende Links zu LabVIEW, s. GerdWs Signatur.
Alle Beiträge dieses Benutzers finden
Diese Nachricht in einer Antwort zitieren to top
17.12.2015, 12:56
Beitrag #5

patriote00 Offline
LVF-Grünschnabel
*


Beiträge: 17
Registriert seit: Sep 2015

2015
2015
kA



RE: TimeOut error 6101
Danke für die schnelle Antwort.

Ich habe noch etwas gemacht und leider bekomme ich immer das gleich Problem.

Gibt es andere Methode für VISA Config. Serial Port?
Ich habe ein Teil des Programms angehängt.


Angehängte Datei(en)
15.0 .vi  timeouterror.vi (Größe: 26,5 KB / Downloads: 365)
Alle Beiträge dieses Benutzers finden
Diese Nachricht in einer Antwort zitieren to top
17.12.2015, 13:34
Beitrag #6

jg Offline
CLA & CLED
LVF-Team

Beiträge: 15.864
Registriert seit: Jun 2005

20xx / 8.x
1999
EN

Franken...
Deutschland
RE: TimeOut error 6101
Nochmals, der Fehler kommt ziemlich sicher nicht aus VISA Conf. Ser. Port.

Und speichere dein VI doch bitte für eine frühere LabVIEW-Version (Save -> for previous version), der Durchsatz mit lv15_img ist noch relativ niedrig.

Gruß, Jens

Wer die erhabene Weisheit der Mathematik tadelt, nährt sich von Verwirrung. (Leonardo da Vinci)

!! BITTE !! stellt mir keine Fragen über PM, dafür ist das Forum da - andere haben vielleicht auch Interesse an der Antwort!

Einführende Links zu LabVIEW, s. GerdWs Signatur.
Alle Beiträge dieses Benutzers finden
Diese Nachricht in einer Antwort zitieren to top
Anzeige
17.12.2015, 14:16
Beitrag #7

patriote00 Offline
LVF-Grünschnabel
*


Beiträge: 17
Registriert seit: Sep 2015

2015
2015
kA



RE: TimeOut error 6101
Hier unter LV-12


Angehängte Datei(en)
14.0 .vi  timeouterror.vi (Größe: 27,16 KB / Downloads: 392)
Alle Beiträge dieses Benutzers finden
Diese Nachricht in einer Antwort zitieren to top
17.12.2015, 14:50
Beitrag #8

jg Offline
CLA & CLED
LVF-Team

Beiträge: 15.864
Registriert seit: Jun 2005

20xx / 8.x
1999
EN

Franken...
Deutschland
RE: TimeOut error 6101

Akzeptierte Lösung

Für Modbus solltest du ohne aktivierten Termination Char arbeiten. Da du an diesem Eingang beim Port-Configure nichts angeschlossen hast, ist der Wert TRUE.
Außerdem empfehle ich Debugging im Highlight-Modus, wo tritt wirklich zuerst ein Fehler auf.

Gruß, Jens

(1x Ctrl+U kann auch nicht schaden)

Wer die erhabene Weisheit der Mathematik tadelt, nährt sich von Verwirrung. (Leonardo da Vinci)

!! BITTE !! stellt mir keine Fragen über PM, dafür ist das Forum da - andere haben vielleicht auch Interesse an der Antwort!

Einführende Links zu LabVIEW, s. GerdWs Signatur.
Alle Beiträge dieses Benutzers finden
Diese Nachricht in einer Antwort zitieren to top
17.12.2015, 14:56
Beitrag #9

Freddy Offline
Oldtimer
****


Beiträge: 729
Registriert seit: Aug 2008

2019, 2020, 2021
1996
DE

76275
Deutschland
RE: TimeOut error 6101
Lies mal die Info von NI.

http://digital.ni.com/public.nsf/allkb/6...D700349D99


Gruß
Freddy
Webseite des Benutzers besuchen Alle Beiträge dieses Benutzers finden
Diese Nachricht in einer Antwort zitieren to top
17.12.2015, 15:03
Beitrag #10

jg Offline
CLA & CLED
LVF-Team

Beiträge: 15.864
Registriert seit: Jun 2005

20xx / 8.x
1999
EN

Franken...
Deutschland
RE: TimeOut error 6101
Offtopic2
@Freddy: schon verlinkt, s. Beitrag Nr. 2...

Wer die erhabene Weisheit der Mathematik tadelt, nährt sich von Verwirrung. (Leonardo da Vinci)

!! BITTE !! stellt mir keine Fragen über PM, dafür ist das Forum da - andere haben vielleicht auch Interesse an der Antwort!

Einführende Links zu LabVIEW, s. GerdWs Signatur.
Alle Beiträge dieses Benutzers finden
Diese Nachricht in einer Antwort zitieren to top
30
Antwort schreiben 


Möglicherweise verwandte Themen...
Themen Verfasser Antworten Views Letzter Beitrag
  Polling über USB RAW - Timeout funktioniert nicht MirkoB 3 6.185 06.09.2017 15:18
Letzter Beitrag: MirkoB
  VISA: Timeout Error (1073807339) TobSTAR 4 11.097 03.07.2014 09:22
Letzter Beitrag: TobSTAR
  Byte (hex) erzeugt Timeout im VISA Lolleg 2 5.049 06.06.2014 13:26
Letzter Beitrag: Lolleg
  VISA: Wait on Event - Vor Timeout Abbrechen Lien_Alere 7 10.136 20.01.2012 16:00
Letzter Beitrag: GerdW
  Timeout des VISA Seriellen Port konfigurieren micheljoel2002 1 6.916 18.09.2010 20:57
Letzter Beitrag: GerdW
  RS232 horchen - timeout 1073807339 RosJon 5 8.078 11.08.2010 13:25
Letzter Beitrag: Lucki

Gehe zu: