INFO: Dieses Forum nutzt Cookies...
Cookies sind für den Betrieb des Forums unverzichtbar. Mit der Nutzung des Forums erklärst Du dich damit einverstanden, dass wir Cookies verwenden.

Es wird in jedem Fall ein Cookie gesetzt um diesen Hinweis nicht mehr zu erhalten. Desweiteren setzen wir Google Adsense und Google Analytics ein.


Thema geschlossen 

Wie wird mit Variant als Datentyp gearbeitet?



Wenn dein Problem oder deine Frage geklärt worden ist, markiere den Beitrag als "Lösung",
indem du auf den "Lösung" Button rechts unter dem entsprechenden Beitrag klickst. Vielen Dank!

23.02.2010, 16:19
Beitrag #1

Kopmann Offline
LVF-Grünschnabel
*


Beiträge: 41
Registriert seit: Nov 2006

8.0 Student
2005
kA

23552
Deutschland
Wie wird mit Variant als Datentyp gearbeitet?
Hi Leute,

ich habe ein Problem mit Clustern und erstellten Eigenschaftsknoten. Im Anhang findet ihr ein Beispiel dazu.

Ich habe in diesem Beispiel über Cluster-Konstanten zwei Custer erstellt und dann zusammengefügt. Jetzt würde ich gern den Variablennamen und den Eingabewert aus dem Ausgangs-Cluster von beiden unteren Clustern auslesen. Dazu habe ich als erstes einen Eigenschaftsknoten erstellt und innerhalb einer FOR-Schleife einen Zweiten. Über den Zweiten lese ich die Werte aus. Ergebnis sieht wie folgt aus:

Array
1: 'Zahl' -> 1
'Komma' -> 2
2: 'Auto' -> 143
'Boot' -> 45

Hierbei steht die 1: für das Cluster 01 und 2: für das Cluster 00. Das Array scheint verschachtelt zu sein!

Leider erfolgt die Abspeicherung über ein Variant-Datenarray. Mit dehne ich bis jetzt nicht klar komme! Somit schaffe ich es nicht mein Ergebnis in die folgende Form zu bringen:

Array
1: 'Zahl' -> 1
'Komma' -> 2
'Auto' -> 143
'Boot' -> 45

Was muss ich tun damit ich, sofern es mit LabVIEW möglich ist, die Informationen als String bekomme.

Die Beispieldatei wurde mit LabVIEW 8.0 erstellt.

Ich danke euch schon Mal für Konstruktive Ratschläge

Kopi


Angehängte Datei(en)
Sonstige .vi  Test_Simulation_3.vi (Größe: 28,26 KB / Downloads: 304)
Alle Beiträge dieses Benutzers finden
to top
Anzeige
24.02.2010, 07:21
Beitrag #2

rasta Offline
LVF-Gelegenheitsschreiber
**


Beiträge: 245
Registriert seit: Oct 2006

LabVIEW 2009-2017
2006
EN

53909
Deutschland
Wie wird mit Variant als Datentyp gearbeitet?
Hallo,
im Anhang eine lv80Variante.

Gruß
Ralf


Angehängte Datei(en)
Sonstige .vi  Test_Simulation_3_RS.vi (Größe: 54,58 KB / Downloads: 444)
Alle Beiträge dieses Benutzers finden
to top
24.02.2010, 09:53
Beitrag #3

Kopmann Offline
LVF-Grünschnabel
*


Beiträge: 41
Registriert seit: Nov 2006

8.0 Student
2005
kA

23552
Deutschland
Wie wird mit Variant als Datentyp gearbeitet?
Danke Ralf,

hoffe ich steige da durch!

Gruß
Kopi
Alle Beiträge dieses Benutzers finden
to top
24.02.2010, 22:01
Beitrag #4

Kopmann Offline
LVF-Grünschnabel
*


Beiträge: 41
Registriert seit: Nov 2006

8.0 Student
2005
kA

23552
Deutschland
Wie wird mit Variant als Datentyp gearbeitet?
Hi Leute,

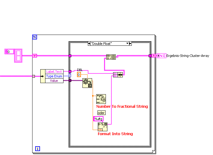
das Beispiel von Ralf war für Initiger. Ich arbeite leider mit Double Float. Den Code habe ich verstanden. Muss aber ehrlich sein. Drauf gekommen wäre ich nie.
Jedenfalls habe ich mich daran versucht statt der Intiger Double Float Zahlen auszulesen. Leider ohne Erfolg. Die Variant Vi's auf dem Panel geben mir nur Hieroglyphen aus.

Hilfe ist also weiterhin erwünscht.

Gruß
Kopi
Alle Beiträge dieses Benutzers finden
to top
24.02.2010, 22:25
Beitrag #5

IchSelbst Offline
LVF-Guru
*****


Beiträge: 3.708
Registriert seit: Feb 2005

11, 14, 15, 17, 18
-
DE

97437
Deutschland
Wie wird mit Variant als Datentyp gearbeitet?
' schrieb:Den Code habe ich verstanden.
Eigentlich musst du nur eine einzige Sache machen: In der Case-Sequenz in der letzten For-Schleife machst du aus dem einen Typ "Invalid Type" den Zusatz "Voreinstellung" weg. Dann lässt du automatisch mit "Case für jeden Wert hinzufügen" alle Cases erstellen. Nun suchst du den "Double float"-Case und machst da rein, was in I32 exemplarisch steht.

Jeder, der zur wahren Erkenntnis hindurchdringen will, muss den Berg Schwierigkeit alleine erklimmen (Helen Keller).
Alle Beiträge dieses Benutzers finden
to top
25.02.2010, 06:37
Beitrag #6

Kopmann Offline
LVF-Grünschnabel
*


Beiträge: 41
Registriert seit: Nov 2006

8.0 Student
2005
kA

23552
Deutschland
Wie wird mit Variant als Datentyp gearbeitet?
Hi Ichselbst,

mit dem Case habe ich gestern rumgespielt. Als ich den Code nachvollzogen habe war mir bewusst, dass in der ersten FOR-Schleife der Zahlentyp ermittelt wird. In der zweiten Schleife wird dann Fallbezogen (also je nach Zahlentyp) durch den Case bestimmt was gemacht wird.

Somit habe ich erst einmal, weil ich nur mit Double Float arbeite, das Beschriftungsfeld vom Case "I32" in "Double Float" geändert. (Double Float wurde nach dem D automatisch vervollständigt) Danach habe ich am VI "Variant nach Daten" den Typ von I32 auf DBL gesetzt. Da dieses VI aber nur mit Intiger arbeitet rundet es meine Werte.
Somit habe ich versucht dieses Problem zu lösen. Gelang mir nur nicht.

Ich gehe mal davon aus das du mit "Voreinstellung", "Standard" meinst?

Gruß
Kopi
Alle Beiträge dieses Benutzers finden
to top
Anzeige
25.02.2010, 06:58
Beitrag #7

rasta Offline
LVF-Gelegenheitsschreiber
**


Beiträge: 245
Registriert seit: Oct 2006

LabVIEW 2009-2017
2006
EN

53909
Deutschland
Wie wird mit Variant als Datentyp gearbeitet?
Hallo Kopi,
schau mal im Anhang..

Gruß
Ralf


Angehängte Datei(en) Thumbnail(s)
       
Alle Beiträge dieses Benutzers finden
to top
25.02.2010, 07:41
Beitrag #8

Y-P Offline
☻ᴥᴥᴥ☻ᴥᴥᴥ☻
LVF-Team

Beiträge: 12.612
Registriert seit: Feb 2006

Developer Suite Core -> LabVIEW 2015 Prof.
2006
EN

71083
Deutschland
Wie wird mit Variant als Datentyp gearbeitet?
Offtopic: Bitte das nächste Mal "Integer" und nicht "Initiger". Ich habe dauernd einen Post von einem "Initiger" gesucht, bis ich dann aufgrund Deiner Nachfrage nach Double festgestellt habe, dass Du Integer-Zahlen (und nicht ein LVF-Mitglied) gemeint hast.

Gruß Markus

' schrieb:das Beispiel von Ralf war für Initiger.

--------------------------------------------------------------------------
Bitte stellt mir keine Fragen über PM, dafür ist das Forum da - andere haben vielleicht auch Interesse an der Antwort !!
--------------------------------------------------------------------------
Alle Beiträge dieses Benutzers finden
to top
25.02.2010, 08:52 (Dieser Beitrag wurde zuletzt bearbeitet: 25.02.2010 09:31 von jg.)
Beitrag #9

Kopmann Offline
LVF-Grünschnabel
*


Beiträge: 41
Registriert seit: Nov 2006

8.0 Student
2005
kA

23552
Deutschland
Wie wird mit Variant als Datentyp gearbeitet?
Hi Leute,

für das "Initiger" entschuldige ich mich, das war ein Vertipper mit dem zweiten "i" das dritte muss natürlich ein "e" sein. Bin halt kein Programmierer sondern nur Wasserbauer.

Ich habe eure Lösungsvorschläge durchgesehen und ausprobiert. Leider klappt es nicht. Ich habe jetzt für beide Fälle I32 und Double Float einen Case erstellt. Daher sollte jetzt je nach Zahlentyp der richtige Case gewählt. Wird es aber nicht. Daher besteht hier noch ein anderes Problem. Bei der zweiten Schleife kommen nur I32 an??? Warum? (Ist mir eben erst aufgefallen!) Daher habe ich die nötigen Änderungen vorgenommen und im Case I32 alles für Double Float programmiert.

Trotzdem:

Das Problem liegt für mich am VI "Variant nach Daten". Es gibt nur Integer aus auch, wenn sie am Ausgang auf DBL umgestellt werden.

Mit dem VI "Zahl nach String" habe ich gestern auch gearbeitet. Leider ohne positives Ergebnis.

Ich habe Ralfs Lösungsvorschlag mit meinen Änderungen noch einmal angehängt. Achtung: Inhalt im Case für DBL und I32 getauscht!

Gruß
Kopi

Lv80_img


Angehängte Datei(en)
Sonstige .vi  Test_Simulation_3_RS.vi (Größe: 44,3 KB / Downloads: 238)
Alle Beiträge dieses Benutzers finden
to top
25.02.2010, 09:09
Beitrag #10

rasta Offline
LVF-Gelegenheitsschreiber
**


Beiträge: 245
Registriert seit: Oct 2006

LabVIEW 2009-2017
2006
EN

53909
Deutschland
Wie wird mit Variant als Datentyp gearbeitet?
Hallo Kopi,
tausche die beiden Cases wieder so wie sie gehören und setze im "Ausgangs-Cluster", den Du ja als Referenz benutzt, alle Anzeigen auf Representation dbl.Diese stehen noch auf I32.

Gruß
Ralf
Alle Beiträge dieses Benutzers finden
to top
30
Thema geschlossen 


Möglicherweise verwandte Themen...
Themen Verfasser Antworten Views Letzter Beitrag
  einen variant data LOOP galilio 2 5.663 09.09.2016 12:12
Letzter Beitrag: galilio
  Falscher Datentyp? E-techniker 6 7.165 16.05.2014 12:36
Letzter Beitrag: GerdW
  Variant aus Datenbank --> Datentyp Anna1988 3 5.846 15.05.2014 11:07
Letzter Beitrag: rolfk
  Postgres SQL datentyp "money" kann nicht ausgelesen werden Diplomand 1 4.078 19.02.2013 12:47
Letzter Beitrag: Y-P
  Datentyp eines Wertes aus der Datenbank abfragen mrstrom 1 3.606 10.11.2011 08:08
Letzter Beitrag: unicorn
  Variant-Daten in TXT-File speichern und wieder laden. thomhof0 3 7.978 04.10.2011 08:36
Letzter Beitrag: GerdW

Gehe zu: