Hallo Bene,
bitte

, wenn du jetzt mit LV2016 arbeitest!
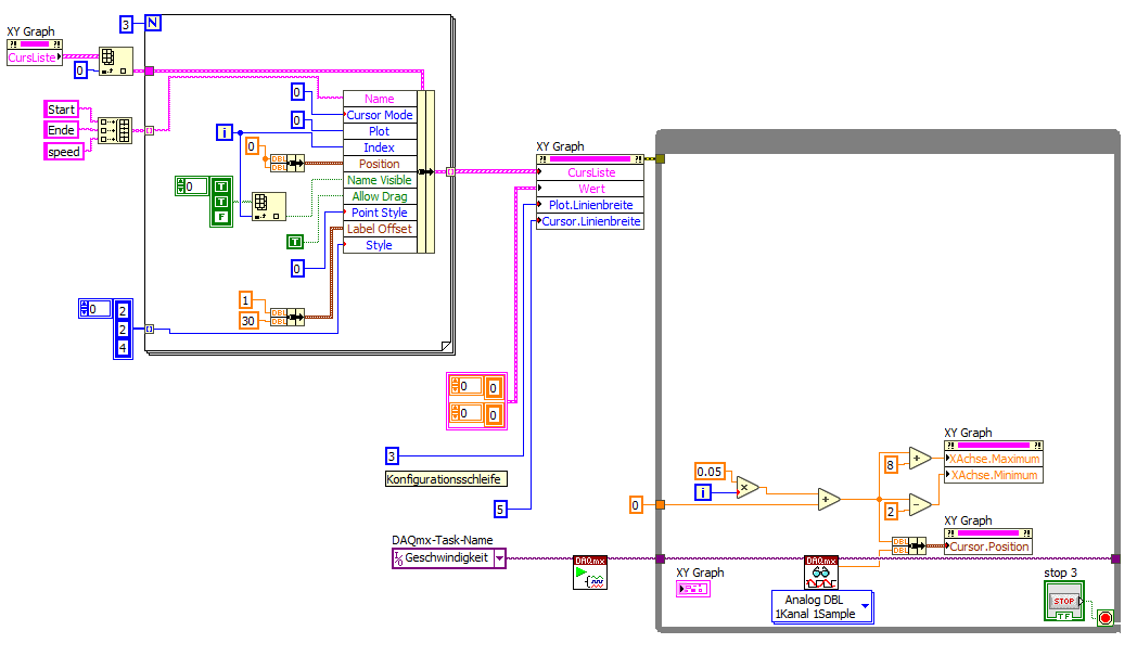
Zitat:habe ich einen XY- Graph bei dem sich in Abhängigkeit der Zeit der X Achsenabschnitt verschiebt und ein Cursor einen eingelsenen Messwert darstellt.
Das scheint ja zu funktionieren…
Wozu überhaupt der XY-Graph, wenn du da nur einen Cursor bewegst?
Zitat:Das funktioniert alles auch soweit das Problem ist nur, dass ich das gerne so schnell wie möglich laufen lassen würde damit die grafische Ausgabe flüssig läuft. Allerdings ist
bei mir so bei ca. 20 Hz schluss.
Mal überlegen: du hast die TWL mit f=1kHz und dt=50ms konfiguriert. Und erreichst damit 20Hz.
Ist doch alles ok, würde ich sagen!
Nochmal: mehr als 20Hz sind nicht sinnvoll - schneller kannst du auch nicht gucken!
Wie hast du eigentlich deinen DAQmx-Task definiert?
- Ersetze die TWL durch eine normale While-Loop!
- Du brauchst keine Wartezeit in der Loop, sondern nur eine vernünftige Vorgabe für Samplerate und Anzahl der zu lesenden Messwerte im DAQmxTask!
- Du brauchst keine Sequenz im VI, sondern kannst alles per DATAFLOW regeln!
- Du kannst die 4 Propertynodes, mit denen du den Graph konfigurierst, zu einer zusammenfassen!
- In deinem VI fehlen Properties wie "ActivePlot" und "ActiveCursor"…