INFO: Dieses Forum nutzt Cookies...
Cookies sind für den Betrieb des Forums unverzichtbar. Mit der Nutzung des Forums erklärst Du dich damit einverstanden, dass wir Cookies verwenden.

Es wird in jedem Fall ein Cookie gesetzt um diesen Hinweis nicht mehr zu erhalten. Desweiteren setzen wir Google Adsense und Google Analytics ein.


Antwort schreiben 

Zeitverzögerte Reaktion bei StateChart



Wenn dein Problem oder deine Frage geklärt worden ist, markiere den Beitrag als "Lösung",
indem du auf den "Lösung" Button rechts unter dem entsprechenden Beitrag klickst. Vielen Dank!

29.07.2013, 21:15
Beitrag #1

Christina Offline
LVF-Neueinsteiger


Beiträge: 2
Registriert seit: Jul 2013

2012
-
kA



Zeitverzögerte Reaktion bei StateChart
Hallo zusammen,

ich versuche mich gerade an einer StateMachine mit dem Statechart Module. Die Umsetzung hat soweit funktioniert, States und Transitionen werden alle ausgeführt. Ich hab nur leider das Problem, dass die Reaktion ziemlich zeitverzögert auftritt, teilweise erst 10sek später.
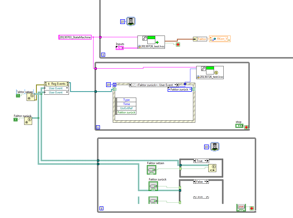
Ich hab mal einen Screenshot von einem kleinen Beispielprogramm angehängt, bei dem ich auch Zeitprobleme hab. Die Funktion des Programms ist, je nachdem in welchen State, den Faktor 1 oder 0,1 zu einer Zahl dazu zu multiplizieren. Da das Statechart auf Real-Time target läuft, verwende ich User Events.

Hat jemand eine Idee, wie ich die Reaktion schneller bekomme? Gibt es soetwas wie getaktete Statecharts? Was hat es mit den internen Queues eines Statechart auf sich?
Oder liegt das Problem eher wo anders? An dem UserEvent?

Viele Grüße,
Christina

lv12_img


Angehängte Datei(en) Thumbnail(s)
       
Alle Beiträge dieses Benutzers finden
Diese Nachricht in einer Antwort zitieren to top
Anzeige
31.07.2013, 07:13
Beitrag #2

Y-P Offline
☻ᴥᴥᴥ☻ᴥᴥᴥ☻
LVF-Team

Beiträge: 12.612
Registriert seit: Feb 2006

Developer Suite Core -> LabVIEW 2015 Prof.
2006
EN

71083
Deutschland
RE: Zeitverzögerte Reaktion bei StateChart
Auch wenn ich Dir mit den State-Charts nicht wirklich helfen kann (bisher wusste ich nicht mal, dass es so ein Modul gibt Blink).
Was versprichst Du Dir davon? Wieso programmierst Du nicht gleich selber? Dann weißt Du auch, was das Programm macht.

Gruß Markus

--------------------------------------------------------------------------
Bitte stellt mir keine Fragen über PM, dafür ist das Forum da - andere haben vielleicht auch Interesse an der Antwort !!
--------------------------------------------------------------------------
Alle Beiträge dieses Benutzers finden
Diese Nachricht in einer Antwort zitieren to top
31.07.2013, 08:08
Beitrag #3

GerdW Offline
______________
LVF-Team

Beiträge: 17.528
Registriert seit: May 2009

LV2019 (LV2021)
1995
DE_EN

10×××
Deutschland
RE: Zeitverzögerte Reaktion bei StateChart
Hallo Markus,

das es dieses Modul gibt, ist schon sehr schön und wurde im NI-Forum oft gefordert (NI hat/hatte mittendrin mal die Weiterentwicklung gestoppt).

Nur leider ist es nicht sehr weit verbreitet - was jetzt zum Problem des OP wird...

Alle Beiträge dieses Benutzers finden
Diese Nachricht in einer Antwort zitieren to top
31.07.2013, 08:39
Beitrag #4

Christina Offline
LVF-Neueinsteiger


Beiträge: 2
Registriert seit: Jul 2013

2012
-
kA



RE: Zeitverzögerte Reaktion bei StateChart
Problem gelöst!
Im Diagram.vi unter File->Vi Properties->Statechart Code Generation findet man Queue Settings. Dort kann man Size und Timeout setzen, und schon funktioniert es. Big Grin
Alle Beiträge dieses Benutzers finden
Diese Nachricht in einer Antwort zitieren to top
31.07.2013, 16:37
Beitrag #5

Y-P Offline
☻ᴥᴥᴥ☻ᴥᴥᴥ☻
LVF-Team

Beiträge: 12.612
Registriert seit: Feb 2006

Developer Suite Core -> LabVIEW 2015 Prof.
2006
EN

71083
Deutschland
RE: Zeitverzögerte Reaktion bei StateChart
Danke für die Rückmeldung.
Wenn schon Gerd sagt, dass das Modul schön ist, dann lohnt es sich bestimmt, es mal näher anzuschauen. Big Grin

Gruß Markus

(31.07.2013 08:39 )Christina schrieb:  Problem gelöst!
Im Diagram.vi unter File->Vi Properties->Statechart Code Generation findet man Queue Settings. Dort kann man Size und Timeout setzen, und schon funktioniert es. Big Grin

--------------------------------------------------------------------------
Bitte stellt mir keine Fragen über PM, dafür ist das Forum da - andere haben vielleicht auch Interesse an der Antwort !!
--------------------------------------------------------------------------
Alle Beiträge dieses Benutzers finden
Diese Nachricht in einer Antwort zitieren to top
30
Antwort schreiben 


Möglicherweise verwandte Themen...
Themen Verfasser Antworten Views Letzter Beitrag
  Statechart Tutorial L@BTR0N 1 6.140 09.12.2010 21:33
Letzter Beitrag: Y-P

Gehe zu: