INFO: Dieses Forum nutzt Cookies...
Cookies sind für den Betrieb des Forums unverzichtbar. Mit der Nutzung des Forums erklärst Du dich damit einverstanden, dass wir Cookies verwenden.

Es wird in jedem Fall ein Cookie gesetzt um diesen Hinweis nicht mehr zu erhalten. Desweiteren setzen wir Google Adsense und Google Analytics ein.


Antwort schreiben 

Zugriff auf OPC HDA-Server



Wenn dein Problem oder deine Frage geklärt worden ist, markiere den Beitrag als "Lösung",
indem du auf den "Lösung" Button rechts unter dem entsprechenden Beitrag klickst. Vielen Dank!

25.01.2010, 11:06
Beitrag #1

achim @ FZK Offline
CLD
**


Beiträge: 117
Registriert seit: Nov 2008

201x
2005
DE_EN

76861
Deutschland
Zugriff auf OPC HDA-Server
Hallo,

ich suche nach Möglichkeiten um Daten von einem OPC-Server an der HDA-Schnittstelle zu lesen.
Den Zugriff auf die DA-Schnittstelle hab ich problemlos hinbekommen aber bei HDA bin ich am Ende meines Lateins angekommen...

Laut NI ist der Zugriff via DataSocket-Server nicht möglich (siehe hier).
Wenn es also mit LabVIEW eigenen Mitteln nicht möglich ist muss es also irgendwie anders gehen.
Eine Möglichkeit wäre die Einbindung von externen Code (C/C++, C#, o.ä.). Ich habe auch mal ein wenig was gesucht aber nichts sinnvolles gefunden... Das Problem ist halt doch sehr speziell...
Vielleicht gibts auch noch andere Möglichkeiten...

Hat jemand von Euch schon mal versucht auf HDA zuzugreifen? Hat jemand einen Tipp wonach man mal suchen könnte oder gar ein VI zur Hand auf dem man Aufbauen könnte?

Für sachdienliche Hinweise und Denkanstöße bin ich immer Dankbar...

Viele Grüße
Achim
Alle Beiträge dieses Benutzers finden
Diese Nachricht in einer Antwort zitieren to top
Anzeige
27.01.2010, 12:47
Beitrag #2

achim @ FZK Offline
CLD
**


Beiträge: 117
Registriert seit: Nov 2008

201x
2005
DE_EN

76861
Deutschland
Zugriff auf OPC HDA-Server
na all zu viele Antworten bekommt man hier ja nicht :-)

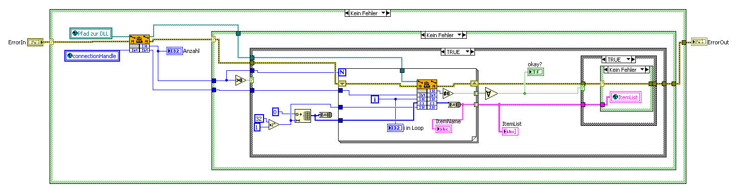
Ich hab aber auch eine DLL gefunden die funktioniert und auch noch kostenlos ist:
WtHDAClient.dll der Firma WinTECH Software

Diese DLL bietet genau die Funktionen die ich brauche...

Und da liegt aktuell auch mein Problem -> Die DLL in LabVIEW einzubinden.

ich scheitere an einer Funktion mit dem folgendem Prototyp: [code]BOOL


Angehängte Datei(en) Thumbnail(s)
       
Alle Beiträge dieses Benutzers finden
Diese Nachricht in einer Antwort zitieren to top
27.01.2010, 13:23
Beitrag #3

achim @ FZK Offline
CLD
**


Beiträge: 117
Registriert seit: Nov 2008

201x
2005
DE_EN

76861
Deutschland
Zugriff auf OPC HDA-Server
eins hab ich vergessen zu schreiben...
Bevor ich versucht habe char * pBuf als uint8[] zu übergeben hab ichs natürlich schon als String und mit der Einstellung C-Zeiger versucht... Ergebnis war das Gleiche, nämlich keins. :-)
Alle Beiträge dieses Benutzers finden
Diese Nachricht in einer Antwort zitieren to top
04.02.2010, 15:36 (Dieser Beitrag wurde zuletzt bearbeitet: 04.02.2010 15:46 von rolfk.)
Beitrag #4

rolfk Offline
LVF-Guru
*****


Beiträge: 2.318
Registriert seit: Jun 2007

alle seit 6.0
1992
EN

2901GG
Niederlande
Zugriff auf OPC HDA-Server
[quote='']na all zu viele Antworten bekommt man hier ja nicht :-)

Ich hab aber auch eine DLL gefunden die funktioniert und auch noch kostenlos ist:
WtHDAClient.dll der Firma WinTECH Software

Diese DLL bietet genau die Funktionen die ich brauche...

Und da liegt aktuell auch mein Problem -> Die DLL in LabVIEW einzubinden.

ich scheitere an einer Funktion mit dem folgendem Prototyp: [code]BOOL

Rolf Kalbermatter
Technische Universität Delft, Dienst Elektronik und Mechanik
https://blog.kalbermatter.nl
Webseite des Benutzers besuchen Alle Beiträge dieses Benutzers finden
Diese Nachricht in einer Antwort zitieren to top
Antwort schreiben 


Möglicherweise verwandte Themen...
Themen Verfasser Antworten Views Letzter Beitrag
  LabVIEW OPC Server auf Windows Server 2003 Ninja2602 5 8.913 30.11.2012 16:30
Letzter Beitrag: lukas_c
  NI Web Server: Datei-Download mit Datenübertragung von Server- an Client-Rechner phonophunk 0 4.988 08.11.2012 18:10
Letzter Beitrag: phonophunk

Gehe zu: