
(02.09.2012 18:10 )gottfried schrieb: Hallo,
offensichtlich habe ich voriges Jahr einen Blödsinngemacht und habe die user.lib der 2010SP1 Version irgend einmal mit der 2011SP1 Version überspielt. Die Dinger einzeln nach 2010 zu konvertieren ist "etwas" aufwendig. Gibt es da einen Trick?
Danke
Gottfried
Hallo Gottfried,
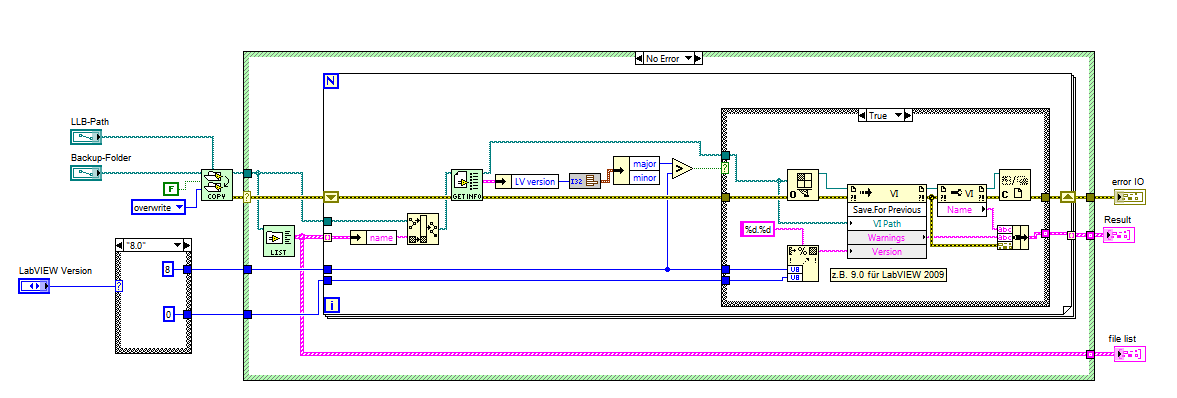
im Anhang mal 2 ausbaufähige Beispiele für die programmatische Umsetzung.
Vi 1 "LLB-Save for Previous" kopiert eine LLB ins Backup-Verzeichnis und dort wird der Inhalt auf die gewählte LV-Version konvertiert.
Vi 2"vi-or-ctl-Save for Previous" kopiert ctl´s oder vi´s ins Backup-Verzeichnis und dort wird auf die gewählte LV-Version konvertiert.
Verwendung auf eigene Gefahr
PS:
Tipp für LLB´s:
.....\National Instruments\LabVIEW 2010\vi.lib\Utility\libraryn.llb\All Librarian VIs.vi