INFO: Dieses Forum nutzt Cookies...
Cookies sind für den Betrieb des Forums unverzichtbar. Mit der Nutzung des Forums erklärst Du dich damit einverstanden, dass wir Cookies verwenden.

Es wird in jedem Fall ein Cookie gesetzt um diesen Hinweis nicht mehr zu erhalten. Desweiteren setzen wir Google Adsense und Google Analytics ein.


Antwort schreiben 

while-schleife



Wenn dein Problem oder deine Frage geklärt worden ist, markiere den Beitrag als "Lösung",
indem du auf den "Lösung" Button rechts unter dem entsprechenden Beitrag klickst. Vielen Dank!

16.06.2006, 08:42
Beitrag #1

blitzgeist Offline
LVF-Grünschnabel
*


Beiträge: 48
Registriert seit: Apr 2006

7.1
-
kA


Deutschland
while-schleife
Hallo LVG,

folgendes Problem: wie kann ich eine while schleife realisieren, welche nach i schritten nicht mehr auf null zurückgeht?

und: eine variable anlegen, welche nach jedem while-schleifendurchlauf incrementiert wird?

danke für tips

gruß Timo
Alle Beiträge dieses Benutzers finden
Diese Nachricht in einer Antwort zitieren to top
Anzeige
16.06.2006, 08:56
Beitrag #2

Kvasir Offline
LVF-Freak
****


Beiträge: 642
Registriert seit: May 2006

10
2004
DE_EN

0000
Oesterreich
while-schleife
Der Laufindex erhöht sich mit jedem Schleifendurchgang um 1. Er geht nie nach 0 zurück.

Wenn du allerdings die Schleife nach beenden erneut aufrufst ist der Index logischer Weise wieder 0 am Anfang. Du startest die While Schleife ja erneut. Dieser Durchlauf hat dann mit dem vorigen mal nichts mehr zu tun.

Abhilfe könntest du dir aber z.B. schaffen, wie im angehängten Beispiel. Hilft das?

Grüße


Angehängte Datei(en) Thumbnail(s)
   

A few weeks of developement and testing can save a WHOLE afternoon in the library!
Alle Beiträge dieses Benutzers finden
Diese Nachricht in einer Antwort zitieren to top
16.06.2006, 09:08
Beitrag #3

blitzgeist Offline
LVF-Grünschnabel
*


Beiträge: 48
Registriert seit: Apr 2006

7.1
-
kA


Deutschland
while-schleife
danke für die schnelle antwort, probiere es gerade aus, doch kann man nicht einfach wie in c ne lokale var erzeugen und diese einfach jedesmal inkrementieren? ich brauche diese variable bzw den index i, weil ich damit mein ergebnisarry jedes mal um ein index erhöhe
Alle Beiträge dieses Benutzers finden
Diese Nachricht in einer Antwort zitieren to top
16.06.2006, 09:27
Beitrag #4

Azmodan Offline
LVF-Grünschnabel
*


Beiträge: 37
Registriert seit: Mar 2006

8.0.1
2006
kA


Deutschland
while-schleife
' schrieb:kann man nicht einfach wie in c ne lokale var erzeugen und diese einfach jedesmal inkrementieren?
Hallo.

(Lokale) Variablen werden in LabVIEW etwas anders behandelt als in textuellen Programmiersprachen wie C. Ein lokale Variable dient nur als Stellvertreter eines Bedien- bzw. Anzeigeelements und ist (bis auf wenige Ausnahmen) nur ein Ersatz für eine Verdrahtung zwischen zwei Blöcken.

In deinem konkreten Fall könntest du den nach aussen geführten Draht des Schleifenindexes mit einem Anzeigeelement verbinden und diesem wiederum eine lokale Variable zuordnen.

Alternativ könntest du natürlich auch dein Ergebnis-Array mittels aktivierter Autoindizierung durch den Tunnel nach aussen führen: Dadurch wird bei jedem Schleifendurchlauf ein Ergebnis aus der Schleife raus und in dein Anzeige-Array geschrieben.

Gruß, Niko

God is Real - unless declared as Integer.
Webseite des Benutzers besuchen Alle Beiträge dieses Benutzers finden
Diese Nachricht in einer Antwort zitieren to top
16.06.2006, 09:29
Beitrag #5

blitzgeist Offline
LVF-Grünschnabel
*


Beiträge: 48
Registriert seit: Apr 2006

7.1
-
kA


Deutschland
while-schleife
danke nico, werde deine vorschläge jetzt mal ausprobieren... mal schauen ob es funktioniert
Alle Beiträge dieses Benutzers finden
Diese Nachricht in einer Antwort zitieren to top
16.06.2006, 09:35
Beitrag #6

Azmodan Offline
LVF-Grünschnabel
*


Beiträge: 37
Registriert seit: Mar 2006

8.0.1
2006
kA


Deutschland
while-schleife
Ok, das ganze sollte (grob vereinfacht) dann ungefähr so aussehen bei dir:Smile

   

Gruß, Niko

God is Real - unless declared as Integer.
Webseite des Benutzers besuchen Alle Beiträge dieses Benutzers finden
Diese Nachricht in einer Antwort zitieren to top
16.06.2006, 09:37
Beitrag #7

blitzgeist Offline
LVF-Grünschnabel
*


Beiträge: 48
Registriert seit: Apr 2006

7.1
-
kA


Deutschland
while-schleife
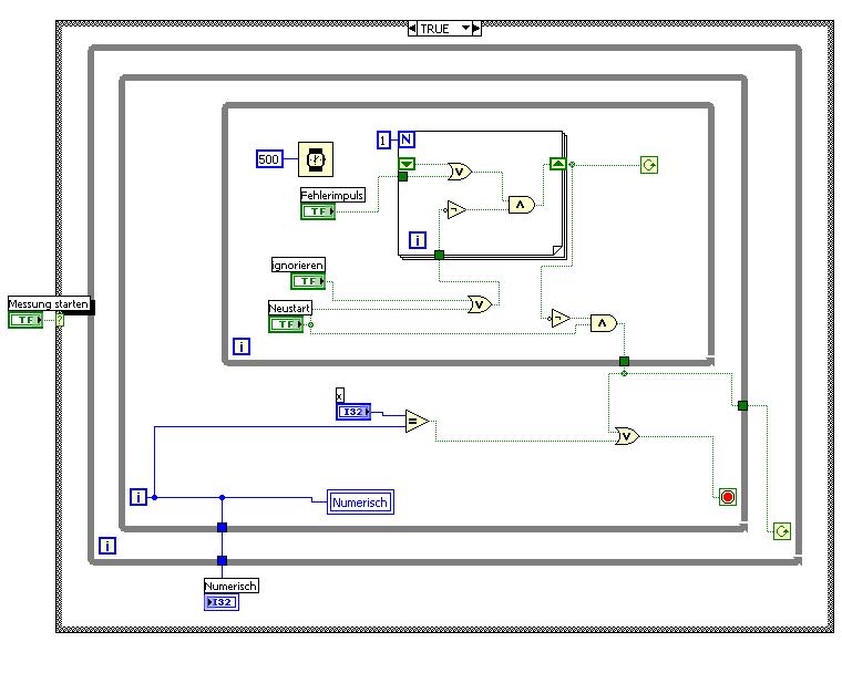
so in etwa? (test bild) das funktioniert aber irgendwie nicht ganz...

ja und zweitens. wo finde ich die unter (test1 bild) verwendeten funktionen?


Angehängte Datei(en) Thumbnail(s)
       
Alle Beiträge dieses Benutzers finden
Diese Nachricht in einer Antwort zitieren to top
16.06.2006, 09:53
Beitrag #8

Azmodan Offline
LVF-Grünschnabel
*


Beiträge: 37
Registriert seit: Mar 2006

8.0.1
2006
kA


Deutschland
while-schleife
' schrieb:so in etwa? (test bild) das funktioniert aber irgendwie nicht ganz...

ja und zweitens. wo finde ich die unter (test1 bild) verwendeten funktionen?
Was genau funktioniert denn nicht? Du hast beispielsweise ja keinen Pfad zum Öffnen/Erstellen angegeben und deine FOR-Schleife hat keine obere Grenze (muss an das blaue N angeschlossen werden). Aber theoretisch sollte das dann funktionieren.

Und die Funktion, die du (vermutlich) suchst, heisst "Warten (ms)" und befindet sich in der "Timing"-Funktionenpalette.

Wenn du natürlich mal dein Gesamtproblem schildern könntest, an dem du gerade sitzt, wäre es leichter, sinnvolle Lösungswege zu finden.Smile

Gruß, Niko

God is Real - unless declared as Integer.
Webseite des Benutzers besuchen Alle Beiträge dieses Benutzers finden
Diese Nachricht in einer Antwort zitieren to top
16.06.2006, 09:53 (Dieser Beitrag wurde zuletzt bearbeitet: 16.06.2006 09:54 von blitzgeist.)
Beitrag #9

blitzgeist Offline
LVF-Grünschnabel
*


Beiträge: 48
Registriert seit: Apr 2006

7.1
-
kA


Deutschland
while-schleife
hallo nico, also das mit der localen var habe ich nun gelöst, jetzt nur noch meine zweite frage: wo finde ich die funktionen im bild test2.

ich möchte nämlich daten, welche in einem string arry stehen per buttonklick in eine datei schreiben


... das bild test2 habe ich auch nur zugepostet bekommen, weiß nicht so genau wie ich das realisieren soll
Alle Beiträge dieses Benutzers finden
Diese Nachricht in einer Antwort zitieren to top
16.06.2006, 10:00
Beitrag #10

Kvasir Offline
LVF-Freak
****


Beiträge: 642
Registriert seit: May 2006

10
2004
DE_EN

0000
Oesterreich
while-schleife
Das hab ich dir doch zugepostet in deinem anderen ThreadWink

Die Funktionen findest du unter Datei I/O und heißen:

- Datei öffnen
- In Textdatei schreiben
- Datei schließen.

Habe leider kein LV 7.1 mehr. Kann sein, dass die Funktionen dort etwas anders aussehen. Sind aber auf jeden Fall vorhanden.

A few weeks of developement and testing can save a WHOLE afternoon in the library!
Alle Beiträge dieses Benutzers finden
Diese Nachricht in einer Antwort zitieren to top
Antwort schreiben 


Möglicherweise verwandte Themen...
Themen Verfasser Antworten Views Letzter Beitrag
  1x While Schleife, 1x Zeitges. While Schleife, die zeitgs. START/STOP dali4u 1 7.616 23.05.2011 09:22
Letzter Beitrag: Y-P

Gehe zu: