INFO: Dieses Forum nutzt Cookies...
Cookies sind für den Betrieb des Forums unverzichtbar. Mit der Nutzung des Forums erklärst Du dich damit einverstanden, dass wir Cookies verwenden.

Es wird in jedem Fall ein Cookie gesetzt um diesen Hinweis nicht mehr zu erhalten. Desweiteren setzen wir Google Adsense und Google Analytics ein.


Antwort schreiben 

xy-Graph: Zugriff auf mehrere Plots



Wenn dein Problem oder deine Frage geklärt worden ist, markiere den Beitrag als "Lösung",
indem du auf den "Lösung" Button rechts unter dem entsprechenden Beitrag klickst. Vielen Dank!

30.08.2007, 10:42 (Dieser Beitrag wurde zuletzt bearbeitet: 30.08.2007 12:05 von Basti_AC.)
Beitrag #1

Basti_AC Offline
LVF-Grünschnabel
*


Beiträge: 32
Registriert seit: Jan 2007

8.6
2006
de

52070
Deutschland
xy-Graph: Zugriff auf mehrere Plots
Hi

ich verstehe nicht, wie man beim xy-Graphen den Zugriff auf mehrere Plots realisieren kann.

Mein Problem ist, dass ich in einer aus mehreren Runs bestehenden Messung die Messdaten alter Runs in unterschiedlichen Farben in ein und demselben Graphen darstellen muss. Ich schaffe es zwar, die alten Daten anzuzeigen (zwischenspeichern in Binärdatei und vor dem nächsten Run auslesen), allerdings haben diese Daten dieselbe Plot-Nummer und damit auch dieselbe Farbe.

Ich arbeite mit einer State Machine (Initialisieren, Messung, Ende der Messung):

-"Ende der Messung" Run-daten werden in Binärdatei geschrieben
-"Initialisieren": alte Run-Daten werden aus Binärdatei ausgelesen und per Property-Node (Value) in den Graphen geschrieben
-"Messung": aktuelle Messwerte werden in den Graphen geschrieben

Ich hoffe diese Struktur ist einigermaßen klargeworden...

Wie kann ich dem Graphen sagen, dass er z.B. die aktuellen Daten in einen neuen Plot schreiben soll?

Aus den LV-Beispielen werde ich nicht so ganz schlau. Der Unterschied zu meinem Problem ist, dass ich die Plots ja nicht gleichzeitig in den Graphen schreibe, sondern erst den kompletten alten Plot, dann Stück für Stück den neuen...


Danke schonmal und Gruß aus Aachen

Bastian


Angehängte Datei(en) Thumbnail(s)
       
Alle Beiträge dieses Benutzers finden
Diese Nachricht in einer Antwort zitieren to top
Anzeige
30.08.2007, 10:55 (Dieser Beitrag wurde zuletzt bearbeitet: 30.08.2007 11:16 von jg.)
Beitrag #2

jg Offline
CLA & CLED
LVF-Team

Beiträge: 15.864
Registriert seit: Jun 2005

20xx / 8.x
1999
EN

Franken...
Deutschland
xy-Graph: Zugriff auf mehrere Plots
' schrieb:Im Anhang sind ein paar Bilder...
Ja, wo sind denn die Bilder??
MfG, Jens

EDIT: Beitrag #1200Smile

Wer die erhabene Weisheit der Mathematik tadelt, nährt sich von Verwirrung. (Leonardo da Vinci)

!! BITTE !! stellt mir keine Fragen über PM, dafür ist das Forum da - andere haben vielleicht auch Interesse an der Antwort!

Einführende Links zu LabVIEW, s. GerdWs Signatur.
Alle Beiträge dieses Benutzers finden
Diese Nachricht in einer Antwort zitieren to top
25.09.2007, 12:21
Beitrag #3

Roksalan Offline
LVF-Grünschnabel
*


Beiträge: 10
Registriert seit: Aug 2006

7.1
2005
kA


Deutschland
xy-Graph: Zugriff auf mehrere Plots
Hallo!!!

Ich habe das selbe Problem!!! Habt ihr die Lösung in zwischen???

Vielleicht könnt Ihr mir weiter helfen!

Aufgabe: für die Y-Achse liegen Signalwerte und für die X-Achse Distance-Werte vor, das läst sich mit XY-Graph darstellen. Wie fügt man aber neue Plots dazu, wenn der User die alte Messungen beibehalten möchte (als Referenz z.B.)

Danke und Gruss

Roksalan


Angehängte Datei(en)
Sonstige .doc  XY_Graph.doc (Größe: 131 KB / Downloads: 245)
Alle Beiträge dieses Benutzers finden
Diese Nachricht in einer Antwort zitieren to top
25.09.2007, 13:18
Beitrag #4

jg Offline
CLA & CLED
LVF-Team

Beiträge: 15.864
Registriert seit: Jun 2005

20xx / 8.x
1999
EN

Franken...
Deutschland
xy-Graph: Zugriff auf mehrere Plots
@Roksalan:

Schau mal hier.

Und nicht Fragen mehrfach stellen!

MfG, Jens

Wer die erhabene Weisheit der Mathematik tadelt, nährt sich von Verwirrung. (Leonardo da Vinci)

!! BITTE !! stellt mir keine Fragen über PM, dafür ist das Forum da - andere haben vielleicht auch Interesse an der Antwort!

Einführende Links zu LabVIEW, s. GerdWs Signatur.
Alle Beiträge dieses Benutzers finden
Diese Nachricht in einer Antwort zitieren to top
25.09.2007, 14:48 (Dieser Beitrag wurde zuletzt bearbeitet: 22.12.2007 18:35 von jg.)
Beitrag #5

Lucki Offline
Tech.Exp.2.Klasse
LVF-Team

Beiträge: 7.699
Registriert seit: Mar 2006

LV 2016-18 prof.
1995
DE

01108
Deutschland
xy-Graph: Zugriff auf mehrere Plots
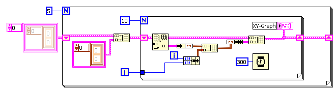
' schrieb:Wie kann ich dem Graphen sagen, dass er z.B. die aktuellen Daten in einen neuen Plot schreiben soll?
Du übergibst dem Graphen ja ein Array aus Plots. Einen neuen Plot anlegen heißt nichts weiter, als diesem Array ein neues Element hinzuzufügen. (Siehe unten, äußere For Schleife)
Einen neuen Punkt im letzten Plot anfügen heißt, im letzten Arrayelement einen neuen Punktcluster [X,Y] hinzufügen, (siehe innere Schleife).
   

(VI LV 8.2)


Angehängte Datei(en)
Sonstige .vi  MultiXYPlot.vi (Größe: 17,06 KB / Downloads: 271)
Alle Beiträge dieses Benutzers finden
Diese Nachricht in einer Antwort zitieren to top
30
Antwort schreiben 


Möglicherweise verwandte Themen...
Themen Verfasser Antworten Views Letzter Beitrag
  XY Graph mehrere Plots Hubert R. 2 4.841 03.11.2022 08:45
Letzter Beitrag: Hubert R.
  Plots vom Graph im Diagramm mit Maus ändern Peet 9 13.492 06.05.2022 10:25
Letzter Beitrag: GerdW
  mehrere Graphen im XY Graph seuk 4 7.845 10.01.2019 13:06
Letzter Beitrag: seuk
  Mehrere Plots in XY-Graph über einen Eigenschaftsknoten anzeigen tsa 2 7.675 22.01.2016 14:09
Letzter Beitrag: Lucki
  mehrere Plots in einem XY Graph darstellen tom181 14 30.629 29.08.2015 08:06
Letzter Beitrag: Lucki
  mehrere Plots nacheinander darstellen Erik89 5 7.733 01.05.2015 10:40
Letzter Beitrag: Lucki

Gehe zu: