LabVIEWForum.de - Mehrere Signale auf xy-Graph darstellen?

LabVIEWForum.de

Normale Version: Mehrere Signale auf xy-Graph darstellen?
Du siehst gerade eine vereinfachte Darstellung unserer Inhalte. Normale Ansicht mit richtiger Formatierung.
Seiten: 1 2
Ich möchte 8 Temperaturen über Meßumformer mittels USB-6009 einlesen und darstellen. Die Darstellung aller Signale im Signalverlaufsdiagramm funktioniert ja gut. Jetzt möchte ich aber die Signale im xy-Graph darstellen (x-Achse entspricht der Meßzeit), aber irgendwie zeigt der mir immer nur ein Signal an, wenn ich das so wie im Bild anschließe. Was mach ich falsch?
[attachment=4317]
Hi,

du solltest nicht so viele Express-VIs verwenden...wieder mal: Die stellen Dinge einfach dar, die es nicht sind!

Schau dir mal mit dem LV Example Finder das Beispiel "XY Graph.vi" an, da sind mehrere XY-Plots in einem Anzeigeelement dargestellt. Das lässt sich beliebig aufbohren!

Gruss
Achim

PS: Wenn du dir das Express-VI mal "von innen" anschaust, wirst du sehen, dass das genauso funktioniert wie im genannten Beispiel! Leider kann man wohl nicht mehrere Plots damit darstellen...es wird offenbar automatisch der erste Verlauf aus dem "Dynamic Data Type" ausgewählt!
wenn ich das so mache wie im bild...plottet der nix mehr. Und meine x_achse bleibt auch nicht mehr bei null fixiert...aber das ist nicht wirklich das problem.

[attachment=4318]
Sondern?

Poste doch mal dein VI...

A.
bleibt leer...

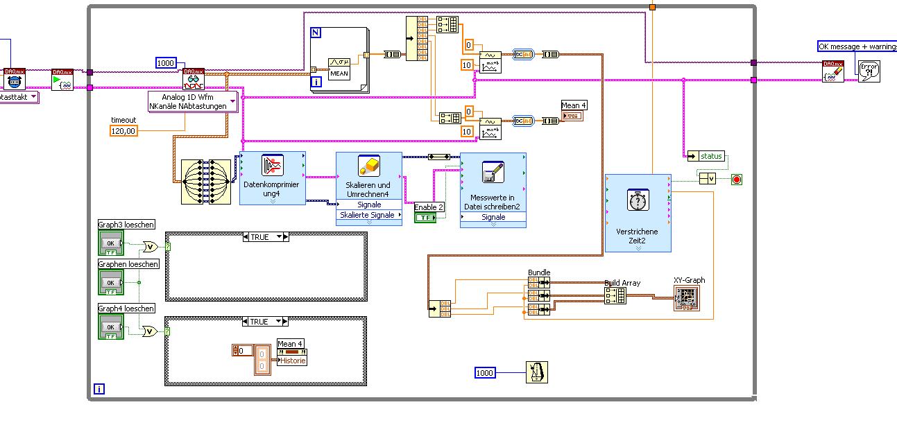
In der unteren while-schleife hab ich das getestet, damit verarbeite ich die daten vom USB-6009 und das sollte dann im frontpanel registerkarte:temperatur angezeigt werden...aber nix kommt.[attachment=3909]
Hab heut vermutlich keine Zeit mehr...vielleicht kann mal jemand anderes sich erbarmen?
...hat denn keiner ne Idee warum mein xy-Graph leer bleibt? Die Zeit läuft ja mit und die y-Achse skaliert sich ja auch nach den tatsächlichen werten, aber angezeigt wird nix.
Hi,

hast du schon mal Proben auf den Einzeldrähten vor dem Bundle platziert? Kommt da was an? Evtl. hast du die Umwandlung von Dynamic nach Waveform falsch gemacht (nach WF Scale und Offset)...ach, da fällt mir ein..evtl. plottest du immer nur einen Punkt der Kurve...sind ja schließlich Einzelwert vor dem Bundle und keine Arrays! Der XY Graph ist kein (!) Chart, dass die alten Werte behält! Du musst also alle Werte sammeln. Stichwort: Schieberegister + Build Array, d.h. neue Werte mit Build Array an die alten anhängen und alles zusammen per Schieberegister in die nächste Iteration schleifen und natürlich auch auf den Graph schreiben.

Probier das mal...

A.
...hab jetzt wieder mein siganlverlauf hingekriegt mittels ExpressVI:xygraph erstellen, aber der gibt ja dann nur ein signal aus. kann ich evtl. für jedes Signal das ExpressVi benutzen und das dann zusammenführen und auf ein xyGraph ausgeben? Wenn ja, wie nur?
Hi,

Wie Achim schon erwaehnt hat, musst du mit Schieberregiestern arbeiten, damit am Ende auch Daten in deinem XY-Graph angezeigt werden. Ein XY-Graph erwartet als Input je ein ARRAY fuer die X- und Y-Achse, welche in einem Cluster zusammengefasst sind. Mehrere solche Cluster in einem Array zusammengefasst (z.B. mit der Build-Array-Funktion) ergeben einen Multi-XY-Graph, wie du ihn erzeugen moechtest.

D solltest du von den Express-VI wegkommen. Die Funktionalitaet dieser VI kann man auch relativ schnell selbst programmieren. In deinem Fall funktioniert das mit dem Express-VI vermutlich sowieso nicht, da der Datentyp am Ausgang des "Build XY ..." VI kein Cluster of Arrays ist und somit nicht fuer ein X-Y-Multiplot als Input geeignet ist.

Viele Gruesse,
Mirko
Seiten: 1 2
Referenz-URLs