04.09.2012, 10:53
Hallo,
ich bräuchte eine Meinung von erfahrenen LabVIEW Anwendern. Ich muss ein VI erstellen, welches eine Datei mit ausgewählten Konfigurationsdaten auf der Festplatte speichert. Es soll z.B. möglich sein die Übertragungsrate und Interleaving (Modem) einzustellen. Es sollen im VI alle Übertragungsraten und Interleaving Größen aufgeführt werden, der Anwender wählt die aus, die er benötigt. Das VI soll dann die ausgewählllten Parameter zusammenfassen.
Beispiel:
Ü-Rate: 50, 75, 100, 200, 300, 600, 1200, 2400
Interleaving: short, medium, long
Anwender wählt aus: Ü-Rate 50, 100, 600, 1200; Interleaving short, long
Das Programm soll eine Datei erstellen, die Folgendes enthält:
50 short%
50 long%
100 short%
100 long%
600 short%
600 long%
1200 short%
1200 long%
Das Prozent-Zeichen steht da, damit ein anderes VI später erkennt, dass die Angabe der ersten Einstellungen zu Ende ist.
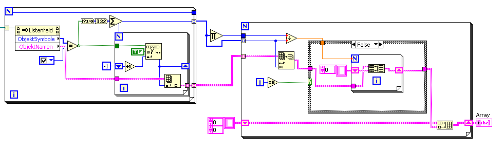
Ich dachte als erstes daran, alles in Case Strukturen zu verpacken. Es sind insgesamt sieben Einstellungsparameter: die Ü-Rate, Interleaving, Synchronität, Parität, Wortlänge, Stopbits, Baudrate. Es sind 12 Ü-Raten, 7 Interleaving Größen, Synchron/asynchron, Parität/keine Parität, drei Wortlängen, 3 Stopbit-Längen und 10 Baud-Raten. Ihr seht, alles in Case Strukturen abzufragen wäre ziemlich aufwendig und ich denke auch unübersichtlich.
Ich habe mir überlegt, alle Einstellungen als Checkboxen, zusammengefasst in unterschiedlichen Clustern, darzustellen (Ü-Rate Cluster, Interleaving-Cluster...). Dann könnte ich eventuell die Bezeichnungen aus jedem Cluster als String auslesen (von den gewählten Boxeb), getrennt mit einem Unterstrich oder so. Und dann in einer Schleife die Strings durchgehen und die einzelnen Parameter zusammenfassen. Versteht ihr, was ich meine? Ich komme aber nicht drauf, wie ich die Bezeichnungen als String auslesen kann. Kann mir da jemand helfen?
Oder habt ihr eventuell andere Ideen, wie man diese Aufgabe mit weniger Aufwand und übersichtlicher lösen könnte? Ich wäre euch für jeden Tipp dankbar!
Grüße
Alexa
ich bräuchte eine Meinung von erfahrenen LabVIEW Anwendern. Ich muss ein VI erstellen, welches eine Datei mit ausgewählten Konfigurationsdaten auf der Festplatte speichert. Es soll z.B. möglich sein die Übertragungsrate und Interleaving (Modem) einzustellen. Es sollen im VI alle Übertragungsraten und Interleaving Größen aufgeführt werden, der Anwender wählt die aus, die er benötigt. Das VI soll dann die ausgewählllten Parameter zusammenfassen.
Beispiel:
Ü-Rate: 50, 75, 100, 200, 300, 600, 1200, 2400
Interleaving: short, medium, long
Anwender wählt aus: Ü-Rate 50, 100, 600, 1200; Interleaving short, long
Das Programm soll eine Datei erstellen, die Folgendes enthält:
50 short%
50 long%
100 short%
100 long%
600 short%
600 long%
1200 short%
1200 long%
Das Prozent-Zeichen steht da, damit ein anderes VI später erkennt, dass die Angabe der ersten Einstellungen zu Ende ist.
Ich dachte als erstes daran, alles in Case Strukturen zu verpacken. Es sind insgesamt sieben Einstellungsparameter: die Ü-Rate, Interleaving, Synchronität, Parität, Wortlänge, Stopbits, Baudrate. Es sind 12 Ü-Raten, 7 Interleaving Größen, Synchron/asynchron, Parität/keine Parität, drei Wortlängen, 3 Stopbit-Längen und 10 Baud-Raten. Ihr seht, alles in Case Strukturen abzufragen wäre ziemlich aufwendig und ich denke auch unübersichtlich.
Ich habe mir überlegt, alle Einstellungen als Checkboxen, zusammengefasst in unterschiedlichen Clustern, darzustellen (Ü-Rate Cluster, Interleaving-Cluster...). Dann könnte ich eventuell die Bezeichnungen aus jedem Cluster als String auslesen (von den gewählten Boxeb), getrennt mit einem Unterstrich oder so. Und dann in einer Schleife die Strings durchgehen und die einzelnen Parameter zusammenfassen. Versteht ihr, was ich meine? Ich komme aber nicht drauf, wie ich die Bezeichnungen als String auslesen kann. Kann mir da jemand helfen?
Oder habt ihr eventuell andere Ideen, wie man diese Aufgabe mit weniger Aufwand und übersichtlicher lösen könnte? Ich wäre euch für jeden Tipp dankbar!
Grüße
Alexa

Ich bin LabVIEW Anfänger und kenne mich noch nicht so gut damit aus. Aus diesem Grund kann ich die einen oder anderen Teile des VIs auch nicht ganz nachvollziehen. Ich werde es aber weiterhin auseinander nehmen 