Hallo Ihr,
wir müssen ein Projekt bearbeiten, kommen aber leider nicht wirklich voran. Vielleicht kann uns ja hier jemand helfen!
Ich habe einmal unsere Aufgabenstellung und den Datensatz hinzugefügr, vilelicht kann uns jemand ein paar tips geben?
Unseren Versuch ahbe ich auch einmal hinzugefügt.
danke schonmal

Was hat Euer Versuch mit der Aufgabe zu tun?
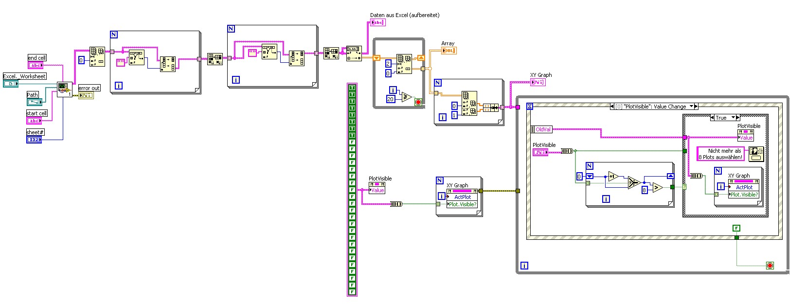
An Eure Verläufe kommt Ihr mit "Index Array". Die Auswahl der Verläufe könntet Ihr mit einem "System Checkbox"-Array machen, das Ihr auf 8 limitiert.
Der Rest ist nur noch das "Füttern" des XY-Graphen.
Gruß Markus
Danke für die Antworten,
leider kommen wir immer noch nicht weiter. Hatte ausversehen eine falsche aufgabe hochgeladen. hier nun einmal unser 2. versuch!
Vielleicht kann uns jetzt jemand helfen.
Wir sind hier, auhc mit den anderen Forenbeiträgen, kläglich am verzweifeln.
Ui, das sieht mal kompliziert aus. Hab nun versucht durchzusteigen, sehr sehr schwer... gibt es da eine einfachere Möglichkeit, für die Darstellung?
Wenn unsere Dozenten so etwas erwarten würde, meine Güte
Meinen Überlegungen nach habe ich mir vorgestellt, dass ich in einem subvi ein array erstelle in spalte 1/2 datensatz 1 ist, in spalte 3/4 datensatz 2 usw.
gibt es dann im hauptprgogramm die möglichkeit, dass man aus den spalten auswählen kann, was meine x und y achse ist und ich dann maximal 8 darstellen kann?
so würde ich mein sub vi machen? macht das überhaupt sinn, meine überlegung?
Danke für die Hilfe!!!
OK, hier noch mit Euren 8 Plots, weil ich gerade Urlaub habe und weil bald Weihnachten ist

:
[
attachment=42762]
[
attachment=42759]
[
attachment=42761]
Gruß Markus
EDIT: Mit dem "Read from Spreadsheet File.vi" aus Deinem Bsp. kommst Du bei einer XLS-Datei nicht weit. Da brauchst Du ActiveX. Für TXT oder CSV-Dateien könntest Du das verwenden.
EDIT2: Bitte Groß- und Kleischreibung beachten.

Dankeschön

werde mich die Tage dann mal richtig durch fuchsen! Wobei ich nicht dachte, dass es am Ende so komplex aussehen kann...
Frohe Weihnachten dann!
Naja, das ist Ansichtssache.

Euch auch frohe Weihnachten.
Gruß Markus
(20.12.2012 12:17 )krümel schrieb: [ -> ]Wobei ich nicht dachte, dass es am Ende so komplex aussehen kann...
Frohe Weihnachten dann!
Hallo,
wir haben über Weihnachten und Silvester versucht es zu verstehen zu machen etc.
Leider verstehen wir so gut wie nur Bahnhof.
Gibt es vielleicht eine einfachere Lösung oder ähnliches?
Fragen die bei uns auftauchen:
Warum muss man im SubVIWorkbook, Worksheet etc. so oft benutzen?
Warum close reference?
Gibt es vielleicht eine Möglichekti, die Excel Datei erst in eine Textdatei umzuformen dn dann einzufügen??