02.02.2014, 17:21
Guten Tag liebe Forumgemeinde,
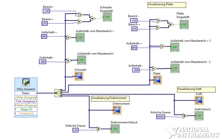
im Rahmen eines Projektes muss ich mehrere Sensoren über einen NI9219 auslesen und darstellen. Als Sensoren sind zwei induktive Wegmesstaster (0-10V) und zwei DMS Sensoren (Kraft und Drehmoment) angeschlossen. Nun kommt es zu folgendem Problem:
Im DAQ Assistenten habe ich einen Task mit allen Sensoren angelegt und soweit eingestellt. Um die Werte der empfindlichen Wegmesstaster zu erhalten wälte ich den A/D-Wandler-Timer-Modus "Hohe Geschwindigkeit". Das Ergebnis ist folgendes, die Wegmesstaster funktionieren wie ich es mir vorstelle.
Probleme machen mir die DMS Sensoren, welche ich als Kraft(Brücke) und Drehmoment (Brücke) eingerichtet habe. Diese spinnen rum und springen vom angezeiten Wert her hin und her. Wechsele ich den A/D Modus auf "hohe Genauigkeit" funktionieren sie perfekt, bloß leider sind mir dann die Wegmesstaster zu träge.
Hat jemand eine Idee wie ich das anders realisieren kann?
PS: Absoluter LAbView Neuling
[attachment=48349]
im Rahmen eines Projektes muss ich mehrere Sensoren über einen NI9219 auslesen und darstellen. Als Sensoren sind zwei induktive Wegmesstaster (0-10V) und zwei DMS Sensoren (Kraft und Drehmoment) angeschlossen. Nun kommt es zu folgendem Problem:
Im DAQ Assistenten habe ich einen Task mit allen Sensoren angelegt und soweit eingestellt. Um die Werte der empfindlichen Wegmesstaster zu erhalten wälte ich den A/D-Wandler-Timer-Modus "Hohe Geschwindigkeit". Das Ergebnis ist folgendes, die Wegmesstaster funktionieren wie ich es mir vorstelle.
Probleme machen mir die DMS Sensoren, welche ich als Kraft(Brücke) und Drehmoment (Brücke) eingerichtet habe. Diese spinnen rum und springen vom angezeiten Wert her hin und her. Wechsele ich den A/D Modus auf "hohe Genauigkeit" funktionieren sie perfekt, bloß leider sind mir dann die Wegmesstaster zu träge.

Hat jemand eine Idee wie ich das anders realisieren kann?
PS: Absoluter LAbView Neuling

[attachment=48349]



