07.12.2020, 14:26
Hallo zusammen,
ich beschäftige mich seit kurzem mit Labview und einer NI myDAQ-Karte bzw. bin kein Profi auf diesem Gebiet. Konkret geht es um ein Ansteuersignal für ein Einspritzventil. Laut hersteller wird dieses geöffnet, wenn es ein Signal von mindestens 5ms bekommt. Dieses Signal habe ich mir bei einer Messung abgegriffen und auf ein Oszi gepackt, um mein Programm am Schreibtisch zu testen. Das Signal ist in der realen Umgebung aperiodisch, da es aber sonst zu lang wäre habe ich mir ein Teilstück herausgeschnitten, dass zufälligerweise periodisch aussieht. Das Signal sieht wie folgt aus:[attachment=61456]
Nun zu meinem Problem:
Ich möchte quasi zählen wie oft dieses Signal zustande kommt. Ich gehe davon aus, dass durch die große Anzahl an Samples/s (ca. 200000 Samples/s) es nicht ohne Weiteres möglich ist. Leider habe ich keine passende Idee, wie ich das umsetzen soll.
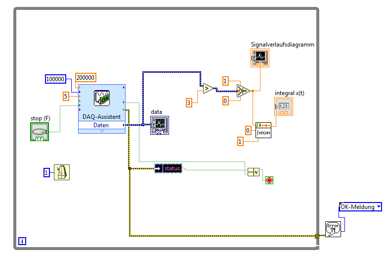
Mein erster Gedanke war, zu vergleichen ob das Signal größer einem festgeletem Schwellenwert ist und danach über ein Integral hoch zu zählen. Das funktioniert aber nicht. Ich nehme mal an, dass der Vergleicher nicht schnell genung ist oder der Datentyp nicht passt.
Hier nochmal mein Gedanke:[attachment=61457]
Nun ist die Frage, ob es eine Möglichkeit gibt die Anzahl dieser Ereignisse zu erfassen? Sei es über die Dauer des Spannungssignals oder über den Spannungswert. Ich habe mich schon durchprobiert und leider noch keine Lösung gefunden.
Ich bedanke mich schoneinmal im Voraus für Antworten.
Mit freundlichen Grüßen
ich beschäftige mich seit kurzem mit Labview und einer NI myDAQ-Karte bzw. bin kein Profi auf diesem Gebiet. Konkret geht es um ein Ansteuersignal für ein Einspritzventil. Laut hersteller wird dieses geöffnet, wenn es ein Signal von mindestens 5ms bekommt. Dieses Signal habe ich mir bei einer Messung abgegriffen und auf ein Oszi gepackt, um mein Programm am Schreibtisch zu testen. Das Signal ist in der realen Umgebung aperiodisch, da es aber sonst zu lang wäre habe ich mir ein Teilstück herausgeschnitten, dass zufälligerweise periodisch aussieht. Das Signal sieht wie folgt aus:[attachment=61456]
Nun zu meinem Problem:
Ich möchte quasi zählen wie oft dieses Signal zustande kommt. Ich gehe davon aus, dass durch die große Anzahl an Samples/s (ca. 200000 Samples/s) es nicht ohne Weiteres möglich ist. Leider habe ich keine passende Idee, wie ich das umsetzen soll.
Mein erster Gedanke war, zu vergleichen ob das Signal größer einem festgeletem Schwellenwert ist und danach über ein Integral hoch zu zählen. Das funktioniert aber nicht. Ich nehme mal an, dass der Vergleicher nicht schnell genung ist oder der Datentyp nicht passt.
Hier nochmal mein Gedanke:[attachment=61457]
Nun ist die Frage, ob es eine Möglichkeit gibt die Anzahl dieser Ereignisse zu erfassen? Sei es über die Dauer des Spannungssignals oder über den Spannungswert. Ich habe mich schon durchprobiert und leider noch keine Lösung gefunden.

Ich bedanke mich schoneinmal im Voraus für Antworten.
Mit freundlichen Grüßen

