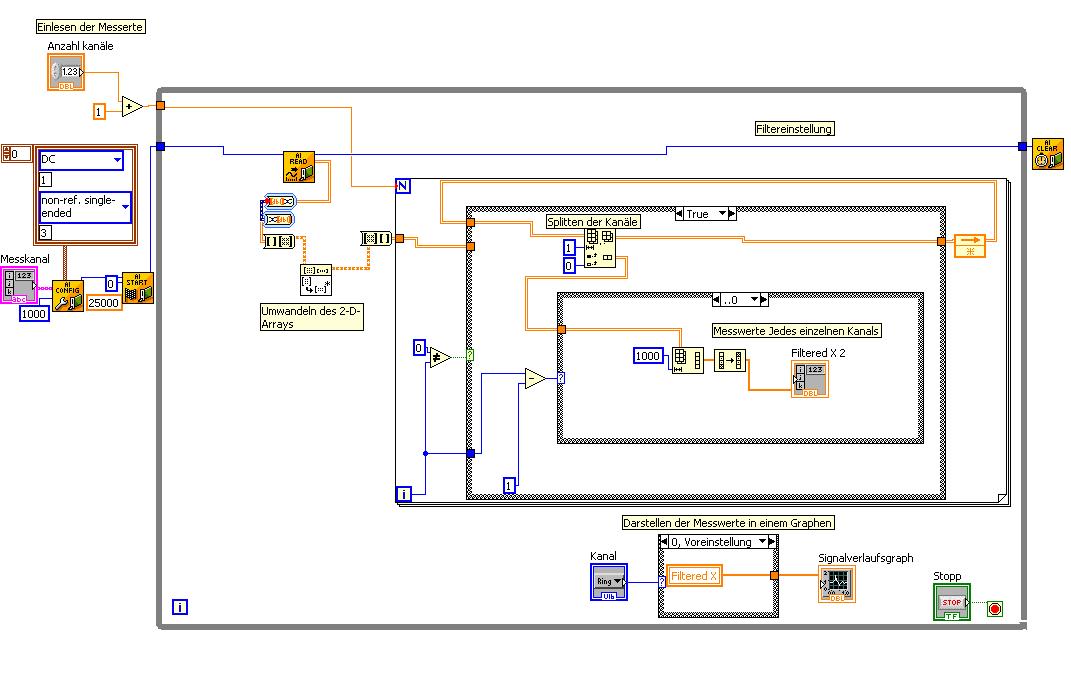
Probleme beim Einlesen |
Wenn dein Problem oder deine Frage geklärt worden ist, markiere den Beitrag als "Lösung",
indem du auf den "Lösung" Button rechts unter dem entsprechenden Beitrag klickst. Vielen Dank!
| 30
|
|
|
| Möglicherweise verwandte Themen... | |||||
| Themen | Verfasser | Antworten | Views | Letzter Beitrag | |
| Probleme beim Analoginput falscher Wert | 1johleh | 1 | 4.603 |
19.10.2009 10:29 Letzter Beitrag: 1johleh |
|
| Timing Problem beim Einlesen von CAN-Bus Signalen | MrTaliman | 3 | 8.879 |
21.03.2007 21:40 Letzter Beitrag: eg |
|






