INFO: Dieses Forum nutzt Cookies...
Cookies sind für den Betrieb des Forums unverzichtbar. Mit der Nutzung des Forums erklärst Du dich damit einverstanden, dass wir Cookies verwenden.

Es wird in jedem Fall ein Cookie gesetzt um diesen Hinweis nicht mehr zu erhalten. Desweiteren setzen wir Google Adsense und Google Analytics ein.


Antwort schreiben 

2D Array erstellen; Anzahl Zeilen abhängig von Cases



Wenn dein Problem oder deine Frage geklärt worden ist, markiere den Beitrag als "Lösung",
indem du auf den "Lösung" Button rechts unter dem entsprechenden Beitrag klickst. Vielen Dank!

24.08.2010, 09:18
Beitrag #11

Falk Offline
ja, das bin ich...
***


Beiträge: 343
Registriert seit: Jan 2006

8.0 :: 201x ::202x
2006
DE_EN


Deutschland
2D Array erstellen; Anzahl Zeilen abhängig von Cases
Moin Dommas!

' schrieb:Ich verstehe nicht ganz, was du in deiner Schleife so anstellst.

Ich habe auch gerade versucht zu verstehen was du nun genau machen willst. Bisher stehe ich allerdings vollkommen auf dem Schlauch. Die erste Frage die mir aufkam ist die, was die Schleife denn nun genau machen soll? Sollen deine Arrays in nächsten Schleifendurchlauf weiterverarbeitet werden und betrachten wir das ganz nur statisch?
Des weiteren ist die Frage, ob bei der späteren Behandlung für dich die Info notwendig ist in welchen Case Daten zu deinen Array hinzugefügt wurden. Falls ja nehme doch statt 9 Elemente pro Reihe 10 und nutze das 0te Element dazu um dir eine Idee deines Case dort zu hinterlegen. Vorteil du brauchst nur dann was zu deinem Array hinzufügen, wenn das auch muss und hast trotzdem die Info woher die Daten stammen. Oder ist das Resultat 8x9 letztlich entscheidend?

Schöne Grüße
Falk

Currently: zzzZZZZZZZZ
Webseite des Benutzers besuchen Alle Beiträge dieses Benutzers finden
Diese Nachricht in einer Antwort zitieren to top
Anzeige
24.08.2010, 09:57 (Dieser Beitrag wurde zuletzt bearbeitet: 24.08.2010 10:26 von Dommas.)
Beitrag #12

Dommas Offline
LVF-Gelegenheitsschreiber
**


Beiträge: 93
Registriert seit: Jul 2010

2010
2008
DE_EN

86741
Deutschland
2D Array erstellen; Anzahl Zeilen abhängig von Cases
Hallo,

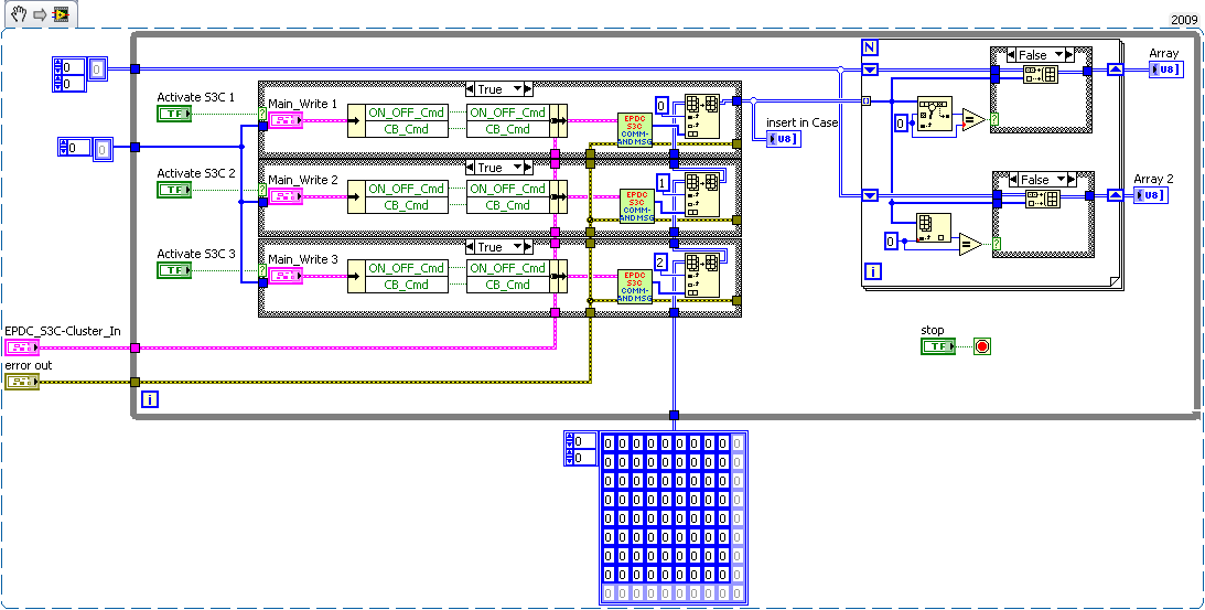
ich habe jetzt nochmal ein bischen umgebaut, ich hoffe jetzt wirds klarer. Die Sachen, die ich gelöscht habe, sollten sowas wie alternative Wege darstellen, aber ich glaube das war einfach nur Blödsinn.

Der Übersichtlichkeit halber habe ich hier nur einen Teil des ganzen VIs (also auch der Schleife) und auch nur 3 Cases dargestellt, insgesamt sind es aber 8, dazu gleich mehr. Die Arrays die am Ende erstellt werden (eines davon fällt noch weg) werden im gleichen Schleifendurchlauf noch verarbeitet.

Die Schleife soll, wenn ein Case aktiviert ist, aus dem Cluster die jeweiligen Werte holen, und im SubVI (EPDC_S3C_Command) ein Array daraus erstellen, das dann ein Format hat, das ich direkt auf den CAN schreiben kann. Ein Case steht also immer für ein Gerät am CAN.
Ich kann maximal 8 Geräte anschließen, deswegen soll das fertige 2D-Array 8 Zeilen haben. Die 9 Spalten sind meine 8 Byte CAN Daten und ein Element das später im Programm wieder gelöscht wird (das ist sowas in der Art, wie Falk gesagt hat), aber dazwischen drin noch gebraucht wird.
Die FOR-Schleife habe ich drin um aus dem auf 8x9 Elemente initialisierte Array die leeren Zeilen wieder zu löschen. Array oder Array2 ist dann das Ding, dass ich auf den CAN geben will. Wobei ich noch schauen will (interessehalber), ob ich einen Unterschied bei der Geschwindigkeit merke, wenn ich nach einem Element "0" suche und dann schaue, ob das an 0ter Stelle steht (oberer Case in der FOR-Schleife), oder wenn ich ihm sage schau dir das 0te Element an, ob das 0 ist.

Soviel zum Hintergrund.

Da ich damit rechne, dass mit den VIs Dauerlauftests gemacht werden sollen, möchte ich jetzt gerne sicherstellen, dass das Array speichermäßig immer das gleiche ist, also dass ich nicht durch irgendwelche Programmierfehler oder Unachtsamkeiten meinen Speicher voll mülle.
Ist das jetzt so sichergestellt, oder wo muss ich da noch was ändern, dass das passt?

{EDIT:
Und ich sehe gerade, dass ich in der FOR-Schleife auch mit Replace arbeiten muss, oder? Dann einfach den Iterator an "Index(row)" vom Replace anschließen und es müsste klappen denke ich mal, oder?

OK, das geht nicht. Replace geht ja nur mit einem Initialisierten Array}


Ich hoffe Ihr versteht jetzt halbwegs was ich will/brauche.

Danke und Gruß
Dommas

Lv09_img2


Angehängte Datei(en) Thumbnail(s)
   
Alle Beiträge dieses Benutzers finden
Diese Nachricht in einer Antwort zitieren to top
24.08.2010, 10:33
Beitrag #13

GerdW Offline
______________
LVF-Team

Beiträge: 17.540
Registriert seit: May 2009

LV2019 (LV2021)
1995
DE_EN

10×××
Deutschland
2D Array erstellen; Anzahl Zeilen abhängig von Cases
Hallo Dommas,

solange du nur mit 8*9 Werte arbeitest, würde ich diesen Aufwand mit Array-Konstante, Zeilen ersetzen, leere Zeile löschen etc. sparen und einfach die nötigen Zeilen per BuildArray zusammensetzen.
Jeder auch nur halbwegs moderne Rechner schafft das in <5µs und müllt dabei nicht den Speicher zu. (LabVIEW ist da manchmal intelligenter, als man denkt und benutzt schon einmal angeforderten Speicher erneut...)

Alle Beiträge dieses Benutzers finden
Diese Nachricht in einer Antwort zitieren to top
24.08.2010, 10:40
Beitrag #14

Dommas Offline
LVF-Gelegenheitsschreiber
**


Beiträge: 93
Registriert seit: Jul 2010

2010
2008
DE_EN

86741
Deutschland
2D Array erstellen; Anzahl Zeilen abhängig von Cases
Ok, alles klar. Dann mach ich das einfach mal so und zerbrich mir nicht weiter den Kopf.

Danke schön
Alle Beiträge dieses Benutzers finden
Diese Nachricht in einer Antwort zitieren to top
Antwort schreiben 


Möglicherweise verwandte Themen...
Themen Verfasser Antworten Views Letzter Beitrag
  2D Array einzelne Zeilen in anderes Array michi96 2 4.654 15.12.2021 10:53
Letzter Beitrag: michi96
  Bestimmte Zeilen im Array löschen wenn Bedingung nicht erfüllt ist bachatero18 4 6.479 31.03.2020 14:49
Letzter Beitrag: bachatero18
  Anzahl beschriebener Zeilen einer Tabelle jan_1 17 12.973 15.03.2017 12:54
Letzter Beitrag: GerdW
  aus Zeichenkette Array erstellen hubem14 5 6.545 16.08.2016 15:50
Letzter Beitrag: Freddy
  Zeilen einer Tabelle ausblenden chrissy 6 7.339 19.07.2016 07:38
Letzter Beitrag: Freddy
  Array Zeilen mit Boolean ausblenden hubem14 7 8.377 18.07.2016 12:54
Letzter Beitrag: hubem14

Gehe zu: