INFO: Dieses Forum nutzt Cookies...
Cookies sind für den Betrieb des Forums unverzichtbar. Mit der Nutzung des Forums erklärst Du dich damit einverstanden, dass wir Cookies verwenden.

Es wird in jedem Fall ein Cookie gesetzt um diesen Hinweis nicht mehr zu erhalten. Desweiteren setzen wir Google Adsense und Google Analytics ein.


Antwort schreiben 

AFG und Transientenrecorder



Wenn dein Problem oder deine Frage geklärt worden ist, markiere den Beitrag als "Lösung",
indem du auf den "Lösung" Button rechts unter dem entsprechenden Beitrag klickst. Vielen Dank!

20.06.2006, 20:11 (Dieser Beitrag wurde zuletzt bearbeitet: 19.01.2007 20:33 von Dennis.Moser.)
Beitrag #1

Falk Offline
ja, das bin ich...
***


Beiträge: 343
Registriert seit: Jan 2006

8.0 :: 201x ::202x
2006
DE_EN


Deutschland
AFG und Transientenrecorder
Einen wunderschönen guten Abend zusammen!

Ich schreibe diesen Beitrag, weil ich mich etwas festgefahren habe und soc richtig keine Ideen mehr habe. Darum hoffe ich hier den einen oder anderen zu finden, der mich wieder etwas anstossen kann.

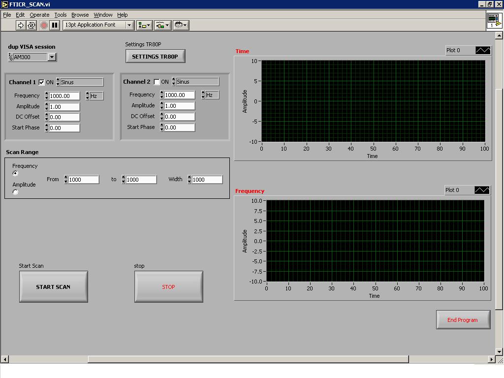
Folgende Aufgabenstellung in Kurzfassung. Ich habe einen AFG und einen Transientenrecorder. Damit 2 unterschiedliche Geräte. Das Programm soll es für den Benutzer ermöglichen einen Frequenzscan bzw. Amplitudescan zum realisieren. D.h. der AFG gibt eine Sinus mit Frequenz, Amplitude und Phase vor, dann wird der Transientenrecorder ausgelesen (Messsignal entspricht einem Zeitsignal). Anschließend soll eine Fouriertransformation vorgenommen werden. Und dieser Algorithmus halt in einem vorgegebenen Intervall duchlaufend.

Mein Grundgerüst steht soweit auch schon. Ich habe mal das Frontpanel und das Diagramm als Anhang mit angehängt.

Ein wesentliches Problem ist derzeit für mich die Parameterübergabe zur Konfiguration z.B. des Transientenrecorders. Ich habe zahlreiche Parameter, die der Benutzer vor Beginn des Scans einstellen kann bzw. muss (soll über eine Subvi geschehen, die als Dialog wirkt).
Nun habe ich in der Scan Loop das Setzen des AFG und das Auslesens des Transientenrecorders wiederrum in eine Subvi names Scan.vi gelegt. Mein Problem ist nun, wie ich die gesetzen Parameter aus der Dialog.vi in die Scan.vi bekomme, ohne mit Drähten um mich zu werfen.

Ich hoffe jemand versteht mein Anliegen, wenn nicht bitte einfach konkret nachfragen.

Freue mich über eine kleine hilfreiche Diskussionsrunde.

Schöne Grüße
der Endanwender

   
   

Currently: zzzZZZZZZZZ
Webseite des Benutzers besuchen Alle Beiträge dieses Benutzers finden
Diese Nachricht in einer Antwort zitieren to top
21.06.2006, 07:26
Beitrag #2

Achim Offline
*****
*****


Beiträge: 4.226
Registriert seit: Nov 2005

20xx
2000
EN

978xx
Deutschland
AFG und Transientenrecorder
Hi,

aus irgend einem Grund kann ich das FP-Bild nicht runterladen...

Aber: Wenn ichs richtig verstanden hab, dann sind es VIELE Parameter, und du hast nicht genug Anschlüsse am ScanVI, bzw. es wird ganz schön unübersichtlich.

Vorschlag: Fass auf dem FP des DialogVI alle Eingabefelder in einem Cluster zusammen, dann hast du einen "dicken" Draht. Die Kopie von dem Cluster verwendest du als Anschluss wieder im ScanVI. Am besten erstellst du dieses EingabeCluster als Typdefinition, dann würde eine Änderung (z.B. Ergänzung um einen weiteren Parameter) im DialogVI automatisch übernommen. Wie das geht, steht in der LV-Hilfe!

Du kannst im erstellten Cluster auch "UnterCluster" erstellen, z.B. um bestimmte Parameter zu gruppieren. LV ist da geduldig, du kannst beliebig schachteln (Arrays von Clustern von Clustern von Arrays....) Aber vorsicht: Nach meiner Erfahrung sind mehr als zwei Ebenen erstens schlecht zu handhaben und zweitens verbrät man damit auch ordentlich Rechenzeit...also nicht geeignet für mehrere Aufrufe hintereinander!

Gruss
Achim

"Is there some mightier sage, of whom we have yet to learn?"

"Opportunity is missed by most people because it is dressed in overalls and looks like work." (Thomas Edison)
Alle Beiträge dieses Benutzers finden
Diese Nachricht in einer Antwort zitieren to top
07.07.2006, 08:57
Beitrag #3

Falk Offline
ja, das bin ich...
***


Beiträge: 343
Registriert seit: Jan 2006

8.0 :: 201x ::202x
2006
DE_EN


Deutschland
AFG und Transientenrecorder
' schrieb:Hi,

aus irgend einem Grund kann ich das FP-Bild nicht runterladen...

Aber: Wenn ichs richtig verstanden hab, dann sind es VIELE Parameter, und du hast nicht genug Anschlüsse am ScanVI, bzw. es wird ganz schön unübersichtlich.

Vorschlag: Fass auf dem FP des DialogVI alle Eingabefelder in einem Cluster zusammen, dann hast du einen "dicken" Draht. Die Kopie von dem Cluster verwendest du als Anschluss wieder im ScanVI. Am besten erstellst du dieses EingabeCluster als Typdefinition, dann würde eine Änderung (z.B. Ergänzung um einen weiteren Parameter) im DialogVI automatisch übernommen. Wie das geht, steht in der LV-Hilfe!

Du kannst im erstellten Cluster auch "UnterCluster" erstellen, z.B. um bestimmte Parameter zu gruppieren. LV ist da geduldig, du kannst beliebig schachteln (Arrays von Clustern von Clustern von Arrays....) Aber vorsicht: Nach meiner Erfahrung sind mehr als zwei Ebenen erstens schlecht zu handhaben und zweitens verbrät man damit auch ordentlich Rechenzeit...also nicht geeignet für mehrere Aufrufe hintereinander!

Gruss
Achim

Hallo Achim!

Mit doch etwas größerer Verspätung, möchte ich mich für Deine Hilfestellung bedanken. Habe das auch in so etwa umgesetzt.

Nun habe ich noch eine andere Frage. Ich habe in meinem Scan.VI nun eine Schleife drin, die alle Parameter abarbeitet und die entsprechenden Geräte setzt bzw. ausliest. Nun wollte ich aber gerne, dass mit von jedem einzelnen Scan die Ergebnisse auf dem GUI in einem Graphen angezeigt werden. Der Benutzer soll so zum einen sehen, dass der Scan läuft als auch stets einen Überblick über die Messwerte erhalten. Nun ist die Frage die, wie ich die Graphen auf dem GUI mit den Werten der Scans füllen kann. Dachte da irgendwie per Property Node, aber weiß nicht wie ich das genau umsetzen könnte?

Schöne Grüße
der Endanwender

Currently: zzzZZZZZZZZ
Webseite des Benutzers besuchen Alle Beiträge dieses Benutzers finden
Diese Nachricht in einer Antwort zitieren to top
30
Antwort schreiben 


Gehe zu: