INFO: Dieses Forum nutzt Cookies...
Cookies sind für den Betrieb des Forums unverzichtbar. Mit der Nutzung des Forums erklärst Du dich damit einverstanden, dass wir Cookies verwenden.

Es wird in jedem Fall ein Cookie gesetzt um diesen Hinweis nicht mehr zu erhalten. Desweiteren setzen wir Google Adsense und Google Analytics ein.


Antwort schreiben 

Bitfolge an Port Senden (NI 6008)



Wenn dein Problem oder deine Frage geklärt worden ist, markiere den Beitrag als "Lösung",
indem du auf den "Lösung" Button rechts unter dem entsprechenden Beitrag klickst. Vielen Dank!

19.11.2012, 13:22 (Dieser Beitrag wurde zuletzt bearbeitet: 19.11.2012 13:23 von dexter.)
Beitrag #1

dexter Offline
LVF-Grünschnabel
*


Beiträge: 28
Registriert seit: May 2010

2011
2012
DE


Deutschland
Bitfolge an Port Senden (NI 6008)
Hallo ich möchte 1 Querschlusserkennung überwachen an 1 Not-Aus Schaltung.
Die Not-Aus Schalung sieht so aus


Angehängte Datei(en) Thumbnail(s)
   
Alle Beiträge dieses Benutzers finden
Diese Nachricht in einer Antwort zitieren to top
Anzeige
19.11.2012, 13:40 (Dieser Beitrag wurde zuletzt bearbeitet: 19.11.2012 13:41 von Y-P.)
Beitrag #2

Y-P Offline
☻ᴥᴥᴥ☻ᴥᴥᴥ☻
LVF-Team

Beiträge: 12.612
Registriert seit: Feb 2006

Developer Suite Core -> LabVIEW 2015 Prof.
2006
EN

71083
Deutschland
RE: Bitfolge an Port Senden (NI 6008)
Bahn

Gruß Markus

(19.11.2012 13:22 )dexter schrieb:  Hallo ich möchte 1 Querschlusserkennung überwachen an 1 Not-Aus Schaltung.
Die Not-Aus Schalung sieht so aus

--------------------------------------------------------------------------
Bitte stellt mir keine Fragen über PM, dafür ist das Forum da - andere haben vielleicht auch Interesse an der Antwort !!
--------------------------------------------------------------------------
Alle Beiträge dieses Benutzers finden
Diese Nachricht in einer Antwort zitieren to top
19.11.2012, 14:28
Beitrag #3

dexter Offline
LVF-Grünschnabel
*


Beiträge: 28
Registriert seit: May 2010

2011
2012
DE


Deutschland
RE: Bitfolge an Port Senden (NI 6008)
Hallo Markus sorry für den Fehler
ich möchte 1 Querschlusserkennung überwachen an 1 Not-Aus Schaltung.
Die Not-Aus Schalung wie gesagt sieht so aus
   


Nun möchte ich 2 unterschiedliche Bitfoge an beide Ausgänge sende und siehe
was an die beide EIngänge ankommt.
Ich habe mir so etwas überlegt bei unbetätigten Taster

Ausgang1 -------------------- Eingang 1
0101------------------------->0101
Ausgang2----------------------Eingang 2
0011-------------------------->0011

Ich habe ein VI geschrieben aber lauft nicht richtig


11.0 .vi  Bitfolge.vi (Größe: 32,87 KB / Downloads: 281)


Besten Dank für Hilfe


lv11_img
Alle Beiträge dieses Benutzers finden
Diese Nachricht in einer Antwort zitieren to top
19.11.2012, 14:41 (Dieser Beitrag wurde zuletzt bearbeitet: 19.11.2012 14:42 von GerdW.)
Beitrag #4

GerdW Offline
______________
LVF-Team

Beiträge: 17.540
Registriert seit: May 2009

LV2019 (LV2021)
1995
DE_EN

10×××
Deutschland
RE: Bitfolge an Port Senden (NI 6008)
Hallo dexter,

Zitat:Ich habe ein VI geschrieben aber lauft nicht richtig
- Du hast in der DAQ-resource mehrere lines (=Kanäle) konfiguriert, deine DAQmxRead/Write-Zugriffe aber jeweils auf "1Kanal, N Werte" gesetzt...
- Die USB6008 ist software-getimed bei den DIOs, da wirst du wenig Freude an Waveform haben...
- Der String ist leer, da kann also keine Waveform generiert werden (dieses subVI, was da verlinkt ist, fehlt bei mir...)
- Du hast beim Lesen keine Samplerate vorgegeben (was bei der USB6008 sowieso nicht funktionieren würde)

Wenigstens hast du auf ExpressVIs verzichtet Big Grin

Alle Beiträge dieses Benutzers finden
Diese Nachricht in einer Antwort zitieren to top
20.11.2012, 11:42
Beitrag #5

dexter Offline
LVF-Grünschnabel
*


Beiträge: 28
Registriert seit: May 2010

2011
2012
DE


Deutschland
RE: Bitfolge an Port Senden (NI 6008)
Hallo Gerd, Hallo alle
danke für die Antwort
Ich habe mit diesem VIs versucht aber es klappt nicht wegen dem Software Takt (mit Highlight- Funktion ein , ist das Ergebnis super!).
Hast du eine Idee wie ich die Booleandaten hintereinander auf den Digital I/O von NI 6008 ausgeben kann oder ander Lösungsvorschlag?
ZB: 0101

DAnke für Hilfe


11.0 .vi  Bitfolge_2.vi (Größe: 30,29 KB / Downloads: 261)
Alle Beiträge dieses Benutzers finden
Diese Nachricht in einer Antwort zitieren to top
21.11.2012, 09:04
Beitrag #6

Y-P Offline
☻ᴥᴥᴥ☻ᴥᴥᴥ☻
LVF-Team

Beiträge: 12.612
Registriert seit: Feb 2006

Developer Suite Core -> LabVIEW 2015 Prof.
2006
EN

71083
Deutschland
RE: Bitfolge an Port Senden (NI 6008)
Was anderes:
Du hast jeweils "Line 0:2" (also 3 Lines) definiert, schreibst aber immer nur einen einzelnen boolschen Wert hinein. Wieso das?

Gruß Markus

--------------------------------------------------------------------------
Bitte stellt mir keine Fragen über PM, dafür ist das Forum da - andere haben vielleicht auch Interesse an der Antwort !!
--------------------------------------------------------------------------
Alle Beiträge dieses Benutzers finden
Diese Nachricht in einer Antwort zitieren to top
Anzeige
21.11.2012, 09:13 (Dieser Beitrag wurde zuletzt bearbeitet: 21.11.2012 09:14 von GerdW.)
Beitrag #7

GerdW Offline
______________
LVF-Team

Beiträge: 17.540
Registriert seit: May 2009

LV2019 (LV2021)
1995
DE_EN

10×××
Deutschland
RE: Bitfolge an Port Senden (NI 6008)
Hallo dexter,

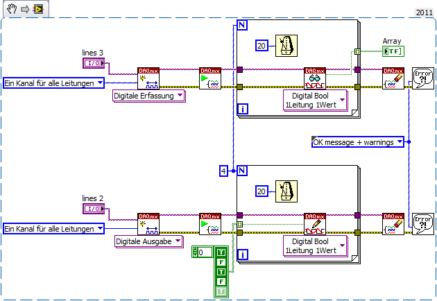
der Umgang mit Arrays ist nicht so deins, oder?
Wozu in jeder FOR-Loop eine Case-Struktur, um in jedem der 4 Cases einen anderen Button abzufragen???

Schau mal hier:
   
Jetzt musst du (immer) noch die Fehler bei der Kanalauswahl ausräumen (siehe Beitrag #4 und #6)...

Alle Beiträge dieses Benutzers finden
Diese Nachricht in einer Antwort zitieren to top
21.11.2012, 10:41
Beitrag #8

dexter Offline
LVF-Grünschnabel
*


Beiträge: 28
Registriert seit: May 2010

2011
2012
DE


Deutschland
RE: Bitfolge an Port Senden (NI 6008)
Hallo Markus, Hallo Gerd
Zitat:
Du hast jeweils "Line 0:2" (also 3 Lines) definiert, schreibst aber immer nur einen einzelnen boolschen Wert hinein. Wieso das?
Warscheinlich ein Fehler beim speichern ich wähle nartürlich nur 1 Kanal. Ich möchte eingentlich
4 verschiedene Bitfolge (zb 1010, 0011, 1100, 0101) in 4 verschiedene Kanäle (Lines) senden Jetzt probiere ich nur mit 1 Kanal ob es geht!

Zitat:
der Umgang mit Arrays ist nicht so deins, oder?
Jetzt musst du (immer) noch die Fehler bei der Kanalauswahl ausräumen

Ja Gerd ich muss mich intensiv mit Array's Thema beschäftigen ! Ich habe auch mit Array probiert aber ich bekomme immer noch falsche Ergebnisse wie vorher. Die NI 6008 reagiert nicht so wie erwartet. Gibt es die Möglichkeit die beide Vorgänge zu synchronisieren?

Danke für Hilfe
Alle Beiträge dieses Benutzers finden
Diese Nachricht in einer Antwort zitieren to top
21.11.2012, 11:02
Beitrag #9

GerdW Offline
______________
LVF-Team

Beiträge: 17.540
Registriert seit: May 2009

LV2019 (LV2021)
1995
DE_EN

10×××
Deutschland
RE: Bitfolge an Port Senden (NI 6008)
Hallo dexter,

die USB6008 ist bei den DIOs software-getaktet, da hast du wenig Möglichkeiten zu synchronisieren...

Alle Beiträge dieses Benutzers finden
Diese Nachricht in einer Antwort zitieren to top
21.11.2012, 11:35
Beitrag #10

jg Offline
CLA & CLED
LVF-Team

Beiträge: 15.864
Registriert seit: Jun 2005

20xx / 8.x
1999
EN

Franken...
Deutschland
RE: Bitfolge an Port Senden (NI 6008)
Read & Write in dieselbe For-Schleife packen, dann laufen die schon mal nicht unabhängig voneinander.

Wenn du eine bestimmte Reihenfolge bei In/Out brauchst, dann per Error-Cluster serialisieren. Alternativ noch eine Sequenz mit einem Wait verwenden.

Gruß, Jens

Wer die erhabene Weisheit der Mathematik tadelt, nährt sich von Verwirrung. (Leonardo da Vinci)

!! BITTE !! stellt mir keine Fragen über PM, dafür ist das Forum da - andere haben vielleicht auch Interesse an der Antwort!

Einführende Links zu LabVIEW, s. GerdWs Signatur.
Alle Beiträge dieses Benutzers finden
Diese Nachricht in einer Antwort zitieren to top
Antwort schreiben 


Möglicherweise verwandte Themen...
Themen Verfasser Antworten Views Letzter Beitrag
  Taktgeber und Bitfolge synchronisieren Ali 3 6.007 18.11.2010 19:26
Letzter Beitrag: Y-P
  Binärwert als Bits an einen Port der PCI-Card senden Fumik 2 4.866 27.10.2009 15:01
Letzter Beitrag: Fumik
  Serielle Bitfolge über DIO (6254) MTP 0 3.282 28.11.2007 15:20
Letzter Beitrag: MTP

Gehe zu: