Moin
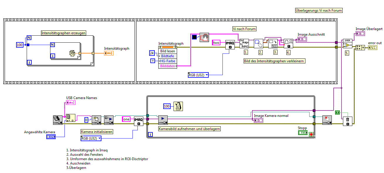
Ich schreibe ein Programm, mit dem das Bild eines Intensitätsgraphen mit dem einer USB-Kamera überlagert werden soll.
Dabei möchte ich zu niedrige Werte "abschneiden" und so das Rest-Bild in dem Imaq-Format überlagern. Ich habe überlegt, die zu niederigen Werte transparent darstellen zu lassen. Dazu verwende ich das "create mask.vi", stelle den Hintergrund als transparent dar, speichere die Grafik als .jpeg und lade dieses ins Imaq-Format.
Wie kann ich jetzt das Bild zurecht schneiden, so dass nur die Farbwerte (Inhalt des Intensitätsgraphs) dargestellt werden?
Wie überlagere ich 2 Bilder in Imaq?
Warum wird in allen Bildanzeigepanels der gleiche Inhalt angezeigt? In wenigstens einem sollte nur die Kamera und in einem andern nur der Graph angezeigt werden.
Lässt sich das noch einfacher gestalten, in dem der Intensitätsgraph direkt in das Imaq-Format umgerechnet wird?
Gibt es auch die Möglichkeit den Intensitätsgraphen mit dem Hintergrund als transparent im Frontpanel über das Imaq-bild zu schieben und so zu überlagern?
Gibt es ein Imaq-Overlay.vi das zwei Bilder direkt überlagert? (keine bitmap piont rectangles.... das Bild ohne Umrechnung)
Das angehängte Programm ist nur ein Teil, aber es funktioniert trotzdem nicht richtig.
Dies ist mein erstes LabVIEW Programm und ich würde mich über rasche Antworten freuen.
Mit freundlichen Grüßen
Vrees89
Verwendet wird:

Studentenversion (32 bit)
Mit
LabViewVision und Imaq-USB
Überlagerung Test.zip (Größe: 47,07 KB / Downloads: 391)