Hallo Galle,
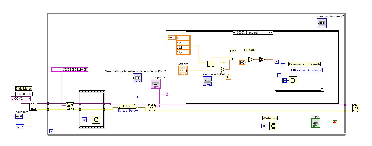
Zitat:Wie kann ich es lösen, dass der linke Teil (die Schreib- und Leseaufforderung an VISA) auch abläuft, wenn die For-Schleife noch arbeitet?
THINK DATAFLOW!
Wenn Dinge parallel ablaufen sollen, musst du sie auch parallel programmieren, d.h. OHNE Datenabhängigkeit!
Zitat:Gibt es eine andere Möglichkeit, dein Signal (hier Variable Geschw. Ausgang2) für eine fest definierte Zeit zu halten?
- Ausgabe von Waveforms mit definiertem Signalverlauf
- Nutzung von Statemachines
Zitat:Gibt es eine Möglichkeit, dies auch schon eher auszugenen? z.B. bei jede, Durchlauf?
Machst du doch schon mit deiner lokalen Variablen! Nur die Abfrage des geschriebenen Wertes hast du nicht korrekt programmiert…
Ansonsten: Queues, Notifier, FGVs, …
Tipps:
- Wenn du Stringkonstanten in Hex-Display nutzt, solltest du auch das "Radix" (bzw. den Darstellungsmodus) anzeigen lassen…
- Deine Skalierung im Case kann man mit einer CompoundArithmetik zusammenfassen. Deine freien Kommentare kannst du als Label der jeweiligen Konstante vergeben…
- AutoCleanup rulez!

- Wozu schreibst du x*10ms lang immer wieder denselben Wert in deine "Variable"? Warum nicht einmal schreiben und dann einfach x*10ms lang warten?