INFO: Dieses Forum nutzt Cookies...
Cookies sind für den Betrieb des Forums unverzichtbar. Mit der Nutzung des Forums erklärst Du dich damit einverstanden, dass wir Cookies verwenden.

Es wird in jedem Fall ein Cookie gesetzt um diesen Hinweis nicht mehr zu erhalten. Desweiteren setzen wir Google Adsense und Google Analytics ein.


Antwort schreiben 

lahmes XControl



Wenn dein Problem oder deine Frage geklärt worden ist, markiere den Beitrag als "Lösung",
indem du auf den "Lösung" Button rechts unter dem entsprechenden Beitrag klickst. Vielen Dank!

26.04.2015, 15:46
Beitrag #1

Hasenfuss Offline
LVF-Stammgast
***


Beiträge: 331
Registriert seit: Dec 2012

2012
2012
DE



lahmes XControl
Hallo,

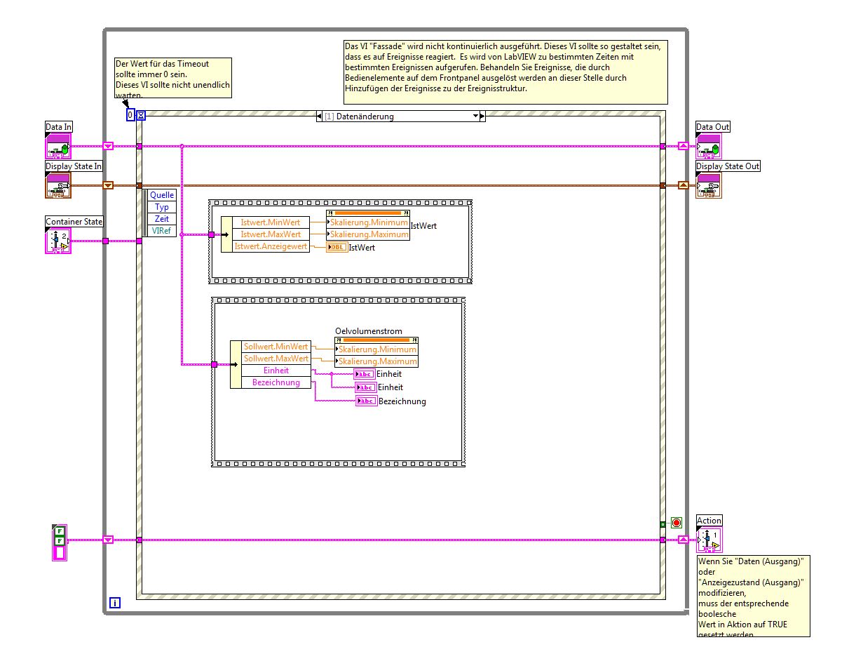
ich habe ein XControl erstellt und nach einiger Zeit festgestellt, dass es ziemlich langsam wird. Ich habe es deshalb als XControl ausgeführt, weil ich das Element 10mal benötige. Im Betrieb soll mit dem Schieberegler die Stellgröße eingestellt werden und in der Anzeige dann der aktuelle Ist-Wert.

Die Anzeige wird aus dem Hauptprogramm alle 100ms aktualisiert.

Beim Betrieb werden die einzelnen XControls nach einiger Zeit ziemlich lahm, irgendwann dauert es eine Weile, bis ein Schieberegler auf einem der XControls reagiert.

Könntet ihr mir ein paar Tipps geben, wie man das XControl, was ich bis jetzt habe, verbessern könnte? Ich würde mich sehr über Eure Hilfe freuen.


Angehängte Datei(en) Thumbnail(s)
           

12.0 .vi  Fassade.vi (Größe: 24,28 KB / Downloads: 213)
Alle Beiträge dieses Benutzers finden
Diese Nachricht in einer Antwort zitieren to top
Anzeige
Antwort schreiben 


Gehe zu: