INFO: Dieses Forum nutzt Cookies...
Cookies sind für den Betrieb des Forums unverzichtbar. Mit der Nutzung des Forums erklärst Du dich damit einverstanden, dass wir Cookies verwenden.

Es wird in jedem Fall ein Cookie gesetzt um diesen Hinweis nicht mehr zu erhalten. Desweiteren setzen wir Google Adsense und Google Analytics ein.


Antwort schreiben 

Hilfe bei XY-Graph



Wenn dein Problem oder deine Frage geklärt worden ist, markiere den Beitrag als "Lösung",
indem du auf den "Lösung" Button rechts unter dem entsprechenden Beitrag klickst. Vielen Dank!

08.11.2006, 17:37 (Dieser Beitrag wurde zuletzt bearbeitet: 15.12.2006 07:37 von Dennis.Moser.)
Beitrag #1

Steve1 Offline
LVF-Gelegenheitsschreiber
**


Beiträge: 65
Registriert seit: Aug 2006

LV8.0
2006
kA

4420
Deutschland
Hilfe bei XY-Graph
Hallo,

hab erneut nen Problem mit einem VI von mir.
Kurze Erläuterung:
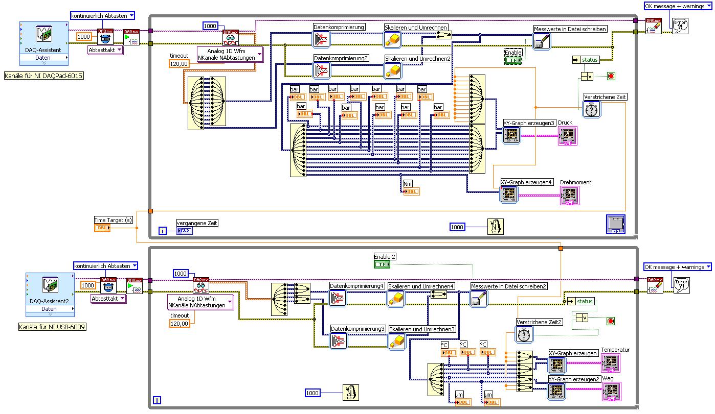
Ich erhalte durch Berechnungen und Einlesen von Werten (über eine bestimmte Zeit) zum einen Zugspannung und zum anderen eine Dehnung (dbl). Diese beiden Werte möchte ich graphisch darstellen. Ich dachte an XY-Graphen!
Deswegen habe ich es mit der For-Schleife und Schieberegister probiert , wie es hier schon oft erwähnt wurde! Funzt aber nicht! Es kommen keine Daten nach dem Bündeln zum Graphen an!
Mit den ExpressVI funzt es erst recht nicht. Auch nicht nach dem Bsp. von "derTetris" siehe:

   

Bin eh nicht unbedingt ein Freund davon, da ich LV von "klein auf" lernen möchte.
Geht es noch anders oder hat jemand ne Idee was ich falsch gemacht habe?

Im Anhang mein VI. Nicht beirren lassen, die Kraft will ich später mittels Eigenschaftsknoten noch exakt ermitteln. Hab sie hier zum besseren Verständnis als Bedienelement reingestellt.
Vielen Dank im Voraus


Angehängte Datei(en)
Sonstige .vi  Berechnungs_VI_mit_ForSchleife.7.11.06.vi (Größe: 25,32 KB / Downloads: 268)
Alle Beiträge dieses Benutzers finden
Diese Nachricht in einer Antwort zitieren to top
Anzeige
08.11.2006, 20:22 (Dieser Beitrag wurde zuletzt bearbeitet: 15.12.2006 07:44 von Dennis.Moser.)
Beitrag #2

ahlers01 Offline
LVF-Gelegenheitsschreiber
**


Beiträge: 143
Registriert seit: Feb 2005

7.1-2011
1993
DE_EN

38116
Deutschland
Hilfe bei XY-Graph
' schrieb:Hallo,

hab erneut nen Problem mit einem VI von mir.
Kurze Erläuterung:
Ich erhalte durch Berechnungen und Einlesen von Werten (über eine bestimmte Zeit) zum einen Zugspannung und zum anderen eine Dehnung (dbl). Diese beiden Werte möchte ich graphisch darstellen. Ich dachte an XY-Graphen!
Deswegen habe ich es mit der For-Schleife und Schieberegister probiert , wie es hier schon oft erwähnt wurde! Funzt aber nicht! Es kommen keine Daten nach dem Bündeln zum Graphen an!
Mit den ExpressVI funzt es erst recht nicht. Auch nicht nach dem Bsp. von "derTetris" siehe:


Bin eh nicht unbedingt ein Freund davon, da ich LV von "klein auf" lernen möchte.
Geht es noch anders oder hat jemand ne Idee was ich falsch gemacht habe?

Im Anhang mein VI. Nicht beirren lassen, die Kraft will ich später mittels Eigenschaftsknoten noch exakt ermitteln. Hab sie hier zum besseren Verständnis als Bedienelement reingestellt.
Vielen Dank im Voraus
In deinem VI läuft die Schleife (für 10000 Iterationen) in ca. 10 msec durch. In der Zeit ändern sich die Bedienelemente aber nicht (so schnell kannst Du gar nicht klicken). Was dann rauskommt, ist ne konstante: y=f(x)=const, und die wird in dem XY graph als waagerechter Strich auch dargestellt.

Wenn Du ne echte Messung simulieren willst musst du die Schleife (mit wait Befehlen) künstlich abbremsen, und dann, während sie läuft, die Bedienelemente verändern. Allerdings wird der XY Graph erst nach Durchlauf der Schleife angezeigt.

Wenn du während des Schleifenlaufs Werte im XY Graph angezeigt haben willst, muss der graph in der Schleife stehen. Wie das geht, ist z.B. in ..ProgrammeNational InstrumentsLabVIEWexamplesgeneralgraphscharts.llbXY Chart.vi gezeigt
Alle Beiträge dieses Benutzers finden
Diese Nachricht in einer Antwort zitieren to top
08.11.2006, 23:09
Beitrag #3

Steve1 Offline
LVF-Gelegenheitsschreiber
**


Beiträge: 65
Registriert seit: Aug 2006

LV8.0
2006
kA

4420
Deutschland
Hilfe bei XY-Graph
' schrieb:In deinem VI läuft die Schleife (für 10000 Iterationen) in ca. 10 msec durch. In der Zeit ändern sich die Bedienelemente aber nicht (so schnell kannst Du gar nicht klicken). Was dann rauskommt, ist ne konstante: y=f(x)=const, und die wird in dem XY graph als waagerechter Strich auch dargestellt.

Wenn Du ne echte Messung simulieren willst musst du die Schleife (mit wait Befehlen) künstlich abbremsen, und dann, während sie läuft, die Bedienelemente verändern. Allerdings wird der XY Graph erst nach Durchlauf der Schleife angezeigt.

Wenn du während des Schleifenlaufs Werte im XY Graph angezeigt haben willst, muss der graph in der Schleife stehen. Wie das geht, ist z.B. in ..ProgrammeNational InstrumentsLabVIEWexamplesgeneralgraphscharts.llbXY Chart.vi gezeigt
Das Beispiel hatte ich mir auch schon angesehen. Leider war es keine große Hilfe.
Ich hab mich vielleicht auch ein wenig umständlich oder falsch ausgedrückt.
Die Bedienungen wie Breite, Länge e.t.c. sollen vom Benutzer einmalig eingegeben werden. Das sind Konstante, die sich während der Mesung bzw. während des Ablaufs nicht ändern.
Das einzige was ausgelesen wird, sind die Zeit und die Kraft .
Darauf hin werden die anderen Daten (Fläche, Spannung und Dehnung...) berechnet! Und die Zug-Spannung und Dehnung will ich im Graphen nach Einlesen der Kraft und der Zeit bis zu einem Maximalbetrag anzeigen lassen.
Maximalbetrag bedeutet bei mir, das in einem Zugversuch der Prüfkörper reisst.
Ich hoffe, ich habs verständlich erklärt und ihr konntet mir folgen.
Ist denn das mit dem Schieberegister ansonsten halbwegs richtig von mir aufgebaut?
Ich denke, ich werde die Konstanten aus der Schleife rausnehmen müssen und nur die Grössen drinne lassen, die sich auch wirklich nur ändern (auf Grund von Berechnungen oder Einlesen)! Ist das korrekt? Ach ja, und Timeout werde ich auch noch mit einbauen!
Gibt es sonst noch was, was ich beachten muss?
Sorry wegen meiner umständlichen Schreibweise!
Alle Beiträge dieses Benutzers finden
Diese Nachricht in einer Antwort zitieren to top
09.11.2006, 08:14
Beitrag #4

Achim Offline
*****
*****


Beiträge: 4.230
Registriert seit: Nov 2005

20xx
2000
EN

978xx
Deutschland
Hilfe bei XY-Graph
Hi,

ich habs mal ein bisschen umgebaut...ich hoffe, deine Funktion ist noch "gegeben"!

Du hattest den gravierenden Fehler, dass du zwar ins Schieberegister nen Wert reingeschrieben hast, aber nicht wieder rausgeholt hast...naja, schau mal drüber und frag bei Bedarf nach. Du musst halt noch ne Abbruchbedingung definieren (jetzt noch mit "stop"-Button), und ja, nimm alles aus der Schleife raus, was nur einmal berechnet werden muss!

Achja, ich empfehle dir dringend das kostenlose Update auf LV8.0.1! Ich hab dir das VI jetzt mal in V7.1 gespeichert, weil ich nicht weiß, du mit 8.0 mein 8.0.1-VI öffnen könntest...

Gruss
Achim


Angehängte Datei(en)
Sonstige .vi  Berechnungs_VI_mit_ForSchleife_neu.vi (Größe: 26,45 KB / Downloads: 286)

"Is there some mightier sage, of whom we have yet to learn?"

"Opportunity is missed by most people because it is dressed in overalls and looks like work." (Thomas Edison)
Alle Beiträge dieses Benutzers finden
Diese Nachricht in einer Antwort zitieren to top
15.11.2006, 17:45
Beitrag #5

Steve1 Offline
LVF-Gelegenheitsschreiber
**


Beiträge: 65
Registriert seit: Aug 2006

LV8.0
2006
kA

4420
Deutschland
Hilfe bei XY-Graph
Hallo nochmal!

Vielen Dank erstmal für dein Programm.

Ich hab versucht das Programm von dir einzubinden. Dabei hab ich anstelle der Dummy-Kraft nun die Kraftmessungen angebunden.
Nur leider gibt der Graph mir jetzt nur einen vertikalen Strich (siehe Anhang) also keinen exakten Verlauf aus.
Kann das an der Abtast-Rate von meinem Programm liegen? Sie liegt bei 10Hz!
Oder gibt es einen anderen Grund, den ich mal wieder völlig übersehe? Grrr
Hab schon so einiges ausprobiert, angefangen bei den Einstellungen vom Graphen bis ..., aber wie ihr seht KEIN Erfolg! Pccrash
Vielen Dank im voraus!
Grüsse aus DD


Angehängte Datei(en) Thumbnail(s)
   
Alle Beiträge dieses Benutzers finden
Diese Nachricht in einer Antwort zitieren to top
15.11.2006, 18:55
Beitrag #6

A.Berndsen Offline
LVF-Team
LVF-Team

Beiträge: 2.437
Registriert seit: Feb 2005

8.2.1 - 2011
2004
DE

724xx
Deutschland
Hilfe bei XY-Graph
Hallo Steve,

hast Du mal an dem Punkt an dem von Deiner Kraftmessung Daten an das XY-Diagramm weitergegeben werden nachgesehen, was dort erzeugt wird?
Du kannst das mit einer Sonde im Highlight Modus machen. (Glühbirne im Blockdiagramm anwählen)
Oder Du erstellst ein Anzeigeninstrument und kannst online zusehen welche Daten erfaßt werden.
Ich vermute, daß Dein Problem dort zu suchen ist.

Grüße
Andreas

Geht nicht, gibts nicht!
Alle Beiträge dieses Benutzers finden
Diese Nachricht in einer Antwort zitieren to top
Anzeige
15.11.2006, 22:10
Beitrag #7

Steve1 Offline
LVF-Gelegenheitsschreiber
**


Beiträge: 65
Registriert seit: Aug 2006

LV8.0
2006
kA

4420
Deutschland
Hilfe bei XY-Graph
' schrieb:Hallo Steve,

hast Du mal an dem Punkt an dem von Deiner Kraftmessung Daten an das XY-Diagramm weitergegeben werden nachgesehen, was dort erzeugt wird?
Du kannst das mit einer Sonde im Highlight Modus machen. (Glühbirne im Blockdiagramm anwählen)
Oder Du erstellst ein Anzeigeninstrument und kannst online zusehen welche Daten erfaßt werden.
Ich vermute, daß Dein Problem dort zu suchen ist.

Grüße
Andreas
Das hatte ich schon ausprobiert.
Es kommen die richtigen Werte an, nur der Graph "spuckt" diese nicht aus. Es erscheint halt der vertikale Strich, der mit der entsprechenden Zeit wandert.
Alle Beiträge dieses Benutzers finden
Diese Nachricht in einer Antwort zitieren to top
15.11.2006, 22:30 (Dieser Beitrag wurde zuletzt bearbeitet: 15.11.2006 22:30 von jg.)
Beitrag #8

jg Offline
CLA & CLED
LVF-Team

Beiträge: 15.864
Registriert seit: Jun 2005

20xx / 8.x
1999
EN

Franken...
Deutschland
Hilfe bei XY-Graph
<div align="left">Hallo, Steve,

in Ergänzung zur Frage von Andreas: Wie sieht es denn mit den "X-Achsen / Zeit"-Array aus?

Ansonsten VI posten!

MfG, Jens</div>

Wer die erhabene Weisheit der Mathematik tadelt, nährt sich von Verwirrung. (Leonardo da Vinci)

!! BITTE !! stellt mir keine Fragen über PM, dafür ist das Forum da - andere haben vielleicht auch Interesse an der Antwort!

Einführende Links zu LabVIEW, s. GerdWs Signatur.
Alle Beiträge dieses Benutzers finden
Diese Nachricht in einer Antwort zitieren to top
16.11.2006, 07:27 (Dieser Beitrag wurde zuletzt bearbeitet: 15.12.2006 07:38 von Dennis.Moser.)
Beitrag #9

derTetris Offline
LVF-Stammgast
***


Beiträge: 267
Registriert seit: Oct 2006

8.5
2005
de

6456
Deutschland
Hilfe bei XY-Graph
...dein Prog sieht ja schwerst nach meinem ersten versuch aus ! @steve1 Smile

also dann guck dir mal meine neue version an...das wird dir helfen!

   

TIP:...du musst bei dem EXPRESS-Vi: 'xy Graph erstellen' unter eigenschaften den Haken rausmachen, damit du ein Verlauf erhältst, ansonsten plottet der bei jeden aufruf nur das aktuelle wertepaar und löscht das beim nächsten aufruf
Alle Beiträge dieses Benutzers finden
Diese Nachricht in einer Antwort zitieren to top
16.11.2006, 07:48 (Dieser Beitrag wurde zuletzt bearbeitet: 16.11.2006 07:53 von Achim.)
Beitrag #10

Achim Offline
*****
*****


Beiträge: 4.230
Registriert seit: Nov 2005

20xx
2000
EN

978xx
Deutschland
Hilfe bei XY-Graph
Hi Steve,

du könntest an deinem Graphen mal die Kurvenform inkl. der Punktdarstellung aktivieren, dann sieht man vielleicht mal, wieviele Punkte wirklich geplottet werden...

Gruss
Achim

PS: Poste doch noch mal dein VI!

"Is there some mightier sage, of whom we have yet to learn?"

"Opportunity is missed by most people because it is dressed in overalls and looks like work." (Thomas Edison)
Alle Beiträge dieses Benutzers finden
Diese Nachricht in einer Antwort zitieren to top
Antwort schreiben 


Möglicherweise verwandte Themen...
Themen Verfasser Antworten Views Letzter Beitrag
  die LabVIEW hilfe braucht hilfe perledeluxe 3 6.658 28.11.2007 11:11
Letzter Beitrag: perledeluxe

Gehe zu: