INFO: Dieses Forum nutzt Cookies...
Cookies sind für den Betrieb des Forums unverzichtbar. Mit der Nutzung des Forums erklärst Du dich damit einverstanden, dass wir Cookies verwenden.

Es wird in jedem Fall ein Cookie gesetzt um diesen Hinweis nicht mehr zu erhalten. Desweiteren setzen wir Google Adsense und Google Analytics ein.


Antwort schreiben 

Bildausgabefrequenz und Bildspeicherfrequenz



Wenn dein Problem oder deine Frage geklärt worden ist, markiere den Beitrag als "Lösung",
indem du auf den "Lösung" Button rechts unter dem entsprechenden Beitrag klickst. Vielen Dank!

22.08.2016, 15:56
Beitrag #1

konso Offline
LVF-Neueinsteiger


Beiträge: 2
Registriert seit: Jul 2016

Fall 2013
2015
DE



Bildausgabefrequenz und Bildspeicherfrequenz
Hallo zusammen,

ich bin neu hier in diesem Forum und bitte daher zunächst um Rücksichtnahme, falls ich mit den üblichen Konventionen noch nicht vertaut bin.

Folgendes Problem:
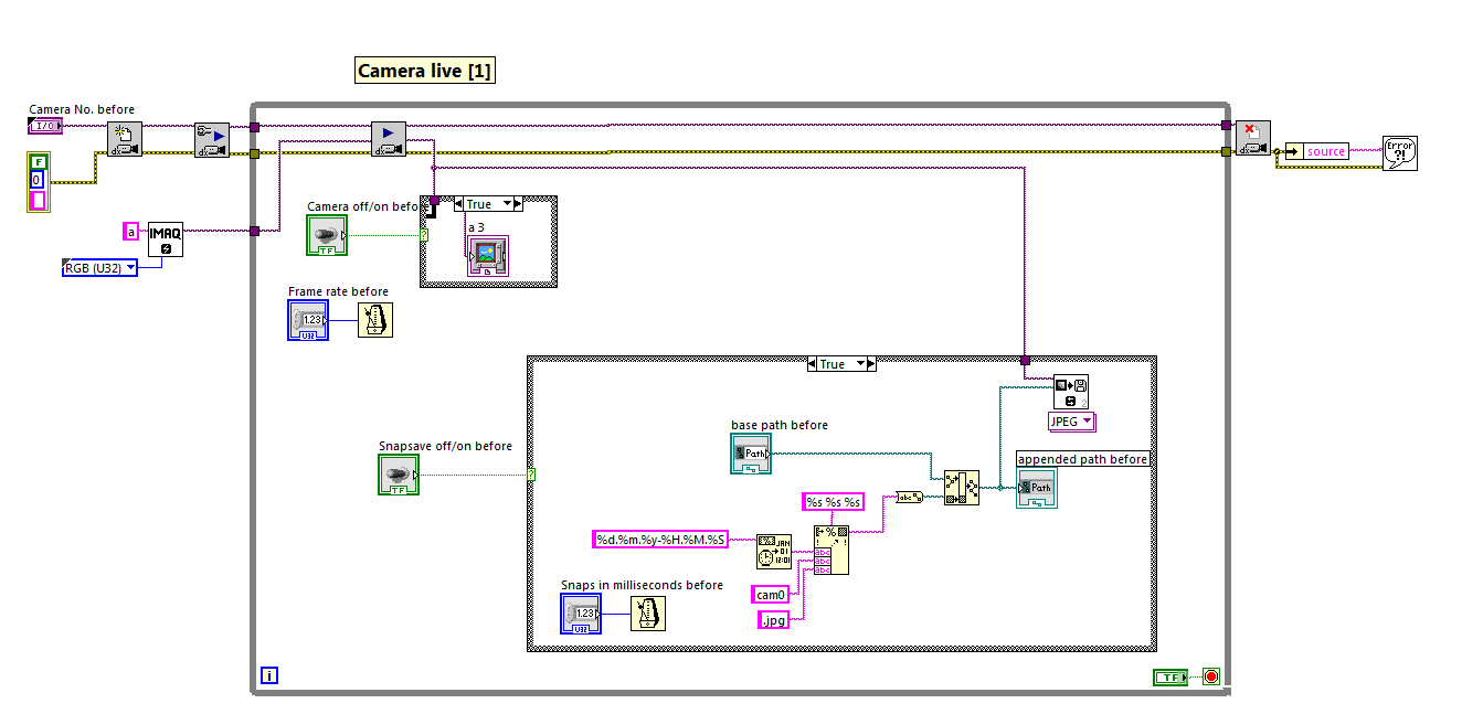
Wie im unten zusehenden Screenshot habe ich eine bzw. zwei USB-Kameras in LabVIEW eingebunden. Das Bild wird ausgegeben und die Frequenz ist einstellbar. Jedoch wird, wenn der Speichvorgang zusätzlich gestartet wird, die Bildspeicherfrequenz auch als Bildausgabefrequenz heran gezogen. Wie bekomme ich es hin, dass die Bildausgabefrequenz unabhängig bleibt?

Danke im voraus für euere Hilfe
Grüße


Angehängte Datei(en) Thumbnail(s)
   
Alle Beiträge dieses Benutzers finden
Diese Nachricht in einer Antwort zitieren to top
Anzeige
22.08.2016, 16:22
Beitrag #2

jg Offline
CLA & CLED
LVF-Team

Beiträge: 15.864
Registriert seit: Jun 2005

20xx / 8.x
1999
EN

Franken...
Deutschland
RE: Bildausgabefrequenz und Bildspeicherfrequenz
Im einfachsten Fall, indem du die beiden Prozesse in unabhängigen Schleifen parallel laufen lässt. THINK Dataflow.

Gruß, Jens

Wer die erhabene Weisheit der Mathematik tadelt, nährt sich von Verwirrung. (Leonardo da Vinci)

!! BITTE !! stellt mir keine Fragen über PM, dafür ist das Forum da - andere haben vielleicht auch Interesse an der Antwort!

Einführende Links zu LabVIEW, s. GerdWs Signatur.
Alle Beiträge dieses Benutzers finden
Diese Nachricht in einer Antwort zitieren to top
25.08.2016, 13:18
Beitrag #3

konso Offline
LVF-Neueinsteiger


Beiträge: 2
Registriert seit: Jul 2016

Fall 2013
2015
DE



RE: Bildausgabefrequenz und Bildspeicherfrequenz
Hallo Jens,

vielen Dank für die schnelle Antwort. So klappt es!

Gruß
Konstantin
Alle Beiträge dieses Benutzers finden
Diese Nachricht in einer Antwort zitieren to top
Antwort schreiben 


Gehe zu: