INFO: Dieses Forum nutzt Cookies...
Cookies sind für den Betrieb des Forums unverzichtbar. Mit der Nutzung des Forums erklärst Du dich damit einverstanden, dass wir Cookies verwenden.

Es wird in jedem Fall ein Cookie gesetzt um diesen Hinweis nicht mehr zu erhalten. Desweiteren setzen wir Google Adsense und Google Analytics ein.


Antwort schreiben 

Messdaten Speichern in Text-File



Wenn dein Problem oder deine Frage geklärt worden ist, markiere den Beitrag als "Lösung",
indem du auf den "Lösung" Button rechts unter dem entsprechenden Beitrag klickst. Vielen Dank!

30.11.2006, 17:38
Beitrag #1

torab Offline
LVF-Neueinsteiger


Beiträge: 3
Registriert seit: May 2006



kA



Messdaten Speichern in Text-File
Hallo zusammen...
Ich hoffe, dass jemand mir heldfen kannSmile

Ich erfasse Messdaten von einer CAN-karte, und die möchte ich ja Zeilenweise in einem Text-file speichern, alles läuft gut, hat alles geklappt..... aber ich möchte ja immer am anfang meines dateies Kommentar schreiben....

Ich erfasse ja mehr als 5000 Zeile in 1 sekunde, und alles läuft in einer While-schleife, und wenn ich versuche das kommentar vorher in der datei zu schreiben, dann wird's überschrieben nach der ausführung von derVI.....

Ich möchte nur 3 Zeilen am Kopf der Datei schreiben und danach die Messwerte... und dass muss gelten für alle dateien die ich öffne...

Würdet mir vielleicht da helefn

Danke im Vorraus
Webseite des Benutzers besuchen Alle Beiträge dieses Benutzers finden
Diese Nachricht in einer Antwort zitieren to top
Anzeige
30.11.2006, 17:51
Beitrag #2

A.Berndsen Offline
LVF-Team
LVF-Team

Beiträge: 2.437
Registriert seit: Feb 2005

8.2.1 - 2011
2004
DE

724xx
Deutschland
Messdaten Speichern in Text-File
Hallo Torab,

poste doch mal Dein VI.
Das ist bestimmt nur ein kleines Problem.

Gruß
Andreas

Geht nicht, gibts nicht!
Alle Beiträge dieses Benutzers finden
Diese Nachricht in einer Antwort zitieren to top
01.12.2006, 13:04
Beitrag #3

torab Offline
LVF-Neueinsteiger


Beiträge: 3
Registriert seit: May 2006



kA



Messdaten Speichern in Text-File
Danke Andreas...

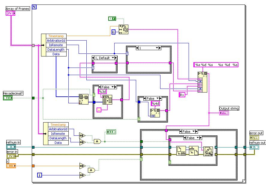
Anbei ist ja mein VI....

Das Block befindet sich ja in einer While-Schleife, und die Botschaften bekomme ich über FRAMES-ARRAY...

mfg


Angehängte Datei(en)
Sonstige .vi  CANxl_WRITE_IN_TEXT.vi (Größe: 35,54 KB / Downloads: 233)
Webseite des Benutzers besuchen Alle Beiträge dieses Benutzers finden
Diese Nachricht in einer Antwort zitieren to top
01.12.2006, 14:21
Beitrag #4

marker Offline
LVF-Gelegenheitsschreiber
**


Beiträge: 226
Registriert seit: Feb 2005

8.2.1
2002
kA


Deutschland
Messdaten Speichern in Text-File
Hallo torab,

versuchs mal wie in dem Screenshot.
Mit der Funktion "Get File Size" wird die Größe des bereits erstellten Files (mit dem Kommentar) ermittelt und mit "Set File Position" wird die Position an der eingefügt werden soll angegeben (hier das Ende).
Wäre besser wenn Du die LabVIEW-Version angeben würdest mit der Du arbeitest.

Gruß,
Marko


Angehängte Datei(en) Thumbnail(s)
   

"Make it simple, make it strong!"
Alle Beiträge dieses Benutzers finden
Diese Nachricht in einer Antwort zitieren to top
01.12.2006, 15:13
Beitrag #5

torab Offline
LVF-Neueinsteiger


Beiträge: 3
Registriert seit: May 2006



kA



Messdaten Speichern in Text-File
Danke sehr für die HilfeSmile

Ich werde mal damit versuchen...

Ich arbeite ja mit LabVIEW 8.0 professional....

mfg
walid
Webseite des Benutzers besuchen Alle Beiträge dieses Benutzers finden
Diese Nachricht in einer Antwort zitieren to top
30
Antwort schreiben 


Gehe zu: