INFO: Dieses Forum nutzt Cookies...
Cookies sind für den Betrieb des Forums unverzichtbar. Mit der Nutzung des Forums erklärst Du dich damit einverstanden, dass wir Cookies verwenden.

Es wird in jedem Fall ein Cookie gesetzt um diesen Hinweis nicht mehr zu erhalten. Desweiteren setzen wir Google Adsense und Google Analytics ein.


Antwort schreiben 

Messwerte erfassen



Wenn dein Problem oder deine Frage geklärt worden ist, markiere den Beitrag als "Lösung",
indem du auf den "Lösung" Button rechts unter dem entsprechenden Beitrag klickst. Vielen Dank!

02.12.2020, 11:15
Beitrag #11

jodh14 Offline
LVF-Gelegenheitsschreiber
**


Beiträge: 119
Registriert seit: Oct 2017

2020
2017
DE

72411
Deutschland
RE: Messwerte erfassen
also ich sehe halt beim debuggen, dass die blaue signalleitung (ddt?) nur grau ist, warum verstehe ich aber nicht.
im subvi davor wird ja eigentlich nichts berechnet, das ist ja einfach das express vi in code umgewandelt.


Angehängte Datei(en) Thumbnail(s)
       
Alle Beiträge dieses Benutzers finden
Diese Nachricht in einer Antwort zitieren to top
Anzeige
02.12.2020, 11:49
Beitrag #12

GerdW Offline
______________
LVF-Team

Beiträge: 17.536
Registriert seit: May 2009

LV2019 (LV2021)
1995
DE_EN

10×××
Deutschland
RE: Messwerte erfassen
Hallo jodh,

Zitat:ich sehe halt beim debuggen, dass die blaue signalleitung (ddt?) nur grau ist, warum verstehe ich aber nicht.
Ich sehe, dass dort trotzdem Daten durch den Draht gewandert sind: da sind Punkte in den Terminals angekommen…

Zitat:im subvi davor wird ja eigentlich nichts berechnet, das ist ja einfach das express vi in code umgewandelt.
Da wird nichts berechnet? Wozu dann ExtractSingleTone, wenn kein Tone berechnet werden soll???

Was ist denn in den Drähten enthalten? Hast du schon mal Probes und Breakpoints verwendet?
Außerdem kann man solche umgewandelten ExpressVIs durchaus verbessern, indem man die DDT-Drähte weglässt und nur noch "klare" Datentypen verwendet…

Alle Beiträge dieses Benutzers finden
Diese Nachricht in einer Antwort zitieren to top
02.12.2020, 13:00
Beitrag #13

jodh14 Offline
LVF-Gelegenheitsschreiber
**


Beiträge: 119
Registriert seit: Oct 2017

2020
2017
DE

72411
Deutschland
RE: Messwerte erfassen
ich habe eine Probe gesetzt und einen Breakpoint. Die Bilder sind anbei. Beim Breakpoint blinkt die ganze Schleife auf. Was mir das jetzt aber bringt, keine Ahnung.


Angehängte Datei(en) Thumbnail(s)
       
Alle Beiträge dieses Benutzers finden
Diese Nachricht in einer Antwort zitieren to top
02.12.2020, 13:17
Beitrag #14

GerdW Offline
______________
LVF-Team

Beiträge: 17.536
Registriert seit: May 2009

LV2019 (LV2021)
1995
DE_EN

10×××
Deutschland
RE: Messwerte erfassen
Hallo jodh,

Zitat:Beim Breakpoint blinkt die ganze Schleife auf. Was mir das jetzt aber bringt, keine Ahnung.
Du weißt jetzt, dass LabVIEW mit seinem DATAFLOW an diesem Breakpoint angekommen ist.
Damit weißt du auch, dass Daten über diesen Draht geflossen sind.
Damit weißt du jetzt außerderm, dass die Drehzahl-Anzeigen danach ihre Daten bekommen haben.
Damit weißt du weiterhin, dass du weiter vorn im DATAFLOW schauen musst, warum nicht die Daten ankommen, die du erwartest…

Soviel Wissen aus einem einzigen Breakpoint!

Zitat:ich habe eine Probe gesetzt
Da ich nicht mit DDT-Drähten arbeite, kann ich nichts zur Sinnhaftigkeit von DDT-Probes sagen.
(Ich vermute mal, dass dein DDT-Draht eben ein leeres Array enthält.)

Hatte ich schon mal erwähnt, dass du statt DDT-Drähten "normale" Datentypen benutzen solltest?

Alle Beiträge dieses Benutzers finden
Diese Nachricht in einer Antwort zitieren to top
02.12.2020, 13:21 (Dieser Beitrag wurde zuletzt bearbeitet: 02.12.2020 13:23 von jodh14.)
Beitrag #15

jodh14 Offline
LVF-Gelegenheitsschreiber
**


Beiträge: 119
Registriert seit: Oct 2017

2020
2017
DE

72411
Deutschland
RE: Messwerte erfassen
ich habe den breakpoint weiter vorne platziert, jetzt blinkt der multiplikations-operator, bringt mich das weiter?

ich weiß auch nicht wie ich die blauen leitungen durch andere ersetzen kann, die macht labview automatisch als ddt


Angehängte Datei(en) Thumbnail(s)
   
Alle Beiträge dieses Benutzers finden
Diese Nachricht in einer Antwort zitieren to top
02.12.2020, 13:38
Beitrag #16

GerdW Offline
______________
LVF-Team

Beiträge: 17.536
Registriert seit: May 2009

LV2019 (LV2021)
1995
DE_EN

10×××
Deutschland
RE: Messwerte erfassen
Hallo jodh,

Zitat:ich habe den breakpoint weiter vorne platziert, jetzt blinkt der multiplikations-operator, bringt mich das weiter?
Man könnte Probes vor und nach dem Multiplikator setzen und schauen, ob der korrekt multiliziert…

Zitat:ich weiß auch nicht wie ich die blauen leitungen durch andere ersetzen kann, die macht labview automatisch als ddt
Weil du vorher ein ExpressVI benutzt hattest.
Wenn du dich nach den BeispielVIs im Beispielfinder gerichtet hättest, hättest du dieses DDT-Problem jetzt nicht…

Schau doch mal in das subVI, wo die Daten gelesen werden (ehemals DAQAssistent): dort wird ein Waveformarray in ein DDT umgewandelt. Wenn du jetzt diese Umwandlung entfernen würdest und den Indicator danach durch ein Waveformarray ersetzen würdest, dann bestünde die Chance, (dank DATAFLOW) auch danach kein DDT im MainVI mehr zu erhalten. Das gleiche dann bei der Signalauswertung im folgenden subVI…

Alle Beiträge dieses Benutzers finden
Diese Nachricht in einer Antwort zitieren to top
Anzeige
02.12.2020, 13:45
Beitrag #17

jodh14 Offline
LVF-Gelegenheitsschreiber
**


Beiträge: 119
Registriert seit: Oct 2017

2020
2017
DE

72411
Deutschland
RE: Messwerte erfassen
ich habe vor und nach dem multiplikator proben gesetzt, was bringt mir das jetzt?
das problem mit den ddt leitungen ist doch erst mal zweitrangig oder nicht?


Angehängte Datei(en) Thumbnail(s)
   
Alle Beiträge dieses Benutzers finden
Diese Nachricht in einer Antwort zitieren to top
02.12.2020, 14:51 (Dieser Beitrag wurde zuletzt bearbeitet: 02.12.2020 14:52 von GerdW.)
Beitrag #18

GerdW Offline
______________
LVF-Team

Beiträge: 17.536
Registriert seit: May 2009

LV2019 (LV2021)
1995
DE_EN

10×××
Deutschland
RE: Messwerte erfassen
Hallo jodh,

Zitat:ich habe vor und nach dem multiplikator proben gesetzt, was bringt mir das jetzt?
Du siehst jetzt die Daten vor und nach der Multiplikation.

Zitat:das problem mit den ddt leitungen ist doch erst mal zweitrangig oder nicht?
Ja, aber bei "normalen" Datentypen erkennt man schneller, was wo wie passiert…

Mal eine kleine Anmerkung:
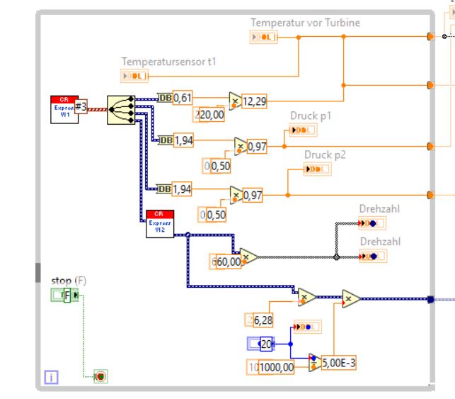
Dein DAQAssi-subVI liest drei Signale ein, wie man anhand deines Bilder sehr deutlich erkennt.
Danach splittest du diese Signale mittels SplitSignal in vier Signale auf.
Und dann wunderst du dich, dass die Auswertung dieses vierten Signals komischerweise unerklärliche Resultate ergibt…

Ich wiederhole mich nur ungern, aber: Die häufigste Fehlerursache heißt "Programmierfehler"! Big Grin

Alle Beiträge dieses Benutzers finden
Diese Nachricht in einer Antwort zitieren to top
02.12.2020, 15:19
Beitrag #19

jodh14 Offline
LVF-Gelegenheitsschreiber
**


Beiträge: 119
Registriert seit: Oct 2017

2020
2017
DE

72411
Deutschland
RE: Messwerte erfassen
aber das ursprüngliche express vi war für vier signale konfiguriert, wie kann ich denn im in code umgewandelten express vi jetzt noch das vierte signal abfragen, ob das konfiguriert ist? muss ich das alte express vi nochmal umwandeln in code? ich glaube aber zu wissen, dass da vier signale konfiguriert waren
Alle Beiträge dieses Benutzers finden
Diese Nachricht in einer Antwort zitieren to top
02.12.2020, 15:23
Beitrag #20

GerdW Offline
______________
LVF-Team

Beiträge: 17.536
Registriert seit: May 2009

LV2019 (LV2021)
1995
DE_EN

10×××
Deutschland
RE: Messwerte erfassen
Hallo jodh,

schau doch einfach mal in die subVIs hinein, wie dieser DAQmx-Task initialisiert wird…

Alle Beiträge dieses Benutzers finden
Diese Nachricht in einer Antwort zitieren to top
30
Antwort schreiben 


Möglicherweise verwandte Themen...
Themen Verfasser Antworten Views Letzter Beitrag
  Messwerte erfassen labsam 3 6.022 09.08.2010 11:05
Letzter Beitrag: labsam

Gehe zu: