INFO: Dieses Forum nutzt Cookies...
Cookies sind für den Betrieb des Forums unverzichtbar. Mit der Nutzung des Forums erklärst Du dich damit einverstanden, dass wir Cookies verwenden.

Es wird in jedem Fall ein Cookie gesetzt um diesen Hinweis nicht mehr zu erhalten. Desweiteren setzen wir Google Adsense und Google Analytics ein.


Antwort schreiben 

Messwerte erfassen



Wenn dein Problem oder deine Frage geklärt worden ist, markiere den Beitrag als "Lösung",
indem du auf den "Lösung" Button rechts unter dem entsprechenden Beitrag klickst. Vielen Dank!

11.12.2020, 16:32
Beitrag #41

jodh14 Offline
LVF-Gelegenheitsschreiber
**


Beiträge: 119
Registriert seit: Oct 2017

2020
2017
DE

72411
Deutschland
RE: Messwerte erfassen
Hallo GerdW, anbei habe ich jetzt Connector Pane verbunden, passt das?


Angehängte Datei(en) Thumbnail(s)
   
Alle Beiträge dieses Benutzers finden
Diese Nachricht in einer Antwort zitieren to top
Anzeige
11.12.2020, 17:15
Beitrag #42

GerdW Offline
______________
LVF-Team

Beiträge: 17.540
Registriert seit: May 2009

LV2019 (LV2021)
1995
DE_EN

10×××
Deutschland
RE: Messwerte erfassen
Hallo jodh,

nein, das passt noch nicht...
Nochmal: init vor der Loop, read in der Loop, clear nach der Loop!

Alle Beiträge dieses Benutzers finden
Diese Nachricht in einer Antwort zitieren to top
11.12.2020, 17:31
Beitrag #43

jg Offline
CLA & CLED
LVF-Team

Beiträge: 15.864
Registriert seit: Jun 2005

20xx / 8.x
1999
EN

Franken...
Deutschland
RE: Messwerte erfassen
(11.12.2020 17:15 )GerdW schrieb:  Nochmal: init vor der Loop, read in der Loop, clear nach der Loop!
Ironie
Halloooo, Echoooo - wo bist du ?
Wall

Wer die erhabene Weisheit der Mathematik tadelt, nährt sich von Verwirrung. (Leonardo da Vinci)

!! BITTE !! stellt mir keine Fragen über PM, dafür ist das Forum da - andere haben vielleicht auch Interesse an der Antwort!

Einführende Links zu LabVIEW, s. GerdWs Signatur.
Alle Beiträge dieses Benutzers finden
Diese Nachricht in einer Antwort zitieren to top
14.12.2020, 11:54
Beitrag #44

jodh14 Offline
LVF-Gelegenheitsschreiber
**


Beiträge: 119
Registriert seit: Oct 2017

2020
2017
DE

72411
Deutschland
RE: Messwerte erfassen
okay, schaut mal das hier an


Angehängte Datei(en) Thumbnail(s)
   
Alle Beiträge dieses Benutzers finden
Diese Nachricht in einer Antwort zitieren to top
14.12.2020, 12:23
Beitrag #45

jg Offline
CLA & CLED
LVF-Team

Beiträge: 15.864
Registriert seit: Jun 2005

20xx / 8.x
1999
EN

Franken...
Deutschland
RE: Messwerte erfassen
Hallo jodh14,

das sieht richtig aus...

Gruß, Jens

Wer die erhabene Weisheit der Mathematik tadelt, nährt sich von Verwirrung. (Leonardo da Vinci)

!! BITTE !! stellt mir keine Fragen über PM, dafür ist das Forum da - andere haben vielleicht auch Interesse an der Antwort!

Einführende Links zu LabVIEW, s. GerdWs Signatur.
Alle Beiträge dieses Benutzers finden
Diese Nachricht in einer Antwort zitieren to top
14.12.2020, 12:43 (Dieser Beitrag wurde zuletzt bearbeitet: 14.12.2020 12:45 von GerdW.)
Beitrag #46

GerdW Offline
______________
LVF-Team

Beiträge: 17.540
Registriert seit: May 2009

LV2019 (LV2021)
1995
DE_EN

10×××
Deutschland
RE: Messwerte erfassen
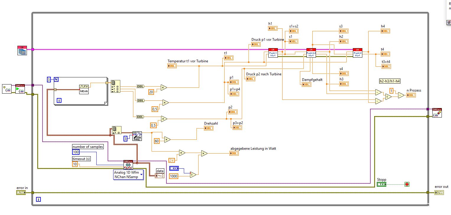
Hallo jodh,

deutlich besser!

Jetzt noch:
- die "To DBL" nach der FOR-Loop entfernen, sind unnötig
- ich würde die "3" am N-Input der FOR-Loop entfernen: die eine zusätzliche Mean-Berechnung stört nicht wirklich, aber die Limitierung auf "3" kann dich ärgern, wenn du später mal noch ein paar AI-Kanäle mehr auswerten sollst…
- da ist noch ein CoercionDot bei der Amp/Freq-Analysefunktion
- das Enum hat immer noch kein Label bekommen
- gerade Drähte für die DAQmx-Funktionen (Cleanup)
- man könnte den einzelnen DAQmx-Kanälen auch noch jeweils eine Skalierung verpassen, dann muss man das nicht mehr in der Hauptschleife selbst machen (diese Multiplikationen mit 20/0.5)
- …

Alle Beiträge dieses Benutzers finden
Diese Nachricht in einer Antwort zitieren to top
Anzeige
18.12.2020, 10:33
Beitrag #47

jodh14 Offline
LVF-Gelegenheitsschreiber
**


Beiträge: 119
Registriert seit: Oct 2017

2020
2017
DE

72411
Deutschland
RE: Messwerte erfassen
Zitat:- da ist noch ein CoercionDot bei der Amp/Freq-Analysefunktion
habe jetzt die Konstante 3 entfernt, oder braucht man die? Wusste nicht wie ich den CoercionDot wegbekomme
Zitat: - das Enum hat immer noch kein Label bekommen
ich weiß gar nicht wo das Enum ist und was das ist
Zitat:- gerade Drähte für die DAQmx-Funktionen (Cleanup)
ich würde das Blockdiagramm gerne so lassen und es nicht mit Cleanup automatisch anordnen lassen

anbei ist das aktuelle Programm: ich habe ein Problem mit dem Diagramm. Um euch Daten zu schicken muss die Anzeige ja so ca. 30 Sekunden wenigsten laufen.
Aber die Anzeige läuft nicht sondern steht einfach bis 100m. Keine Ahnung was das ist und wie ich das ändern kann, dass ich mehr Daten in dem Diagramm angezeigt bekomme.


Angehängte Datei(en)
0.0 .zip  for-schleife17.zip (Größe: 973,79 KB / Downloads: 295)
Alle Beiträge dieses Benutzers finden
Diese Nachricht in einer Antwort zitieren to top
18.12.2020, 19:26
Beitrag #48

GerdW Offline
______________
LVF-Team

Beiträge: 17.540
Registriert seit: May 2009

LV2019 (LV2021)
1995
DE_EN

10×××
Deutschland
RE: Messwerte erfassen
Hallo jodh,

Zitat:habe jetzt die Konstante 3 entfernt, oder braucht man die? Wusste nicht wie ich den CoercionDot wegbekomme
Was diese Konstante bedeutete, hättest du in der Hilfe zur Funktion nachlesen können.
CoercionDots bekommt man am einfachsten weg, wenn man Konstanten im korrekten Datentyp erzeugt: Rechtsklick auf den Input -> Erstelle Konstante. (Grundwissen!)

Zitat:ich weiß gar nicht wo das Enum ist und was das ist
Sieht man jetzt deutlich im Bild!

Zitat:ich würde das Blockdiagramm gerne so lassen und es nicht mit Cleanup automatisch anordnen lassen
Auch ohne AutoCleanup kann man ein Blockdiagramm ordentlicher gestalten, siehe Bild.

   

Zitat:anbei ist das aktuelle Programm: ich habe ein Problem mit dem Diagramm. Um euch Daten zu schicken muss die Anzeige ja so ca. 30 Sekunden wenigsten laufen.
Aber die Anzeige läuft nicht sondern steht einfach bis 100m. Keine Ahnung was das ist und wie ich das ändern kann, dass ich mehr Daten in dem Diagramm angezeigt bekomme.
Einfache Lösung: du verwendest da kein "Diagramm" (engl. "chart"), sondern einen Graph (engl. "graph"). Zwischen diesen beiden gibt es Unterschiede: auch dies ist LabVIEW-Grundwissen!

Alle Beiträge dieses Benutzers finden
Diese Nachricht in einer Antwort zitieren to top
21.12.2020, 11:30
Beitrag #49

jodh14 Offline
LVF-Gelegenheitsschreiber
**


Beiträge: 119
Registriert seit: Oct 2017

2020
2017
DE

72411
Deutschland
RE: Messwerte erfassen
Zitat:Einfache Lösung: du verwendest da kein "Diagramm" (engl. "chart"), sondern einen Graph (engl. "graph"). Zwischen diesen beiden gibt es Unterschiede: auch dies ist LabVIEW-Grundwissen!
Anbei ist das Programm. Habe jetzt ein chart genommen. Die Welle drehen lassen und die Werte unter Bearbeiten als Standard gesetzt. Aus irgendeinem Grund zeigt es aber im chart nach dem Speichern, Schließen und wieder Öffnen nichts an. Nur die Messwerte werden anscheinend gespeichert. Bringt euch das jetzt was zur Analyse warum die Drehzahl nicht richtig angezeigt wird?


Angehängte Datei(en)
0.0 .zip  for-schleife17.zip (Größe: 979,06 KB / Downloads: 263)
Alle Beiträge dieses Benutzers finden
Diese Nachricht in einer Antwort zitieren to top
Antwort schreiben 


Möglicherweise verwandte Themen...
Themen Verfasser Antworten Views Letzter Beitrag
  Messwerte erfassen labsam 3 6.112 09.08.2010 11:05
Letzter Beitrag: labsam

Gehe zu: