INFO: Dieses Forum nutzt Cookies...
Cookies sind für den Betrieb des Forums unverzichtbar. Mit der Nutzung des Forums erklärst Du dich damit einverstanden, dass wir Cookies verwenden.

Es wird in jedem Fall ein Cookie gesetzt um diesen Hinweis nicht mehr zu erhalten. Desweiteren setzen wir Google Adsense und Google Analytics ein.


Antwort schreiben 

Rechtecksignal triggern



Wenn dein Problem oder deine Frage geklärt worden ist, markiere den Beitrag als "Lösung",
indem du auf den "Lösung" Button rechts unter dem entsprechenden Beitrag klickst. Vielen Dank!

06.09.2007, 13:21
Beitrag #1

OnkelDespo Offline
LVF-Grünschnabel
*


Beiträge: 24
Registriert seit: Aug 2007

8.5
2007
de

74177
Deutschland
Rechtecksignal triggern
Hallo Leute,
ich habe ein wo ich triggern will.
Ich habe das Signal als 2D Array anliegen und wenn ich es umform und an ein
Waveform Chart verbinde zeigt er mir das signal aber ich habe keine Triggerung.
Bzw. das Signal ist ein 16 Bit rechtecksignal.
Ich bräuchte so ne Oszi Funktion wo ich drekt mit diesem Array drauf kann.
Aber die Oszi'vis in der Hilfe und den Beispielen Nehmen Ihr Signal aus einer Adresse bzw aus dem COM.
Weiss einer wie ich da mein Array anschliesen könnte?
Dankschää im vorraus..
Greetz O.Despo
Alle Beiträge dieses Benutzers finden
Diese Nachricht in einer Antwort zitieren to top
Anzeige
06.09.2007, 14:35
Beitrag #2

Kvasir Offline
LVF-Freak
****


Beiträge: 642
Registriert seit: May 2006

10
2004
DE_EN

0000
Oesterreich
Rechtecksignal triggern
Also ich versteh kein Wort von deinem Post. Worum geht es dir? Könntest du dich bemühen es verständlich zu erklären? Vielleicht dein Vi hochladen?

A few weeks of developement and testing can save a WHOLE afternoon in the library!
Alle Beiträge dieses Benutzers finden
Diese Nachricht in einer Antwort zitieren to top
07.09.2007, 07:09
Beitrag #3

OnkelDespo Offline
LVF-Grünschnabel
*


Beiträge: 24
Registriert seit: Aug 2007

8.5
2007
de

74177
Deutschland
Rechtecksignal triggern
Ja ist bissle komisch geschrieben.
Also auf ein neues..
Ich habe ein Programm mit LabVIEW geschrieben.
Dieses liest ein Rechtecksignal aus einer UE9 Messkarte.
Mein Problem is es das ich dieses Signal nicht triggern kann.
Es ist unstabil bzw. ich weis nicht wo anfang und Ende ist.
Daher meine Idee diese Oszilloskop Beispiele (bei dem Hilfe Menü unter find Examples)
zu benutzen. Aber diese VI's haben einen vorgegebenen Eingang der auf die COM Schnittstelle zugreift.
Ich habe aber das Signal als ein Array schon im Programm anliegen.
Wie kann ich das OszilloskopVi so verändern das er mein Signal getriggert einlesen kann.
Jetzt besser ? :-)


Angehängte Datei(en) Thumbnail(s)
   
Alle Beiträge dieses Benutzers finden
Diese Nachricht in einer Antwort zitieren to top
07.09.2007, 07:25
Beitrag #4

Achim Offline
*****
*****


Beiträge: 4.230
Registriert seit: Nov 2005

20xx
2000
EN

978xx
Deutschland
Rechtecksignal triggern
Hat dieses Oszi-VI denn keinen eigenen Trigger-Parameter-Eingang? Kann ich mir (fast) nicht vorstellen...evtl. gibt's noch ein vorzuschaltendes Konfig-VI? Woher stammt das VI? Gibt's da nicht evtl. entsprechende (Trigger-) Beispiel dazu? Oder kannst du die Triggerung nicht direkt an der UE9-Karte definieren?

Gruss
Achim

"Is there some mightier sage, of whom we have yet to learn?"

"Opportunity is missed by most people because it is dressed in overalls and looks like work." (Thomas Edison)
Alle Beiträge dieses Benutzers finden
Diese Nachricht in einer Antwort zitieren to top
07.09.2007, 08:08
Beitrag #5

OnkelDespo Offline
LVF-Grünschnabel
*


Beiträge: 24
Registriert seit: Aug 2007

8.5
2007
de

74177
Deutschland
Rechtecksignal triggern
Hmm,
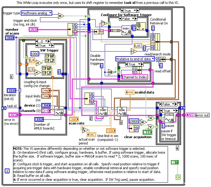
Ich habe das VI unter den Beispielen gefunden es heißt "1 Channel Simple Scope.vi"
Ich bekomme das Signal über einen Digitalen Kanal der UE9 Karte.
Ich definiere einen Timer mit 1kHz.
Und beim auslesen der Daten an LabVIEW hatte ich erwartet das ich dieses Signal was ich an den digitalen Eingang
lege jetzt über LabVIEW auslesen und bearbeiten kann.
Das Problem ist ich bekomme dieses Signal nicht getriggert in LabVIEW.
Und mit den Osziloskopen bei LabVIEW find ich kein Eingang wo ich das Signal einfach anshließen kann bzw
wie du meintest mit einem Konfig-VI. Aber wie mache ich das?
Hier nochmal das Oszi..


Angehängte Datei(en) Thumbnail(s)
       
Alle Beiträge dieses Benutzers finden
Diese Nachricht in einer Antwort zitieren to top
07.09.2007, 08:13
Beitrag #6

OnkelDespo Offline
LVF-Grünschnabel
*


Beiträge: 24
Registriert seit: Aug 2007

8.5
2007
de

74177
Deutschland
Rechtecksignal triggern
Ohh..
also das linke ist das "1ch scope acquire & update.vi" und das linke die "AI-Waveform scan.vi"
Alle Beiträge dieses Benutzers finden
Diese Nachricht in einer Antwort zitieren to top
Anzeige
07.09.2007, 08:40
Beitrag #7

Achim Offline
*****
*****


Beiträge: 4.230
Registriert seit: Nov 2005

20xx
2000
EN

978xx
Deutschland
Rechtecksignal triggern
Hi,

das sind VI's von National Instruments...die UE9-Karte ist aber von Meilhaus...also musst du auch die entsprechenden mitgelieferten Beispiele von Meilhaus verwenden! Mit den NI-Beispielen kannst du nix anfangen, die setzen (höchstwahrscheinlich) andere Treiber voraus! Und bei den Beispielen ist mit Sicherheit auch eins dabei, wo man einen Trigger einstellen kann!

Gruss
Achim

"Is there some mightier sage, of whom we have yet to learn?"

"Opportunity is missed by most people because it is dressed in overalls and looks like work." (Thomas Edison)
Alle Beiträge dieses Benutzers finden
Diese Nachricht in einer Antwort zitieren to top
07.09.2007, 09:16
Beitrag #8

OnkelDespo Offline
LVF-Grünschnabel
*


Beiträge: 24
Registriert seit: Aug 2007

8.5
2007
de

74177
Deutschland
Rechtecksignal triggern
Ahhh ok.
Danke.
Ich versuchsmal.
Muss sagen ist schon super son Forum. :-)
Alle Beiträge dieses Benutzers finden
Diese Nachricht in einer Antwort zitieren to top
30
Antwort schreiben 


Gehe zu: