INFO: Dieses Forum nutzt Cookies...
Cookies sind für den Betrieb des Forums unverzichtbar. Mit der Nutzung des Forums erklärst Du dich damit einverstanden, dass wir Cookies verwenden.

Es wird in jedem Fall ein Cookie gesetzt um diesen Hinweis nicht mehr zu erhalten. Desweiteren setzen wir Google Adsense und Google Analytics ein.


Antwort schreiben 

Bild auswerten



Wenn dein Problem oder deine Frage geklärt worden ist, markiere den Beitrag als "Lösung",
indem du auf den "Lösung" Button rechts unter dem entsprechenden Beitrag klickst. Vielen Dank!

16.10.2008, 14:13
Beitrag #1

Böser Mehlwurm Offline
LVF-Neueinsteiger


Beiträge: 5
Registriert seit: Jul 2007

8
2007
kA

8700
Oesterreich
Bild auswerten
Hallo, ich bin ein Neuling auf dem Gebiet von LabVIEW. Ich habe die 8er Version von LabVIEW zur Verfügung gestellt bekommen, damit ich nicht alle Bilder mit der Hand auswerten muss.
Ich soll Bilder mit Hilfe des Linienschnittverfahrens auswerten hinsichtlich ihres Anteil an schwarzer Farbe, oder teilweise auch gewisse geometrische Formen analysieren. Da dies mit der Hand sehr viel Zeit in Anspruch nimmt ( pro Bild ca. 1 Stunde) möchte ich das mit LabVIEW versuchen, zumindest das mit der schwarzen Farbe.
Also: Ich habe Graubilder, die einen gewissen Anteil an schwarzer Farbe aufweisen, diesen Anteil soll ich prozentuell ermitteln zur ganzen Flächen.
Ich hab schon herumprobiert, ein Bild ein zu lesen und ein Histogram drüberlaufen zu lassen, und versucht mir die Werte auszugeben, aber es kommt nur nonsense heraus.

Wenn mir da wer helfen könnte, wäre ich sehr dankbar

greets Walther
Alle Beiträge dieses Benutzers finden
Diese Nachricht in einer Antwort zitieren to top
Anzeige
16.10.2008, 14:32
Beitrag #2

TSC Offline
LVF-Team
LVF-Team

Beiträge: 1.882
Registriert seit: Sep 2008

LV 2018 SP1
2008
EN

52379
Deutschland
Bild auswerten
Hallo also ich habe mal ein kleines VI geschrieben mit dem du ein Bild in seine einzelnen Pixel zerlegen kannst, die Werte stehen nachher alle in einem großen Array, das könntest du nun nach Schwarzwerten durchsuchen und somit einen prozentualen anteil ermitteln.


Lv82_img
Sonstige .vi  BildAuswerten.vi (Größe: 10,46 KB / Downloads: 673)



LG
Torsten

"Über Fragen, die ich nicht beantworten kann, zerbreche ich mir nicht den Kopf!" (Konrad Zuse)
Alle Beiträge dieses Benutzers finden
Diese Nachricht in einer Antwort zitieren to top
16.10.2008, 14:56
Beitrag #3

TSC Offline
LVF-Team
LVF-Team

Beiträge: 1.882
Registriert seit: Sep 2008

LV 2018 SP1
2008
EN

52379
Deutschland
Bild auswerten
Habe mich nochmal dran gesetzt und es ein bissl erweitert. Es wird nun ausgegeben, wie viel schwarz prozentual im bild vorhanden ist. Außerdem habe ich das VI auf 8.0 runtergesetzt, bin mir nciht sicher welche Version du hast.

Lv80_img
Sonstige .vi  swAnteilErmitteln.vi (Größe: 14,72 KB / Downloads: 530)


Zum testen auch mal ein bild mit 25% schwarzer farbe.

   

LG
Torsten

"Über Fragen, die ich nicht beantworten kann, zerbreche ich mir nicht den Kopf!" (Konrad Zuse)
Alle Beiträge dieses Benutzers finden
Diese Nachricht in einer Antwort zitieren to top
16.10.2008, 19:03
Beitrag #4

MikeS81 Offline
LVF-Gelegenheitsschreiber
**


Beiträge: 231
Registriert seit: Aug 2008

8.5
2005
de_en

81xxx
Deutschland
Bild auswerten
Hallo Böser Mehlwurm,
schaue dir auch mal die "Histogramm" Funktion in der Mathe Bibliothek an.

Mike
Alle Beiträge dieses Benutzers finden
Diese Nachricht in einer Antwort zitieren to top
17.10.2008, 09:52
Beitrag #5

Böser Mehlwurm Offline
LVF-Neueinsteiger


Beiträge: 5
Registriert seit: Jul 2007

8
2007
kA

8700
Oesterreich
Bild auswerten
Vielen Dank,
aber ich bekomme nicht die richtigen Werte heraus, im Vergleich mit meiner händischen Auswertung.
Anscheinend ist nicht alles was schwarz ist auch tatsächlich schwarz.
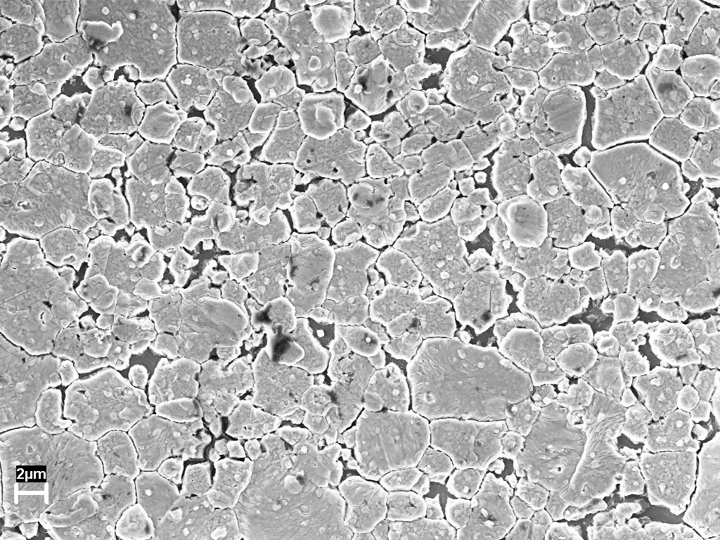
Hab mal ein Bild angehängt, dass ich mit der Hand ausgewertet habe. Es sollten 3,52% Anteil an schwarzen Flächen rauskommen.
Nach dem dass ein Schwarz-Weiss Bild ist, müsste ich wahrscheinlich einen Bereich nehmen, der auch noch einige dunklere Grautöne dazunimmt.
Kann man die Werte wo nachschauen, von wo bis wo die gehen?

greets Walther


Angehängte Datei(en) Thumbnail(s)
   
Alle Beiträge dieses Benutzers finden
Diese Nachricht in einer Antwort zitieren to top
17.10.2008, 10:22
Beitrag #6

TSC Offline
LVF-Team
LVF-Team

Beiträge: 1.882
Registriert seit: Sep 2008

LV 2018 SP1
2008
EN

52379
Deutschland
Bild auswerten
Also, ein bißchen was zur Farbentheorie:

Ein Farbton wird aus drei Farben gemischt. FF FF FF wäre beispielsweise 100%rot 100%gelb und 100%blau (das ergibt weiß)! Ein Grauton entsteht immer dann, wenn die drei Werte Gleich sind.

In deinem Bild treten also nur Farben auf die drei identische Farbanteile haben (xx xx xx).

Um so höher die Farbanteile sind, um so näher geht die Farbe richtung weiß also um so heller wird es. In meinem Beispiel kannst du also einen Grnezwert eingeben, indem du nicht auf gleichheit prüfst, sondern auf einen gewissen Grenzwert. Für dein Ergebnis habe ich alle Werte die kleiner als A7A7A7 sind herausgefunden (Ergebnis: 0,350721 = 3,51%).

Hier auch mal das VI dazu.

Lv80_img
Sonstige .vi  swAnteilErmitteln.vi (Größe: 14,76 KB / Downloads: 453)


Anmerkung: ich bin mir nicht sicher ob das VI die optimale Lösung ist. Ich vermute dass man auch eine schnellere Lösung mit nur einer Schleife finden kann.

LG
Torsten

"Über Fragen, die ich nicht beantworten kann, zerbreche ich mir nicht den Kopf!" (Konrad Zuse)
Alle Beiträge dieses Benutzers finden
Diese Nachricht in einer Antwort zitieren to top
17.10.2008, 10:35
Beitrag #7

TSC Offline
LVF-Team
LVF-Team

Beiträge: 1.882
Registriert seit: Sep 2008

LV 2018 SP1
2008
EN

52379
Deutschland
Bild auswerten
Noch ne kleine Ergänzung:

Farbcodes

Solche Tabellen findest du im Internet in Hülle und Fülle.

Du kannst aber auch unter Windows an irgendeine Stelle navigieren, wo du eine Farbe einstellen kannst, oft ist unter dem Punkt erweitert die Möglichkeit, farben slebst zu msichen, und man kann die RGB Werte einfach ablesen.

   

"Über Fragen, die ich nicht beantworten kann, zerbreche ich mir nicht den Kopf!" (Konrad Zuse)
Alle Beiträge dieses Benutzers finden
Diese Nachricht in einer Antwort zitieren to top
17.10.2008, 11:03 (Dieser Beitrag wurde zuletzt bearbeitet: 17.10.2008 11:05 von jg.)
Beitrag #8

jg Offline
CLA & CLED
LVF-Team

Beiträge: 15.864
Registriert seit: Jun 2005

20xx / 8.x
1999
EN

Franken...
Deutschland
Bild auswerten
Es geht natürlich komplett ohne Schleifen:

Lv80_img
Sonstige .vi  swAnteilErmitteln_v2.vi (Größe: 20,45 KB / Downloads: 464)


Bemerkungen:
-Da du nur auf Graustufen als Schwellwert untersuchen willst, habe ich das U32-Bild-Array in ein U8-Array gewandelt. Somit kannst du direkt Graustufen von 0-255 als Schwellwert eingeben. (Falls dein Original-Bild ein Graustufenbild ist, kannst du natürlich beim Einlesen direkt den U8-Ausgang verwenden).
-Das VI berechnet zwecks Einsatz der Event-Struktur erst einen Wert, wenn du die Grenze "y" änderst.

Gruß, Jens

@TSchAC: Vereinfachung für dein VI: Verbinde das äußere Shiftregister direkt mit dem inneren, dann brauchst du in deiner äußeren Schleife nicht addieren.
Und du multiplizierst innerhalb deiner Schleifen die Größe des Bildes aus, sowas gehört außerhalb der Schleifen.

Wer die erhabene Weisheit der Mathematik tadelt, nährt sich von Verwirrung. (Leonardo da Vinci)

!! BITTE !! stellt mir keine Fragen über PM, dafür ist das Forum da - andere haben vielleicht auch Interesse an der Antwort!

Einführende Links zu LabVIEW, s. GerdWs Signatur.
Alle Beiträge dieses Benutzers finden
Diese Nachricht in einer Antwort zitieren to top
17.10.2008, 11:10
Beitrag #9

RoLe Offline
LVF-Guru
*****


Beiträge: 1.236
Registriert seit: Jul 2007

-
1997
en

0
Schweiz
Bild auswerten
' schrieb:Es geht natürlich komplett ohne Schleifen:

Mist, wollte ich auch gleich hochladen, war zu langsam Wink

Aber habe doch noch was gefunden.
Gesamtsumme 2D Array geht auch so:


Angehängte Datei(en) Thumbnail(s)
   

.·´¯)--> Leben ist das, was dir passiert, wenn du eifrig dabei bist andere Pläne zu machen <--(¯`·.
Alle Beiträge dieses Benutzers finden
Diese Nachricht in einer Antwort zitieren to top
17.10.2008, 11:12
Beitrag #10

jg Offline
CLA & CLED
LVF-Team

Beiträge: 15.864
Registriert seit: Jun 2005

20xx / 8.x
1999
EN

Franken...
Deutschland
Bild auswerten
' schrieb:Mist, wollte ich auch gleich hochladen, war zu langsam Wink

Aber habe doch noch was gefunden.
Gesamtsumme 2D Array geht auch so:
Au mann, an die Produktfunktion hab ich net gedachtWink

Wer die erhabene Weisheit der Mathematik tadelt, nährt sich von Verwirrung. (Leonardo da Vinci)

!! BITTE !! stellt mir keine Fragen über PM, dafür ist das Forum da - andere haben vielleicht auch Interesse an der Antwort!

Einführende Links zu LabVIEW, s. GerdWs Signatur.
Alle Beiträge dieses Benutzers finden
Diese Nachricht in einer Antwort zitieren to top
30
Antwort schreiben 


Möglicherweise verwandte Themen...
Themen Verfasser Antworten Views Letzter Beitrag
  Bild mit Koordinaten in Picture zeichnen oder Bild an Bild zeichnen Planich 4 9.329 26.10.2012 10:14
Letzter Beitrag: Planich

Gehe zu: