INFO: Dieses Forum nutzt Cookies...
Cookies sind für den Betrieb des Forums unverzichtbar. Mit der Nutzung des Forums erklärst Du dich damit einverstanden, dass wir Cookies verwenden.

Es wird in jedem Fall ein Cookie gesetzt um diesen Hinweis nicht mehr zu erhalten. Desweiteren setzen wir Google Adsense und Google Analytics ein.


Antwort schreiben 

.net System Tray



Wenn dein Problem oder deine Frage geklärt worden ist, markiere den Beitrag als "Lösung",
indem du auf den "Lösung" Button rechts unter dem entsprechenden Beitrag klickst. Vielen Dank!

08.08.2005, 12:18
Beitrag #1

wudl
Unregistered


 







.net System Tray
Hi
hat hier jemand Erfahrung mit .net? Möchte mittels .net meine Applikation in die System tray bekommen. Naja Das Icon und Kontektmenü bekommen ich dort schon hin. Allerdings weiß ich nicht wie ich die Events mit einbinden kann.

Mir würden auch Beispiele zu andern .net VIs helfen. Insbesondere zu Themen Container, Events, Lifetimeservice usw. damit ich weiß was man damit so alles anstellen kann.
Die Beispiel VIs die mit 7.1 kommen habe schon angeschaut sowie die auf der ni.com webseite. Aber wenn man die Foren so durchstöbert findet man leider nicht viel zu .net dabei halte ich es für sehr Leistungstark insbesondere wenn es um Windowskonektivität geht.

wäre toll wenn jemand was dazu beitragen könnte. Jegliche Tutorials und VIs würden mir weiter helfen

schöne grüße

wudl


Angehängte Datei(en)
Sonstige .zip  icon.zip (Größe: 25,37 KB / Downloads: 354)
Diese Nachricht in einer Antwort zitieren to top
Anzeige
18.02.2007, 15:14
Beitrag #2

Y-P Offline
☻ᴥᴥᴥ☻ᴥᴥᴥ☻
LVF-Team

Beiträge: 12.612
Registriert seit: Feb 2006

Developer Suite Core -> LabVIEW 2015 Prof.
2006
EN

71083
Deutschland
.net System Tray
Im NI-Forum gibt es zumindest schon mal ein Toolkit, das das kann.
Hier der Link: http://forums.ni.com/ni/board/message?boar...uireLogin=False

Gruß Markus

Edit: Und hier ist ein Beispiel ( http://digital.ni.com/public.nsf/allkb/E27...6256D250021D9FA ), wie man es selber hinbekommt, allerdings blicke ich da nicht mehr durch. Blush
Vielleicht kennt sich jemand anders damit besser aus.

--------------------------------------------------------------------------
Bitte stellt mir keine Fragen über PM, dafür ist das Forum da - andere haben vielleicht auch Interesse an der Antwort !!
--------------------------------------------------------------------------
Alle Beiträge dieses Benutzers finden
Diese Nachricht in einer Antwort zitieren to top
28.10.2008, 12:31 (Dieser Beitrag wurde zuletzt bearbeitet: 28.10.2008 21:55 von jg.)
Beitrag #3

Donald Offline
LVF-Grünschnabel
*


Beiträge: 27
Registriert seit: Sep 2008

8.5/8.6
2008
de

10319
Deutschland
.net System Tray
moin an alle!



ich muss das thema nochmal aufgreifen. Hab jetzt mal bei NI vorbeigeschaut (http://zone.ni.com/devzone/cda/epd/p/id/3915) und mir das bsp für´s Systray gezogen.
Dieses funktioniert auch wunderbar. Menü / Icon lassen sich angleichen, wie man möchte. Aber wenn ich über das Menu Show FrontPanel deaktiviere schliesst sich gleich die ganze Applikation. woran kann das liegen? liegt das möglicherweise an der framework version. 2.0 ist auf meine lapi installiert.


gruss und danke

Die genaue Versionsangabe zu dem Bsp. war bei NI nicht zufinden. lässt sich aber mit 8.5 problemlos öffen. Schätze aber mal es war LV 7.0,

Sonstige .zip  createnotifyicon.zip (Größe: 114,57 KB / Downloads: 378)
Lv82_img
Alle Beiträge dieses Benutzers finden
Diese Nachricht in einer Antwort zitieren to top
28.10.2008, 21:54
Beitrag #4

jg Offline
CLA & CLED
LVF-Team

Beiträge: 15.864
Registriert seit: Jun 2005

20xx / 8.x
1999
EN

Franken...
Deutschland
.net System Tray
' schrieb:Die genaue Versionsangabe zu dem Bsp. war bei NI nicht zufinden. lässt sich aber mit 8.5 problemlos öffen. Schätze aber mal es war LV 7.0,
[attachment=42570:createnotifyicon.zip](LV 7.0)
Offtopic
Wie bitte, nichts zu finden? Was steht denn hier:
   
Also, nix LV7, sondernLv82_img

Und wenn du es selber rausfinden willst, VI-Properties öffnen und auf der Seite "General" mal auf "List Unsaved Changes" klicken.

Wer die erhabene Weisheit der Mathematik tadelt, nährt sich von Verwirrung. (Leonardo da Vinci)

!! BITTE !! stellt mir keine Fragen über PM, dafür ist das Forum da - andere haben vielleicht auch Interesse an der Antwort!

Einführende Links zu LabVIEW, s. GerdWs Signatur.
Alle Beiträge dieses Benutzers finden
Diese Nachricht in einer Antwort zitieren to top
29.10.2008, 09:32
Beitrag #5

RoLe Offline
LVF-Guru
*****


Beiträge: 1.236
Registriert seit: Jul 2007

-
1997
en

0
Schweiz
.net System Tray
' schrieb:Aber wenn ich über das Menu Show FrontPanel deaktiviere schliesst sich gleich die ganze Applikation. woran kann das liegen?

Liegt wohl daran, das dies die gewünschte Funktion ist.
Das Fenster wird ausgeblendet, das TrayIcon ist noch da, und wenn du das Show Front Panel wieder aktivierst ist das Fenster wieder da.

.·´¯)--> Leben ist das, was dir passiert, wenn du eifrig dabei bist andere Pläne zu machen <--(¯`·.
Alle Beiträge dieses Benutzers finden
Diese Nachricht in einer Antwort zitieren to top
29.10.2008, 12:46
Beitrag #6

Donald Offline
LVF-Grünschnabel
*


Beiträge: 27
Registriert seit: Sep 2008

8.5/8.6
2008
de

10319
Deutschland
.net System Tray
' schrieb:Liegt wohl daran, das dies die gewünschte Funktion ist.
Das Fenster wird ausgeblendet, das TrayIcon ist noch da, und wenn du das Show Front Panel wieder aktivierst ist das Fenster wieder da.

Nein!!
Die Applikation schliesst sich, sobald ich über das Menü "Show Front Panel" versuche das Front Panel zu verstecken. Das Icon im Systemtray verschwindet auch. (spätestens dann, wenn man mit der Maus drüber geht).

Habe aber schon herrausgefunden, dass dieser Fall nicht mehr auftritt, wenn man RegisterEventCallBacks.vi während der Ausführung ebenfalls offen hat. Schließt man dieses VI, wird auch die Application beendet und das Icon verschwindet. Bloß warum ? Huh

@ Jens: Sorry habe ich übersehen.
Alle Beiträge dieses Benutzers finden
Diese Nachricht in einer Antwort zitieren to top
Anzeige
29.10.2008, 12:51
Beitrag #7

RoLe Offline
LVF-Guru
*****


Beiträge: 1.236
Registriert seit: Jul 2007

-
1997
en

0
Schweiz
.net System Tray
' schrieb:Nein!!
Die Applikation schliesst sich, sobald ich über das Menü "Show Front Panel" versuche das Front Panel zu verstecken. Das Icon im Systemtray verschwindet auch. (spätestens dann, wenn man mit der Maus drüber geht).

Habe aber schon herrausgefunden, dass dieser Fall nicht mehr auftritt, wenn man RegisterEventCallBacks.vi während der Ausführung ebenfalls offen hat. Schließt man dieses VI, wird auch die Application beendet und das Icon verschwindet. Bloß warum ? Huh

@ Jens: Sorry habe ich übersehen.

Bei mir ist das nicht so ...

.·´¯)--> Leben ist das, was dir passiert, wenn du eifrig dabei bist andere Pläne zu machen <--(¯`·.
Alle Beiträge dieses Benutzers finden
Diese Nachricht in einer Antwort zitieren to top
29.10.2008, 14:56
Beitrag #8

Ice Lord Offline
LVF-Gelegenheitsschreiber
**


Beiträge: 79
Registriert seit: Sep 2008

8.2, 8.5
2008
de

82256
Deutschland
.net System Tray
' schrieb:Bei mir ist das nicht so ...

Bei ist es genauso wie Donald sagt ...Wink
Ich verwende LV 8.5, aber deshalb sollte es doch trotzdem kompatibel sein!

Das Problem ist folgendes, so bald man bei "show frontpanel" den haken rausnimmt, passiert irgendwas ganz komisches.
Einmal schließt sich alles, einmal bleibt das icon einfach im Tray zurück (auch trotz mehrfachen anklicken links wie rechts).
Und des mit dem Baloon geht auch nicht..

Ich brauche genau diese Funktion, das ich das Frontpanel ins System Tray minimieren kann, nur ohne funktionierendes Beispiel komm ich einfach nicht weiter!

Hab da noch ne Frage. Ich weiß wie ich die Menuitems umbenenne, nur weiß ich nicht wie man jetzt ein die Funktion "registercallback" verwendet?!
Die Beispiele bringen mich auch nicht weiter, weil ich einfach nicht weiß, wie ich die Unterscheidung zwischen den Menuitems mach...
(Bei CVI würd ich einfach nach einem Eventcommit schauen, und dann "switch on Control (menuitem)" machen, ist es wirklich so kompliziert in VIEW??)

Und ich beschäftige mich gerade mit den .NET Dingen, und ich such schon vergeblich nach der Shell_notification Methode/Eigenschaft, nur find ich sie bei der ganzen .NET Auswahl einfach nicht (warum gibt es da keine Suche, oder steh ich aufm schlauch!?)

mfg
Alle Beiträge dieses Benutzers finden
Diese Nachricht in einer Antwort zitieren to top
30.10.2008, 13:01
Beitrag #9

RoLe Offline
LVF-Guru
*****


Beiträge: 1.236
Registriert seit: Jul 2007

-
1997
en

0
Schweiz
.net System Tray
' schrieb:Und ich beschäftige mich gerade mit den .NET Dingen, und ich such schon vergeblich nach der Shell_notification Methode/Eigenschaft, nur find ich sie bei der ganzen .NET Auswahl einfach nicht (warum gibt es da keine Suche, oder steh ich aufm schlauch!?)

In der LabVIEW Hilfe steht dazu nichts.
Gehst du auf MSDN

.·´¯)--> Leben ist das, was dir passiert, wenn du eifrig dabei bist andere Pläne zu machen <--(¯`·.
Alle Beiträge dieses Benutzers finden
Diese Nachricht in einer Antwort zitieren to top
30.10.2008, 14:43
Beitrag #10

Ice Lord Offline
LVF-Gelegenheitsschreiber
**


Beiträge: 79
Registriert seit: Sep 2008

8.2, 8.5
2008
de

82256
Deutschland
.net System Tray
Ja, also ich hab jetzt mal die Idee mit dem .NET übernhaufen geworfen, weil ich hab so ein nettes ToolKit für ActiveX gefunden.
Hab momentan nur ein paar Verständniss Probleme, und dabei könnt ihr mir bestimmt helfen?!

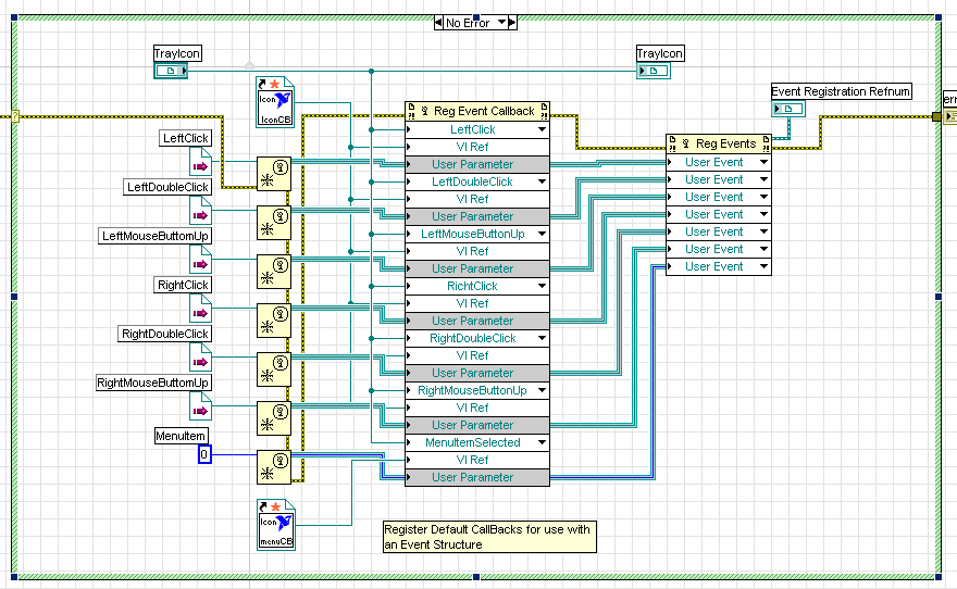
Also, Icon erstellen, Icon Menu, Icon anzeigen, ausblenden usw funktioniert alles, ich versteh nur nicht wie das mit den Event registrieren geht.
Da sind zeichen und Verbindungen dabei, dich ich zuvor noch nie gesehen hab, und ich blick irgendwie nicht durch.
Was sind das für zeichen auf der linken seite, und wie is der zusammenhang zu "User event erstellen"? Kann ich mit dem Block jedes x-beliebige Event erstellen?!
   


Ich hab 3 Menueinträge erstellt, und jetzt soll er halt unterscheiden welche der 3 einträge angeklickt wurde. Ich weiß aber nicht wie ich die Event Struktur dazu bringen auf die Menuitems selber "zu triggern".

hoffe ihr könnt mir helfen, hab mal des ganze Toolkit angehängt (des is wirklich nett), und mein VI

Sonstige .zip  LabVIEWTrayIcon.zip (Größe: 5,54 MB / Downloads: 350)

Lv85_img

Sonstige .vi  TES_ICON.vi (Größe: 30,11 KB / Downloads: 347)
Alle Beiträge dieses Benutzers finden
Diese Nachricht in einer Antwort zitieren to top
Antwort schreiben 


Möglicherweise verwandte Themen...
Themen Verfasser Antworten Views Letzter Beitrag
  einfaches Beispiel für system tray icon Trinitatis 3 7.006 11.07.2013 18:32
Letzter Beitrag: Holy

Gehe zu: