INFO: Dieses Forum nutzt Cookies...
Cookies sind für den Betrieb des Forums unverzichtbar. Mit der Nutzung des Forums erklärst Du dich damit einverstanden, dass wir Cookies verwenden.

Es wird in jedem Fall ein Cookie gesetzt um diesen Hinweis nicht mehr zu erhalten. Desweiteren setzen wir Google Adsense und Google Analytics ein.


Antwort schreiben 

Programm Findet Dynamisches Vi Nicht



Wenn dein Problem oder deine Frage geklärt worden ist, markiere den Beitrag als "Lösung",
indem du auf den "Lösung" Button rechts unter dem entsprechenden Beitrag klickst. Vielen Dank!

03.02.2009, 15:29
Beitrag #1

Mr-Plow Offline
LVF-Neueinsteiger


Beiträge: 8
Registriert seit: Feb 2009

6.0
2006
de

72768
Deutschland
Programm Findet Dynamisches Vi Nicht
Hallo zusammen.

Ein schon seid längerem bestehendes Programm habe ich um eine txt Datenausgabe erweitert. Soweit funktioniert auch alles ganz gut, nur nicht in der kompilierten Version.

Die alte .bld Datei habe ich um das neue dynamische VI erweitert (save_in_TXT_din). Es taucht nach der Installation der exe Datei auch in dem gewünschten Ordner auf. Jedoch findet das Programm beim Aufruf dieser Option das Vi leider nicht. Ich habe es im application builder unter "source files" als dynamisches VI und als support file versucht einzufügen, jedoch ohne Erfolg. Alle womöglich wichtigen Bilder hierzu habe ich unten angefügt.

Meine erste Frage hierzu wäre, was muss ich denn in LV 6.0.2 beachten wenn ich ein dynamisches VI einbinde?

Ich hoffe Ihr könnt mir weiter helfen,

vielen Dank und freundliche Grüße


Einfügen des VI's im application builder:
   

Fehlermeldung:
   

Pfad für VI Aufruf:
   

save_in_txt VI:
   
Alle Beiträge dieses Benutzers finden
Diese Nachricht in einer Antwort zitieren to top
Anzeige
03.02.2009, 15:48
Beitrag #2

jg Offline
CLA & CLED
LVF-Team

Beiträge: 15.864
Registriert seit: Jun 2005

20xx / 8.x
1999
EN

Franken...
Deutschland
Programm Findet Dynamisches Vi Nicht
Ich nehme mal an, dass du Ärger mit den Pfaden innerhalb der Exe hast, aber dass kann ich auf Grund der Screenshots nicht im Detail erkennen.

Also gut:
Zuerst: Die Funktion "Current VI's Path" liefert innerhalb einer exe folgendes zurück:
.../Application.exe/name.vi (... deutet das Verzeichnis an, in dem die Application.exe liegt).
Hierzu gibt es massig Threads im Forum, z.B.:
http://www.LabVIEWforum.de/index.php?showtopic=4866

Dann noch etwas zu dynamisch eingebunden VI's: Innerhalb einer Exe gehen alle vorher vielleicht vorhandenen Dateipfade und Unterverzeichnisse verloren. Im Prinzip langt es ein innerhalb einer Exe dynamisch eingebundenes VI nur per Namen (ohne weiter Pfade) aufzurufen.

Dann noch zur Frage: Ein dynamisch eingebundenes VI linkst du auch als dynamisches VI hinzu, nicht als Support File. Support Files werden als einzelne Files abgelegt und sind nicht Teil der Exe.

Gruß, Jens

Wer die erhabene Weisheit der Mathematik tadelt, nährt sich von Verwirrung. (Leonardo da Vinci)

!! BITTE !! stellt mir keine Fragen über PM, dafür ist das Forum da - andere haben vielleicht auch Interesse an der Antwort!

Einführende Links zu LabVIEW, s. GerdWs Signatur.
Alle Beiträge dieses Benutzers finden
Diese Nachricht in einer Antwort zitieren to top
04.02.2009, 15:54
Beitrag #3

Mr-Plow Offline
LVF-Neueinsteiger


Beiträge: 8
Registriert seit: Feb 2009

6.0
2006
de

72768
Deutschland
Programm Findet Dynamisches Vi Nicht
Vielen Dank schonmal,

ich werde jetzt einfach nochmal ein bisschen im Forum stöbern und hoffen dass ich den kleinen Fehler find.

Viele Grüße
Alle Beiträge dieses Benutzers finden
Diese Nachricht in einer Antwort zitieren to top
04.02.2009, 15:58
Beitrag #4

eg Offline
LVF-SeniorMod


Beiträge: 3.868
Registriert seit: Nov 2005

2016
2003
kA

66111
Deutschland
Programm Findet Dynamisches Vi Nicht
' schrieb:Dann noch zur Frage: Ein dynamisch eingebundenes VI linkst du auch als dynamisches VI hinzu, nicht als Support File. Support Files werden als einzelne Files abgelegt und sind nicht Teil der Exe.

Hmm

@Mr-Plow, probiere es mal einfach mit dem VI-Namen ohne irgendwelche Pfade vornedran.

Webseite des Benutzers besuchen Alle Beiträge dieses Benutzers finden
Diese Nachricht in einer Antwort zitieren to top
04.02.2009, 16:02
Beitrag #5

jg Offline
CLA & CLED
LVF-Team

Beiträge: 15.864
Registriert seit: Jun 2005

20xx / 8.x
1999
EN

Franken...
Deutschland
Programm Findet Dynamisches Vi Nicht
' schrieb:@Mr-Plow, probiere es mal einfach mit dem VI-Namen ohne irgendwelche Pfade vornedran.
Hatte ich das nicht auch schon gesagt...?
' schrieb:...
Im Prinzip langt es ein innerhalb einer Exe dynamisch eingebundenes VI nur per Namen (ohne weiter Pfade) aufzurufen.
...
Naja, es ist es nochmal deutlicher.

Wer die erhabene Weisheit der Mathematik tadelt, nährt sich von Verwirrung. (Leonardo da Vinci)

!! BITTE !! stellt mir keine Fragen über PM, dafür ist das Forum da - andere haben vielleicht auch Interesse an der Antwort!

Einführende Links zu LabVIEW, s. GerdWs Signatur.
Alle Beiträge dieses Benutzers finden
Diese Nachricht in einer Antwort zitieren to top
04.02.2009, 16:08
Beitrag #6

eg Offline
LVF-SeniorMod


Beiträge: 3.868
Registriert seit: Nov 2005

2016
2003
kA

66111
Deutschland
Programm Findet Dynamisches Vi Nicht
' schrieb:Hatte ich das nicht auch schon gesagt...?

Naja, es ist es nochmal deutlicher.


Ja, sorry, hab's übersehen, aber ich habe dich auch was anderes gefragt:

Zitat:Dann noch zur Frage: Ein dynamisch eingebundenes VI linkst du auch als dynamisches VI hinzu, nicht als Support File. Support Files werden als einzelne Files abgelegt und sind nicht Teil der Exe.

Was meinst du damit? Wi kannst du ein VI als dynamisch dazulinken? Ich mache es in "Always Included" und App Builder unterscheidet dann selbst ob er die Datei in Support- oder Exe- Verzeichnis legt.

Webseite des Benutzers besuchen Alle Beiträge dieses Benutzers finden
Diese Nachricht in einer Antwort zitieren to top
Anzeige
04.02.2009, 16:14
Beitrag #7

jg Offline
CLA & CLED
LVF-Team

Beiträge: 15.864
Registriert seit: Jun 2005

20xx / 8.x
1999
EN

Franken...
Deutschland
Programm Findet Dynamisches Vi Nicht
' schrieb:Ja, sorry, hab's übersehen, aber ich habe dich auch was anderes gefragt:
Was meinst du damit? Wi kannst du ein VI als dynamisch dazulinken? Ich mache es in "Always Included" und App Builder unterscheidet dann selbst ob er die Datei in Support- oder Exe- Verzeichnis legt.
Das war unter LV6 & 7 noch etwas anders. Da konntest du beim Hinzufügen von Files noch die Unterscheidung "dynamisch" und "Support File" machen.

Gruß, Jens

Wer die erhabene Weisheit der Mathematik tadelt, nährt sich von Verwirrung. (Leonardo da Vinci)

!! BITTE !! stellt mir keine Fragen über PM, dafür ist das Forum da - andere haben vielleicht auch Interesse an der Antwort!

Einführende Links zu LabVIEW, s. GerdWs Signatur.
Alle Beiträge dieses Benutzers finden
Diese Nachricht in einer Antwort zitieren to top
06.02.2009, 13:38 (Dieser Beitrag wurde zuletzt bearbeitet: 06.02.2009 13:43 von Mr-Plow.)
Beitrag #8

Mr-Plow Offline
LVF-Neueinsteiger


Beiträge: 8
Registriert seit: Feb 2009

6.0
2006
de

72768
Deutschland
Programm Findet Dynamisches Vi Nicht
Hallo,
vielen Dank nochmal für die schnellen Tips.

Ich habe das Problem leider noch nicht lösen können. Da das Programm auch riesig ist(mehrere hundert VI's usw) fehlt mir manchmal auch ein bisschen der Überblick.

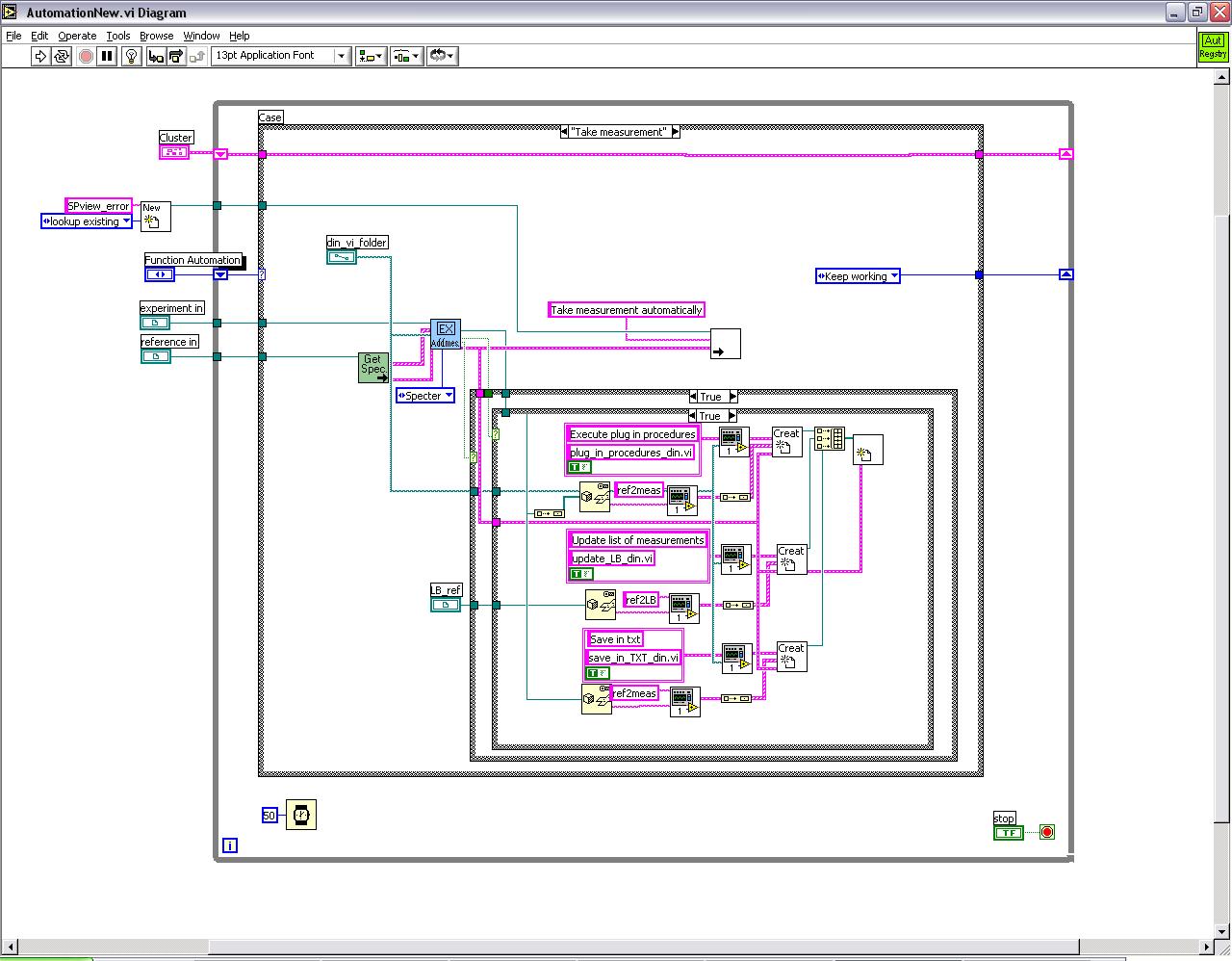
Das VI welches nicht gefunden wird, wird in einem Background-prozess als dynamisches VI aufgerufen.
Hatte dieses Bild in meinem Eröffnungsbeitrag noch nicht gezeigt. über diesen Prozess werden nacheinander immer 2 verschiedene VI's geladen. save_in_txt_din.vi und update_LB_din.vi (siehe Bild Pfad für VI Aufruf)
Da das 2te VI auch in der Applikation geladen wird, gehe ich davon aus dass dieses richtig implementiert ist. Einen Unterschied in den Pfaden konnte ich nicht feststellen.
Was mir aber komisch vorkommt ist, dass die anderen VI's wie es aussieht nicht als dynamische VI's im application-builder, sondern als support files geladen wurden...


Ich werde jetzt aber nochmal schauen ob ich es auch schaffe das VI nur über den Namen aufzurufen.

Gruß
Bastian


Angehängte Datei(en) Thumbnail(s)
   
Alle Beiträge dieses Benutzers finden
Diese Nachricht in einer Antwort zitieren to top
09.02.2009, 13:00
Beitrag #9

Mr-Plow Offline
LVF-Neueinsteiger


Beiträge: 8
Registriert seit: Feb 2009

6.0
2006
de

72768
Deutschland
Programm Findet Dynamisches Vi Nicht
Endlich funktioniert es Yahoo

Es lag nicht an den Pfaden, sondern ganz einfach an einem vergessenen VI.
Bin nur nicht darauf gekommen da die anderen VI's aus dieser llb schon eingebunden waren. Wir waren hier schon kurz davor das Projekt extern zu vergeben Rolleyes

Nochmal glück gehabt...

Ich muss mich als Neuling auch nochmals für die schnelle Hilfe bedanken. Dieses Forum hat mir doch sehr viel geholfen.Ich werde es in Zukunft auch weiter benutzen.

Viele Grüße
Bastian
Alle Beiträge dieses Benutzers finden
Diese Nachricht in einer Antwort zitieren to top
30
Antwort schreiben 


Möglicherweise verwandte Themen...
Themen Verfasser Antworten Views Letzter Beitrag
  Appl Builder findet DLL nicht obwohl vorhanden Torsten Schönbach 3 8.227 15.05.2014 10:44
Letzter Beitrag: rolfk
  Programm funktioniert im LabView, als .exe nicht. pdengg 16 20.708 18.09.2012 07:44
Letzter Beitrag: Achim
  LabVIEW Programm als eigenes Programm starten labtoni 5 9.748 19.12.2011 15:21
Letzter Beitrag: labtoni
  EXE findet Datenbank nicht mehr olmethn 3 6.817 09.07.2010 10:28
Letzter Beitrag: GerdW
  Exe-Datei findet externe Bibliothek "DLL" nicht! Chrille76 2 7.847 06.05.2010 16:25
Letzter Beitrag: Chrille76
  Application Builder findet Dateien nicht MirkoB 4 6.682 14.04.2010 13:56
Letzter Beitrag: MirkoB

Gehe zu: