INFO: Dieses Forum nutzt Cookies...
Cookies sind für den Betrieb des Forums unverzichtbar. Mit der Nutzung des Forums erklärst Du dich damit einverstanden, dass wir Cookies verwenden.

Es wird in jedem Fall ein Cookie gesetzt um diesen Hinweis nicht mehr zu erhalten. Desweiteren setzen wir Google Adsense und Google Analytics ein.


Antwort schreiben 

hin und her switchen zwischen Plots



Wenn dein Problem oder deine Frage geklärt worden ist, markiere den Beitrag als "Lösung",
indem du auf den "Lösung" Button rechts unter dem entsprechenden Beitrag klickst. Vielen Dank!

10.06.2009, 11:18
Beitrag #1

bitstar Offline
LVF-Grünschnabel
*


Beiträge: 17
Registriert seit: May 2006

2011
-
DE

010xx
Deutschland
hin und her switchen zwischen Plots
Hallo alle zusammen,

und zwar habe ich folgendes Problem:
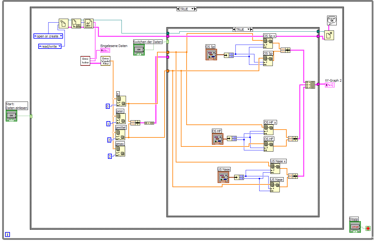
letztendlich habe ich es soweit geschafft, dass ich die Daten nach Aktivierung eines Buttons einlesen lassen kann und diese für die Weiterverarbeitung vorbereitet werden. Nun habe ich einen Plot, der erst die bereiteten Daten anzeigen und bei Betätigung weiter veränderte Daten darstellen soll, so dass man immer zwischen den Plots hin und herswitchen kann. Nur ist es jetzt so, dass in Abhängigkeit von der Aktivierung des Buttons im Vorhinein die Daten dargestellt werden, aber kein switchen möglich ist.
Hat jemand eine Idee? Danke im Voraus.

Grüße,
bitstar


Angehängte Datei(en) Thumbnail(s)
       
Alle Beiträge dieses Benutzers finden
Diese Nachricht in einer Antwort zitieren to top
Anzeige
10.06.2009, 13:00
Beitrag #2

SeBa Offline
LVF-Guru
*****


Beiträge: 2.025
Registriert seit: Oct 2008

09SP1 & 10 FDS
2008
DE

65xxx
Deutschland
hin und her switchen zwischen Plots
Moin,

also wenn dein Datei Einlesen Schalter nicht 'Latch beim Drücken' macht, liest dein Programm dauernt die Datei neu ein. Da du den Pfadeingang zum Datei-Öffnen VI nicht verbunden hast, würde das bedeuten, dass sich der Öffnen-Dialog pausenlos neu öffnet.

Ist der Schalter doch 'Latch beim Drücken', dann Fragt LV dich einmal nach der Datei zum Einlesen. Danach nicht mehr. Und das ist dann auch dein Problem. Die Daten werden ja nirgends zwischegespeichert. Nachdem die Daten den Graph erreicht heben, sind sie ja nicht mehr 'vor' deinem 'Switchen der Daten' Case. Wenn du also den Casezustand wechselst, liegen an dessem Eingang keine Daten vor (es sei denn du liest die Datei vorher erneut ein).

Also entweder Daten zwischenspeichern oder beim Wechseln des 'Switchen der Daten' Case erneut einlesen.

Übrigens solltest du eine Wartezeit in der While-Schleife einbauen, um deinen Prozessor nicht damit zu quälen. 50ms bis 100ms sind (glaub ich) ausreichend um den Prozessor zu entlasten ohne dass du eine Verzögerung bei der Ausführung bemerkst.


Gruß
SeBa

Dieser Beitrag soll weder nützlich, informativ noch lesbar sein.

Er erhebt lediglich den Anspruch dort wo er ungenau ist, wenigstens eindeutig ungenau zu sein.
In Fällen größerer Abweichungen ist es immer der Leser, der sich geirrt hat.

Rette einen Baum!
Diesen Beitrag nur ausdrucken, wenn unbedingt nötig!
Alle Beiträge dieses Benutzers finden
Diese Nachricht in einer Antwort zitieren to top
10.06.2009, 13:13
Beitrag #3

TSC Offline
LVF-Team
LVF-Team

Beiträge: 1.882
Registriert seit: Sep 2008

LV 2018 SP1
2008
EN

52379
Deutschland
hin und her switchen zwischen Plots
Eine sinnvolle Alternative wäre eine Ereignisstruktur.

In dem VI ist eine Schleife die läuft bis du Stopp drückst. In der Schleife befindet sich eine Ereignisstruktur, welche folgende Ereignisse behandelt:

Timeout: nach 10 millisekunden wird dieser Case ausgeführt schlöießt man eine -1 an, wird unendlich lang gewartet, gegebenenfalls blokiert das programm dadurch.

Stopp: sendet den Wert des Stopp-Knopfes an die schleifenbedingung

Switch: reagiert auf den switch-button

Read: reagiert auf den read-button


Lv80_img
Sonstige .vi  Unbenannt_2.vi (Größe: 9,55 KB / Downloads: 286)


LG
Torsten

"Über Fragen, die ich nicht beantworten kann, zerbreche ich mir nicht den Kopf!" (Konrad Zuse)
Alle Beiträge dieses Benutzers finden
Diese Nachricht in einer Antwort zitieren to top
10.06.2009, 15:45
Beitrag #4

bitstar Offline
LVF-Grünschnabel
*


Beiträge: 17
Registriert seit: May 2006

2011
-
DE

010xx
Deutschland
hin und her switchen zwischen Plots
Recht vielen Dank ihr beiden! Ich probiere beide Varianten aus! Wie schaffe ich die Lösung mit dem Zwischenspeicher? Über Schieberegister?

Grüße,
bitstar
Alle Beiträge dieses Benutzers finden
Diese Nachricht in einer Antwort zitieren to top
10.06.2009, 16:12
Beitrag #5

bitstar Offline
LVF-Grünschnabel
*


Beiträge: 17
Registriert seit: May 2006

2011
-
DE

010xx
Deutschland
hin und her switchen zwischen Plots
Tschac, ich habe noch vergessen zu fragen wie es mit dem ereignis-case switch sein soll, da der case ja auch auf die geladenen daten zugreifen muss, die ich im read-case einlese. sind die daten dann im zwischenspeicher so dass im switch-case nur noch die verarbeitung der daten stehen muss und nicht mehr das einladen?

grüße,
bitstar
Alle Beiträge dieses Benutzers finden
Diese Nachricht in einer Antwort zitieren to top
10.06.2009, 16:33
Beitrag #6

TSC Offline
LVF-Team
LVF-Team

Beiträge: 1.882
Registriert seit: Sep 2008

LV 2018 SP1
2008
EN

52379
Deutschland
hin und her switchen zwischen Plots
du könntest die Daten im Read-Case in ein Array schrieben (oder welche Datenstruktur auch grade für dich passt). Dann kannst du mit Eigenschaftsknoten oder lokalenVariablen dieses Array auslesen. Deer Programm ablauf wäre dann folgender:

1. Prog starten
wartet dann auf benutzeraktion und führt nach gewisser zeit den timeout-case aus

2. Read drücken
Daten werden eingelesen und in ein Array geschrieben.

3. Switch drücken
zugriff auf die vorher eingelesenen daten und switchen (ich weiß nciht genau was das machen soll). Falls vorher ncihts eingelesen wurde, ist das Array leer, das muss man dabei berücksichtigen.

4. Stopp drücken
das programm wird geschlossen

Natürlich kannst du auch mehrmals hintereinander neue daten einlesen oder mehrmals switchen.

LG
Torsten

"Über Fragen, die ich nicht beantworten kann, zerbreche ich mir nicht den Kopf!" (Konrad Zuse)
Alle Beiträge dieses Benutzers finden
Diese Nachricht in einer Antwort zitieren to top
Anzeige
10.06.2009, 16:55
Beitrag #7

bitstar Offline
LVF-Grünschnabel
*


Beiträge: 17
Registriert seit: May 2006

2011
-
DE

010xx
Deutschland
hin und her switchen zwischen Plots
danke tschac... die eingelesenen Daten sollen in einem Graphen dargestellt werden, da ich auf dem frontpanel aber nur ein diagramm positionieren will, möchte ich die weiter gefilterten daten auch in diesem diagramm aber ohne "plot1" darstellen und der switch soll eben zwischen diesen beiden darstellungen hin und her switchen.

grüße,
bitstar
Alle Beiträge dieses Benutzers finden
Diese Nachricht in einer Antwort zitieren to top
10.06.2009, 19:48 (Dieser Beitrag wurde zuletzt bearbeitet: 10.06.2009 19:52 von Lucki.)
Beitrag #8

Lucki Offline
Tech.Exp.2.Klasse
LVF-Team

Beiträge: 7.699
Registriert seit: Mar 2006

LV 2016-18 prof.
1995
DE

01108
Deutschland
hin und her switchen zwischen Plots
' schrieb:danke tschac... die eingelesenen Daten sollen in einem Graphen dargestellt werden, da ich auf dem frontpanel aber nur ein diagramm positionieren will, möchte ich die weiter gefilterten daten auch in diesem diagramm aber ohne "plot1" darstellen und der switch soll eben zwischen diesen beiden darstellungen hin und her switchen.
Warum denn überhaupt mit den Daten etwas tun. Die unbearbeiteten und bearbeiteten Daten in zwei Diagrammen darstellen, die Diagramme exakt übereinanderlegen und jeweils nur ein Diagramm sichtbar machen.
Lv80_img
Sonstige .vi  Beispiel.vi (Größe: 20,87 KB / Downloads: 262)
Alle Beiträge dieses Benutzers finden
Diese Nachricht in einer Antwort zitieren to top
11.06.2009, 12:16
Beitrag #9

bitstar Offline
LVF-Grünschnabel
*


Beiträge: 17
Registriert seit: May 2006

2011
-
DE

010xx
Deutschland
hin und her switchen zwischen Plots
Das ist natürlich auch eine Möglichkeit lucki. Ich probiers aus. Danke Dir!

Grüße,
bitstar
Alle Beiträge dieses Benutzers finden
Diese Nachricht in einer Antwort zitieren to top
11.06.2009, 13:46
Beitrag #10

TSC Offline
LVF-Team
LVF-Team

Beiträge: 1.882
Registriert seit: Sep 2008

LV 2018 SP1
2008
EN

52379
Deutschland
hin und her switchen zwischen Plots
oder man verwendet ein registerkartenelement. warum sollte man mit visible/unvisible arbeiten, wenn man die funktionalität zum ein-/ausblenden sowiso dem user bereit stellt?

LG
Torsten

"Über Fragen, die ich nicht beantworten kann, zerbreche ich mir nicht den Kopf!" (Konrad Zuse)
Alle Beiträge dieses Benutzers finden
Diese Nachricht in einer Antwort zitieren to top
30
Antwort schreiben 


Gehe zu: