INFO: Dieses Forum nutzt Cookies...
Cookies sind für den Betrieb des Forums unverzichtbar. Mit der Nutzung des Forums erklärst Du dich damit einverstanden, dass wir Cookies verwenden.

Es wird in jedem Fall ein Cookie gesetzt um diesen Hinweis nicht mehr zu erhalten. Desweiteren setzen wir Google Adsense und Google Analytics ein.


Antwort schreiben 

PID Reglerausgang richtig verwenden



Wenn dein Problem oder deine Frage geklärt worden ist, markiere den Beitrag als "Lösung",
indem du auf den "Lösung" Button rechts unter dem entsprechenden Beitrag klickst. Vielen Dank!

06.07.2009, 17:45
Beitrag #1

Kyes Offline
LVF-Neueinsteiger


Beiträge: 2
Registriert seit: Jul 2009

8.2
-
de

52070
Deutschland
PID Reglerausgang richtig verwenden
Hallo zusammen,

ich habe ein grundlegendes Problem, wie ich meinen PID-Reglerausgang richtig für eine Ansteuerung meiner Hardware verwenden soll.
Hierzu ersteinmal ein paar Infos zur Anlage. Die Anlage besitzt einen Pumpenstand, der aus einem Verarbeitungsprozess Feuchtigkeit entzieht. Die Feuchtigkeit, wird von einem im Prozessverlauf untergebrachten Sensor gemessen und über ein Fieldpoint AI Signal an LabVIEW übergeben. In LabVIEW soll der Pumpenstand geregelt werden, so dass immer eine bestimmte Feuchte im System ist. Durch den Verarbeitungsprozess kommt allerdings immer neues Wasser in das System hinein, weswegen der Pumpenstand immer auf einem gewissen Level laufen muss.
Das Steuern des Pumpenstandes über das FieldPoint AO und das erfassen der Feuchtigkeitswerte über den AI des Fieldpoints funktioniert einwandfrei. Der Pumpenstand kann Werte zwischen 0 und 1 Bar stufenlos anfahren und halten. Den gewünschtenDruck kann man mit einem entsprechenden analog Signal von 4mA bis 20mA anfahren.
Um die Sache zu vereinfachen gehe ich nur von einem P-Regler aus. (dieser wird nicht ausreichen um das System zu regeln, ist aber anschaulicher für das Problem). Nehmen wir an, der Istwert der Feuchtigkeit liegt bei 60% und ich gebe einen Sollwert von 40% vor. Der Fehler, der in den P-Regler hineingeht beträgt demnach 20%. Dieser wird mit dem P-Anteil multipliziert und auf den Ausgang gelegt (z.B. eine Range von -100 bis +100). Nehmen wir zur Vereinfachung einmal an, dass der P-Anteil 1 wäre. Dann würde am Reglerausgang 20% herauskommen. (Das würde einfach nur dem momentanen Fehler entsprechen).
Nun ist aber die Frage, wie gehe ich weiter mit diesem Signal vor? Den Ausgang des Reglers, sprich 20%, auf den mA Bereich des Pumpenstandes zu setzen würde keinen Sinn ergeben. Falls der Fehler 0 wäre, wäre des Ausgang des Reglers 0 und der Eingang an den Pumpenstand wäre 0mA (den ich dann natürlich auf 4mA hochsetzen würde). 4mA bedeutet aber beim Pumpenstand, dass er gar nicht saugen soll, also 1 Bar anfahren soll.
Momentan habe versucht das Problem zu lösen, in dem ich den Reglerausgang pro Schleifendurchgang prozentual auf den aktuellen Istwert vom Pumpenstand hinzuaddiere. Dies schien mir das Geeigneteste zu sein. Allerdings würde ich hier das Problem hinzubekommen, dass die Geschwindigkeit der While-Schleife in der das ganze liegt, direkten Einfluss darauf hat, wie schnell der Pumpenstand hochgeregelt wird. Ich denke, bei einem schnellen System, was schnell auf eine Änderung reagieren würde, wäre das ok. Allerdings vergeht ca. 1-2 Minuten bevor die Auswirkung des Pumpenstandes Einfluss auf die gemessene Feuchte hat.

Hat hier jemand evtl. Erfahrungen mit ähnlichen Problemen sammeln können und kann einem da evtl. weiterhelfen? Ich hoffe meine Erklärung an sich ist leicht zu verstehen.
Alle Beiträge dieses Benutzers finden
Diese Nachricht in einer Antwort zitieren to top
Anzeige
07.07.2009, 16:22
Beitrag #2

gottfried Offline
LVF-Guru
*****


Beiträge: 1.735
Registriert seit: Mar 2007

2019
2004
EN

20**
Oesterreich
PID Reglerausgang richtig verwenden
Wenn Du ein Beispiel VI hochlädst das das Problem demostriert ist alles viel einfacher.

Gottfried

mein wöchentlicher (eigenwilliger) Beitrag zur Innovation
http://innovation1.wordpress.com/
Webseite des Benutzers besuchen Alle Beiträge dieses Benutzers finden
Diese Nachricht in einer Antwort zitieren to top
08.07.2009, 14:07
Beitrag #3

Kyes Offline
LVF-Neueinsteiger


Beiträge: 2
Registriert seit: Jul 2009

8.2
-
de

52070
Deutschland
PID Reglerausgang richtig verwenden
Hallo Gottfried,

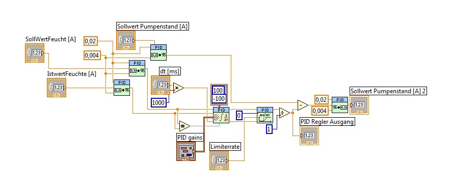
da ich nur Probleme mit der genauen Verarbeitung des Reglerwertes habe, lade ich einmal das PID SubVi hoch. Dieses VI wird inenrhalb einer Whileschleife, in der ich die Daten vom Fieldpoint auslese und einlese durchgeführt. Die jeweils aktuellen Werte werden dem SubVI übergeben. Ein paar Zahlen in dem SubVI sind für mich zum ausprobieren.
Was auf den ersten Anblick evtl. seltsam ist, ist dass ich den Reglerausgang vom aktuellen Wert abziehe und nicht hinzuaddiere. Das "Abziehen" an sich ist aber Aufgrund der Signaleingabe am Pumpenstand richtig und ist auch nicht das eigentliche Problem.
Der dt [ms] Wert in meinem VI ist die Wartezeit, die ich in der übergeordneten While-Schleife angebe.
Hilft dies evtl. mit meinem obigen Beitrag weiter?

Gruß
Kyes


Angehängte Datei(en) Thumbnail(s)
   
Alle Beiträge dieses Benutzers finden
Diese Nachricht in einer Antwort zitieren to top
Antwort schreiben 


Möglicherweise verwandte Themen...
Themen Verfasser Antworten Views Letzter Beitrag
  PID Reglerausgang soll Integerwerte ausgeben PTBist 3 4.141 19.11.2016 16:49
Letzter Beitrag: GerdW
  SubVI richtig verwenden. RST 12 13.069 21.09.2010 12:37
Letzter Beitrag: GerdW

Gehe zu: