INFO: Dieses Forum nutzt Cookies...
Cookies sind für den Betrieb des Forums unverzichtbar. Mit der Nutzung des Forums erklärst Du dich damit einverstanden, dass wir Cookies verwenden.

Es wird in jedem Fall ein Cookie gesetzt um diesen Hinweis nicht mehr zu erhalten. Desweiteren setzen wir Google Adsense und Google Analytics ein.


Antwort schreiben 

ActiveX - Daten für Excel aufbereiten



Wenn dein Problem oder deine Frage geklärt worden ist, markiere den Beitrag als "Lösung",
indem du auf den "Lösung" Button rechts unter dem entsprechenden Beitrag klickst. Vielen Dank!

05.08.2009, 15:37
Beitrag #21

SeBa Offline
LVF-Guru
*****


Beiträge: 2.025
Registriert seit: Oct 2008

09SP1 & 10 FDS
2008
DE

65xxx
Deutschland
ActiveX - Daten für Excel aufbereiten
' schrieb:Weißt Du, ich möchte ja im Frontpanel meine Blöcke auswählen können (egal, wieviele dort enthalten sind),also z.B. den 1. oder den 34. oder wie auch immer..

Hast Du hier ne Idee??

Viele Grüße - Erik
Ideen hab ich viele, nur ob die so sinnvoll sind ist manchmal die FrageBig Grin

So z.B.

   

Lv86_img
Sonstige .vi  Einlesen_Darstellen_neu_nochbesser.vi (Größe: 25,3 KB / Downloads: 261)


Feierabend...

Gruß SeBa

Dieser Beitrag soll weder nützlich, informativ noch lesbar sein.

Er erhebt lediglich den Anspruch dort wo er ungenau ist, wenigstens eindeutig ungenau zu sein.
In Fällen größerer Abweichungen ist es immer der Leser, der sich geirrt hat.

Rette einen Baum!
Diesen Beitrag nur ausdrucken, wenn unbedingt nötig!
Alle Beiträge dieses Benutzers finden
Diese Nachricht in einer Antwort zitieren to top
05.08.2009, 18:49
Beitrag #22

Erik Offline
LVF-Grünschnabel
*


Beiträge: 14
Registriert seit: Jul 2009

8.6 Studentenversion
2008
de

13587
Deutschland
ActiveX - Daten für Excel aufbereiten
@ SeBa:

Sehr gut, dass war ein guter Einfall. Mir ist grad beim Testen noch etwas aufgefallen, was ich grad versuch zu ändern. Nur will das mal wieder nicht so.

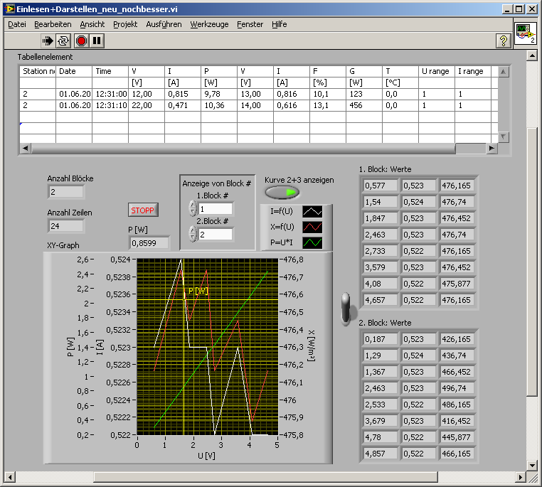
Das mit dem Cursor in dem Diagram ist ein guter Ansatz, nur wäre es toll, wenn man mit íhm die dargestellten Kurven "abfahren" könnte? Dies betrifft aber nur die Leistungskennlinie, es wäre schön, wenn ich die Leistungskennlinie mit dem Cursor abfahre, an bestimmten Punkten den aktuellen Leistungswert dargestellt bekomme (im Frontpanel P[W]).

Die Darstellung der Kurve 2+3, also X=f(U) und P=U*I, funktioniert bei eingeschaltetem Block2 gut, ich bekomm es leider ned hin, dass sie auch bei ausgeschaltetem Block2 angezeigt werden (sprich bei Betätigung des Schalters).

Kannst Du mir zeigen, wie ich noch ein zusätzliches Diagramm bekomme, wo ich die 3 Verläufe der gewählten Blöcke in einem Diagramm hab?

Erkennt dieses Prog automatisch, wieviele Blöcke und Zeilen in "kurve.asc" sind?

Ich wünsche Dir noch einen schönen Abend und freu mich auf Deine Antwort!

Viele Grüße aus Berlin - Erik
Alle Beiträge dieses Benutzers finden
Diese Nachricht in einer Antwort zitieren to top
06.08.2009, 07:00
Beitrag #23

SeBa Offline
LVF-Guru
*****


Beiträge: 2.025
Registriert seit: Oct 2008

09SP1 & 10 FDS
2008
DE

65xxx
Deutschland
ActiveX - Daten für Excel aufbereiten
' schrieb:@ SeBa:

Sehr gut, dass war ein guter Einfall. Mir ist grad beim Testen noch etwas aufgefallen, was ich grad versuch zu ändern. Nur will das mal wieder nicht so.

Das mit dem Cursor in dem Diagram ist ein guter Ansatz, nur wäre es toll, wenn man mit íhm die dargestellten Kurven "abfahren" könnte? Dies betrifft aber nur die Leistungskennlinie, es wäre schön, wenn ich die Leistungskennlinie mit dem Cursor abfahre, an bestimmten Punkten den aktuellen Leistungswert dargestellt bekomme (im Frontpanel P[W]). ... machbar (Bild 1), aber du kannst nur Punkte deiner Kurve anfahren, die auch vorhanden sind. Das bedeutet, der Cursor springt relativ weit von Punkt zu Punkt. (evtl. kann man ja zwischendrin linear zusätzliche Punkte errechnen, aber ... keine Ahnung)

Die Darstellung der Kurve 2+3, also X=f(U) und P=U*I, funktioniert bei eingeschaltetem Block2 gut ... ich sehe grad, dass der Blockauswahlschalter invertiert werden muss. Im Moment zeigt er den falschen Block an., ich bekomm es leider ned hin, dass sie auch bei ausgeschaltetem Block2 angezeigt werden (sprich bei Betätigung des Schalters). ... Versteh ich grad nicht was du meinst. Evtl. hilft dir das: Es wird entweder Block 1 oder Block 2 angezeigt.
Kannst Du mir zeigen, wie ich noch ein zusätzliches Diagramm bekomme, wo ich die 3 Verläufe der gewählten Blöcke in einem Diagramm hab? ... also ein Diagramm mit 6 ähnlichen Kurven? wird ganz schön unübersichtlich. Aber zum Testen nimmst du die "Array erstellen" Funktion aus dem "Kurve2+3 anzeigen" Case (Strg gedrückt halten, linke Maustaste gedrückt halten, wegziehen -> VI kopiert) und verbindest beide Eingänge in dem Block-Auswahl Case. Dann hast du einen Case, in dem alle 6 Kurven in ein Diagramm kommen.

Erkennt dieses Prog automatisch, wieviele Blöcke und Zeilen in "kurve.asc" sind? ... Bild 2

Ich wünsche Dir noch einen schönen Abend und freu mich auf Deine Antwort!

Viele Grüße aus Berlin - Erik

Bild 1:
Rechtsklick auf das Diagramm -> Eigenschaften -> Cursor
   

Bild 2:
nein, die Werte fallen nicht vom Himmel, auch hat keine kleine Elfe sie uns zugeflüstertBig Grin
   


Gruß SeBa

Dieser Beitrag soll weder nützlich, informativ noch lesbar sein.

Er erhebt lediglich den Anspruch dort wo er ungenau ist, wenigstens eindeutig ungenau zu sein.
In Fällen größerer Abweichungen ist es immer der Leser, der sich geirrt hat.

Rette einen Baum!
Diesen Beitrag nur ausdrucken, wenn unbedingt nötig!
Alle Beiträge dieses Benutzers finden
Diese Nachricht in einer Antwort zitieren to top
06.08.2009, 08:33
Beitrag #24

Erik Offline
LVF-Grünschnabel
*


Beiträge: 14
Registriert seit: Jul 2009

8.6 Studentenversion
2008
de

13587
Deutschland
ActiveX - Daten für Excel aufbereiten
Hallo SeBa,

okay, ich werd das mal ausprobieren. Kannst Du mir sagen, woran es liegt, dass er den "grünen Verlauf" bei Block 1 nicht anzeigt und dies bei Block 2 macht ?

Das mit der Invertierung des Blockauswahlschalters, wie soll das funktionieren?Smile

Viele Grüße - Erik
Alle Beiträge dieses Benutzers finden
Diese Nachricht in einer Antwort zitieren to top
06.08.2009, 08:58
Beitrag #25

SeBa Offline
LVF-Guru
*****


Beiträge: 2.025
Registriert seit: Oct 2008

09SP1 & 10 FDS
2008
DE

65xxx
Deutschland
ActiveX - Daten für Excel aufbereiten
Ich weiß immer noch nicht was du genau meinst, sorry.

Hier mal ein Bilder von beiden Blöcken... immer zu sehen ist die grüne Line.
Bei dir nicht? -> Screenshot machen und zusammen mit VI hochladen...
       

Invertieren -> also entweder den boolschen Wert des Schalters negieren oder die Kabel in dem Blockauswahl Case tauschen.
   


Gruß SeBa

Dieser Beitrag soll weder nützlich, informativ noch lesbar sein.

Er erhebt lediglich den Anspruch dort wo er ungenau ist, wenigstens eindeutig ungenau zu sein.
In Fällen größerer Abweichungen ist es immer der Leser, der sich geirrt hat.

Rette einen Baum!
Diesen Beitrag nur ausdrucken, wenn unbedingt nötig!
Alle Beiträge dieses Benutzers finden
Diese Nachricht in einer Antwort zitieren to top
06.08.2009, 09:17
Beitrag #26

SeBa Offline
LVF-Guru
*****


Beiträge: 2.025
Registriert seit: Oct 2008

09SP1 & 10 FDS
2008
DE

65xxx
Deutschland
ActiveX - Daten für Excel aufbereiten
' schrieb:... also ein Diagramm mit 6 ähnlichen Kurven? wird ganz schön unübersichtlich. Aber zum Testen nimmst du die "Array erstellen" Funktion aus dem "Kurve2+3 anzeigen" Case (Strg gedrückt halten, linke Maustaste gedrückt halten, wegziehen -> VI kopiert) und verbindest beide Eingänge in dem Block-Auswahl Case. Dann hast du einen Case, in dem alle 6 Kurven in ein Diagramm kommen.


Hab grad gemerkt das ich mich eigentlich nie mit Diagrammen beschäftige.Lol
Das geht ja garnicht.

Versuch es lieber so:
   

Dieser Beitrag soll weder nützlich, informativ noch lesbar sein.

Er erhebt lediglich den Anspruch dort wo er ungenau ist, wenigstens eindeutig ungenau zu sein.
In Fällen größerer Abweichungen ist es immer der Leser, der sich geirrt hat.

Rette einen Baum!
Diesen Beitrag nur ausdrucken, wenn unbedingt nötig!
Alle Beiträge dieses Benutzers finden
Diese Nachricht in einer Antwort zitieren to top
Anzeige
06.08.2009, 09:33
Beitrag #27

Erik Offline
LVF-Grünschnabel
*


Beiträge: 14
Registriert seit: Jul 2009

8.6 Studentenversion
2008
de

13587
Deutschland
ActiveX - Daten für Excel aufbereiten
Hallo SeBa:

wie meintest Du das mit den Diagrammen, kannst Du das geänderte VI mal reinstellen, das wäre prima?

Eine letzte Frage hätt ich noch, ich würde gern noch folgendes drin haben:

-> 6 kleinere Diagramme, wo ich aus "para.asc" foglendes darstellen möchte:

V1 in Abhängigkeit von der Zeit (also Startpunkt 0 und dann über 200h)
I1 in Abhängigkeit von der Zeit (also Startpunkt 0 und dann über 200h)

V2 in Abhängigkeit von der Zeit (also Startpunkt 0 und dann über 200h)
I2 in Abhängigkeit von der Zeit (also Startpunkt 0 und dann über 200h)

P in Abhängigkeit von der Zeit (also Startpunkt 0 und dann über 200h)
F in Abhängigkeit von der Zeit (also Startpunkt 0 und dann über 200h)

Das wäre super, wenn Du mir hier weiterhelfen könntest?

Beste Grüße - Eric
Alle Beiträge dieses Benutzers finden
Diese Nachricht in einer Antwort zitieren to top
06.08.2009, 10:01
Beitrag #28

Erik Offline
LVF-Grünschnabel
*


Beiträge: 14
Registriert seit: Jul 2009

8.6 Studentenversion
2008
de

13587
Deutschland
ActiveX - Daten für Excel aufbereiten
@ SeBa:

das Diagramm soll so sein, wie in "curv.jpg" und der Leistungsverlauf soll ausschauen, wie in "verlauf.jpg" also I= f(U).
Kannst Du mir das evtl. noch ändern, wäre prima!

Viele Grüße


Angehängte Datei(en) Thumbnail(s)
   
Alle Beiträge dieses Benutzers finden
Diese Nachricht in einer Antwort zitieren to top
06.08.2009, 10:02
Beitrag #29

SeBa Offline
LVF-Guru
*****


Beiträge: 2.025
Registriert seit: Oct 2008

09SP1 & 10 FDS
2008
DE

65xxx
Deutschland
ActiveX - Daten für Excel aufbereiten
Damit meine ich, dass es für mich das erste Mal war das ich ein Diagramm erstellt habe.
Ich betreibe LV im Moment sowieso eher als "Hobby".

Das VI hab ich nicht gespeichert, aber du kannst es ja einfach abmalen.

Ansonsten weißt du mittlerweile wie man an Daten rankommt und wie du diese dann in ein Diagramm bekommst.
Ich denke es ist nun an der Zeit, dass du selber probierst und deine Versuche postes. Dann können wir immer noch drüberschaun und Hilfestellung geben.
Mein Chef bezahlt mich aber nicht dafür (du ja auch nicht...), dass ich deine Applikationen für dich entwickel.

Also von nun an bitte etwas mehr Eigeninitiative und etwas weniger "toll das ist super, aber ... kannst du nicht noch Dieses und Jenes für mich einbauen?".

MfG SeBa

Dieser Beitrag soll weder nützlich, informativ noch lesbar sein.

Er erhebt lediglich den Anspruch dort wo er ungenau ist, wenigstens eindeutig ungenau zu sein.
In Fällen größerer Abweichungen ist es immer der Leser, der sich geirrt hat.

Rette einen Baum!
Diesen Beitrag nur ausdrucken, wenn unbedingt nötig!
Alle Beiträge dieses Benutzers finden
Diese Nachricht in einer Antwort zitieren to top
06.08.2009, 10:14
Beitrag #30

jg Offline
CLA & CLED
LVF-Team

Beiträge: 15.864
Registriert seit: Jun 2005

20xx / 8.x
1999
EN

Franken...
Deutschland
ActiveX - Daten für Excel aufbereiten
Offtopic2
' schrieb:Mein Chef bezahlt mich aber nicht dafür (du ja auch nicht...), dass ich deine Applikationen für dich entwickel.

Also von nun an bitte etwas mehr Eigeninitiative und etwas weniger "toll das ist super, aber ... kannst du nicht noch Dieses und Jenes für mich einbauen?".
Das hat aber lange gedauert... Big Grin
Bei mir ist schon gestern in diesem Thread der Geduldsfaden gerissen...

Gruß, Jens

Wer die erhabene Weisheit der Mathematik tadelt, nährt sich von Verwirrung. (Leonardo da Vinci)

!! BITTE !! stellt mir keine Fragen über PM, dafür ist das Forum da - andere haben vielleicht auch Interesse an der Antwort!

Einführende Links zu LabVIEW, s. GerdWs Signatur.
Alle Beiträge dieses Benutzers finden
Diese Nachricht in einer Antwort zitieren to top
30
Antwort schreiben 


Möglicherweise verwandte Themen...
Themen Verfasser Antworten Views Letzter Beitrag
Sad Exception bei Excel 2019 ActiveX auf 2016 installation TpunktN 0 579 23.10.2025 14:28
Letzter Beitrag: TpunktN
  Programmabsturz beim speichern der Excel über ActiveX TpunktN 6 12.085 20.03.2019 11:33
Letzter Beitrag: TpunktN
  Excel-Datei durchgehend ausfüllen ohne neue Mappen zu öffnen mit ActiveX DM_94 10 18.903 17.05.2018 10:38
Letzter Beitrag: DM_94
  Excel Diagramm mit ActiveX erzeugen Roland 7 14.518 20.06.2017 10:08
Letzter Beitrag: th13
  Mit ActiveX daten in Excel sortieren ck1984 1 7.165 16.11.2014 18:50
Letzter Beitrag: GerdW
  Diagramm aus Excel in Word einfügen (ActiveX) Arachnoid 3 9.844 22.07.2014 10:52
Letzter Beitrag: SeBa

Gehe zu: