|
10.02.2010, 09:13
Beitrag #1
|
SPS-Fuzzi
LVF-Grünschnabel

Beiträge: 17
Registriert seit: Mar 2009
2011
2008
DE
95*
Deutschland
|
Kreis finden, der bestmöglich passt
Hallo !
Bin an einem Punkt, an dem ich nicht mehr weiterkomme. In einem Diagramm werden Messpunkte eingetragen, üblicherweise 4 (mindestens 3, höchstens 12). Dargestellt wird das im VI mit PolarPlot.
Gesucht wird dann die Mittelpunktsverschiebung eines Kreises, der am besten durch alle Messpunkte passt, wie in beiliegendem Screenshot zu sehen (der Kreis wird in Excel durch Probieren rausgefunden).
Meine Frage: gibt es in LabVIEW ein VI, das einen bestmöglichen Kreis durch eine beliebige Anzahl von Punkten legt?
Das Problem ist wie bei jeder Messung, dass es Ausreisser geben kann, die nicht berücksichtigt werden sollen. Hab schon überlegt, den kleinsten und größten Wert unberücksichtigt zu lassen, funktioniert bereits nicht mehr wenn ich z.B. 2 Ausreisser nach oben hin habe.
Vielen Dank für Eure Hilfe !
Gruß, SPS-Fuzzi
Große Probleme sollte man in Angriff nehmen, solange sie noch klein sind.
|
|
|
|
10.02.2010, 09:23
(Dieser Beitrag wurde zuletzt bearbeitet: 10.02.2010 09:23 von GerdW.)
Beitrag #2
|
GerdW
______________
Beiträge: 17.529
Registriert seit: May 2009
LV2019 (LV2021)
1995
DE_EN
10×××
Deutschland
|
Kreis finden, der bestmöglich passt
Hi SPS-Fuzzi,
da gab's vor einer Woche erst eine Diskussion im NI-Forum, die passt wie die Faust aufs Auge.
Warst du daran beteiligt?
|
|
|
|
|
10.02.2010, 09:25
Beitrag #3
|
SPS-Fuzzi
LVF-Grünschnabel

Beiträge: 17
Registriert seit: Mar 2009
2011
2008
DE
95*
Deutschland
|
Kreis finden, der bestmöglich passt
Nein, da war ich nicht beteiligt. Werd mir das gleich mal anschauen.
Vielen Dank !
Gruß SPS-Fuzzi
Große Probleme sollte man in Angriff nehmen, solange sie noch klein sind.
|
|
|
|
|
10.02.2010, 11:24
Beitrag #4
|
|
|
|
|
|
10.02.2010, 16:14
Beitrag #5
|
Lucki
Tech.Exp.2.Klasse
Beiträge: 7.699
Registriert seit: Mar 2006
LV 2016-18 prof.
1995
DE
01108
Deutschland
|
Kreis finden, der bestmöglich passt
' schrieb:Also mit drei Punkten ist das ein schlichtes analytisches Problem (das haben wir mit 16 in Mathe gemacht). wenn es mehr Punkte sind wird es haarig. Das sieht man am besten am mitgelieferten VI Fit on Sphere, das funktioniert nur mit dem mitgelieferten Beispiel - würg.
Ernst: wenn man das echt braucht muss man sich selber etwas überlegen.
Ja, das Problem ist haarig. Demgegenüber ist aber das VI "Fit on Sphere" im Inneren so einfach gestrickt (- leider eben nicht "genial einfach" ), daß schon der mathematische Instinkt einem sagt, daß es so unmöglich funktionieren kann - außer vielleicht in bestimmten Sonderfällen, aber welchen?
|
|
|
|
|
10.02.2010, 18:08
Beitrag #6
|
|
|
|
|
|
10.02.2010, 22:25
Beitrag #7
|
SeBa
LVF-Guru
    
Beiträge: 2.025
Registriert seit: Oct 2008
09SP1 & 10 FDS
2008
DE
65xxx
Deutschland
|
Kreis finden, der bestmöglich passt
Ich grübel mit
Gruß SeBa
EDIT:
Soweit bin ich schonmal...
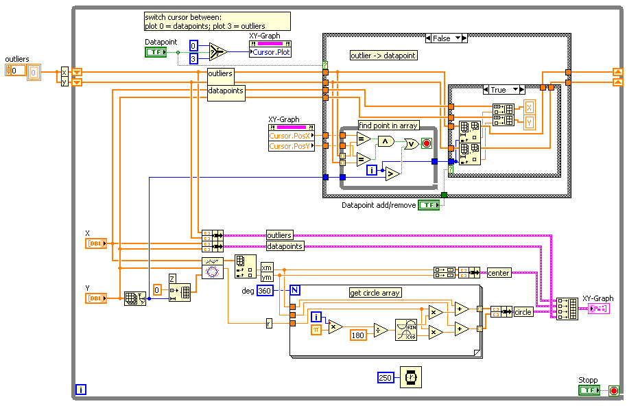
..BestFitCircle für alle Punkte.
Jetzt noch die Ausreißer mit dem Cursor markieren und per Button (gibts noch nicht) rausnehmen.
-> Ich denke daran, die Ausreißer in einen weiteren Plotcluster zu schieben um sie weiterhin darzustellen (andere Farbe) aber nicht mehr für die Kreisberechnung zu verwenden. Vorteil ist auch, das man das Ganze wieder rückgangig machen kann, wenn man den Ausreißer doch wieder zur Berechnung heranziehen möchte.
Geht das in die richtige Richtung?
EDIT 2:
Die Mittelpunktsverschiebung ist hierbei einfach die Koordinate des Kreismittelpunktes.
Dieser Beitrag soll weder nützlich, informativ noch lesbar sein.
Er erhebt lediglich den Anspruch dort wo er ungenau ist, wenigstens eindeutig ungenau zu sein.
In Fällen größerer Abweichungen ist es immer der Leser, der sich geirrt hat.
Rette einen Baum!
Diesen Beitrag nur ausdrucken, wenn unbedingt nötig!
|
|
|
|
|
11.02.2010, 07:10
Beitrag #8
|
SPS-Fuzzi
LVF-Grünschnabel

Beiträge: 17
Registriert seit: Mar 2009
2011
2008
DE
95*
Deutschland
|
Kreis finden, der bestmöglich passt
Super SeBa,
genau in die Richtung will ich. Die Ausreisser "ein- oder auszuschalten" ist ein super Vorteil. Hast Du den BestFitCircle selbst zusammengestellt, oder ist das ein fertiger Baustein? Ich finde ihn jedenfalls nicht.
Vielen Dank schonmal und viele Grüße
SPS-Fuzzi
Große Probleme sollte man in Angriff nehmen, solange sie noch klein sind.
|
|
|
|
|
11.02.2010, 08:04
Beitrag #9
|
SeBa
LVF-Guru
    
Beiträge: 2.025
Registriert seit: Oct 2008
09SP1 & 10 FDS
2008
DE
65xxx
Deutschland
|
Kreis finden, der bestmöglich passt
' schrieb:Hast Du den BestFitCircle selbst zusammengestellt, oder ist das ein fertiger Baustein? Ich finde ihn jedenfalls nicht.
Nee, ich hab das bloß so genannt. Ich lasse den Kreis von dem VI "Sphärische Optimierung" berechnen. (Bei mir funktioniert es, kA was die Anderen für Probleme damit haben)
Lad es dir später hoch.
Gruß SeBa
Dieser Beitrag soll weder nützlich, informativ noch lesbar sein.
Er erhebt lediglich den Anspruch dort wo er ungenau ist, wenigstens eindeutig ungenau zu sein.
In Fällen größerer Abweichungen ist es immer der Leser, der sich geirrt hat.
Rette einen Baum!
Diesen Beitrag nur ausdrucken, wenn unbedingt nötig!
|
|
|
|
| |