INFO: Dieses Forum nutzt Cookies...
Cookies sind für den Betrieb des Forums unverzichtbar. Mit der Nutzung des Forums erklärst Du dich damit einverstanden, dass wir Cookies verwenden.

Es wird in jedem Fall ein Cookie gesetzt um diesen Hinweis nicht mehr zu erhalten. Desweiteren setzen wir Google Adsense und Google Analytics ein.


Antwort schreiben 

TDMS



Wenn dein Problem oder deine Frage geklärt worden ist, markiere den Beitrag als "Lösung",
indem du auf den "Lösung" Button rechts unter dem entsprechenden Beitrag klickst. Vielen Dank!

25.02.2010, 12:27 (Dieser Beitrag wurde zuletzt bearbeitet: 25.02.2010 12:59 von selma.)
Beitrag #1

selma Offline
LVF-Gelegenheitsschreiber
**


Beiträge: 210
Registriert seit: Aug 2009

2009
2009
de

21xxx
Deutschland
TDMS
Hallo
Bin gerade dabei eine State-Machine zu Programmieren. Die State-Machine soll die Daten von den einzelnen Sensoren aus einen Graphen aufzeichnen. In mein TDMS_Beispiel ist ein Max Graph und acht Sensorgraphen. Im Hauptprogramm werden es 72 Sensorgraphen + den Max Graph.

Leider bekomme ich es noch nicht umgesetzt die Werte auch auszulesen.
Wurde das gerne mit dem Sub_VI
http://www.LabVIEWforum.de/index.php?showt...amp;#entry83590 realisieren.

Frage: -Habe ich mein VI richtig aufgebaut?
-Muss ich an dem VI von View TDMS XXL 1 2.vi noch was für meine Zwecke ändern?
-Oder muss ich für jeden Graphen ein Case machen?


Sonstige .vi  TDMS_Beispiel.vi (Größe: 13,81 KB / Downloads: 362)


Lv09_img2

Herzlichen Dank im Voraus


Gruß Selma
Alle Beiträge dieses Benutzers finden
Diese Nachricht in einer Antwort zitieren to top
Anzeige
25.02.2010, 12:47
Beitrag #2

SeBa Offline
LVF-Guru
*****


Beiträge: 2.025
Registriert seit: Oct 2008

09SP1 & 10 FDS
2008
DE

65xxx
Deutschland
TDMS
Offtopic2
Der Link geht nicht.

Gruß SeBa

Dieser Beitrag soll weder nützlich, informativ noch lesbar sein.

Er erhebt lediglich den Anspruch dort wo er ungenau ist, wenigstens eindeutig ungenau zu sein.
In Fällen größerer Abweichungen ist es immer der Leser, der sich geirrt hat.

Rette einen Baum!
Diesen Beitrag nur ausdrucken, wenn unbedingt nötig!
Alle Beiträge dieses Benutzers finden
Diese Nachricht in einer Antwort zitieren to top
25.02.2010, 12:57
Beitrag #3

selma Offline
LVF-Gelegenheitsschreiber
**


Beiträge: 210
Registriert seit: Aug 2009

2009
2009
de

21xxx
Deutschland
TDMS
http://www.LabVIEWforum.de/index.php?showt...amp;#entry83590

SO
Alle Beiträge dieses Benutzers finden
Diese Nachricht in einer Antwort zitieren to top
26.02.2010, 11:40
Beitrag #4

selma Offline
LVF-Gelegenheitsschreiber
**


Beiträge: 210
Registriert seit: Aug 2009

2009
2009
de

21xxx
Deutschland
TDMS
Hallo Allesamt,
ich habe in den Beispielen vom LabVIEW dieses Beispiel gefunden.
- Nun Frage ich mich warum nix in ersten Graphen angezeigt wird wenn ich dort mein SubVI oder die Zufalleszahlen anschließe?
- Kann ich in der ersten Schleife eine State-Machine in der ich 8 Sensoren abfrage einbauen und in einer Datei schreiben?
- Um den in der zweiten Schleife eine State-Machine einbaue in der ich die einzelnen Sensoren den Abfrage?

Herzlichen Dank im Voraus

Mfg Selma


Sonstige .vi  TDMS.vi (Größe: 28,9 KB / Downloads: 315)


Lv09_img2
Alle Beiträge dieses Benutzers finden
Diese Nachricht in einer Antwort zitieren to top
26.02.2010, 14:03
Beitrag #5

selma Offline
LVF-Gelegenheitsschreiber
**


Beiträge: 210
Registriert seit: Aug 2009

2009
2009
de

21xxx
Deutschland
TDMS
Fehler gefunden.
Habe jetzt nur Problem die daten richtig auszulesen.
Aber das gehe ich Montag an .
Ein schönes Wochenende wünsche ich euch
Alle Beiträge dieses Benutzers finden
Diese Nachricht in einer Antwort zitieren to top
01.03.2010, 16:09 (Dieser Beitrag wurde zuletzt bearbeitet: 01.03.2010 16:14 von selma.)
Beitrag #6

selma Offline
LVF-Gelegenheitsschreiber
**


Beiträge: 210
Registriert seit: Aug 2009

2009
2009
de

21xxx
Deutschland
TDMS
Hallo Zusammen,
ich habe noch folgendes Problem.
Ich kann die gespeicherten Daten nicht auslesen. Es kommt eine Fehlermeldung „- 2007“
Konnte mir da Bitte niemand Helfen.

Grüß Selma


Sonstige .vi  TDMS.vi (Größe: 35,13 KB / Downloads: 333)


Lv85_img
Habe es in der Vision 8.5 Hochgeladen da die meisten noch kein LabVIEW 9 haben.
Alle Beiträge dieses Benutzers finden
Diese Nachricht in einer Antwort zitieren to top
Anzeige
01.03.2010, 16:34 (Dieser Beitrag wurde zuletzt bearbeitet: 01.03.2010 16:56 von dimitri84.)
Beitrag #7

dimitri84 Offline
Astronaut
*****


Beiträge: 1.496
Registriert seit: Aug 2009

2020 Developer Suite
2009
DE_EN

53562
Deutschland
TDMS
Zwei Sachen sind mir ausgefallen:

1) Wofür sind die Wait.VIs?
2) In der oberen Schleife: gehe ich Recht in der Annahme, dass du jedem Messwert einen Zeitstempel zuordnen willst? So funktioniert das leider nicht. "Signalverlauf" hat nur einen Zeitstempel und zwar den vom Messbeginn. Wenn du jetzt in jeder Iteration einen neuen reinschreibst, dann überschreibst du diesen lediglich. Deshalb: Einmal zu Messbeginn den Zeitstempel ermitteln und diesen nur einmal dem Signalverlauf als Komponenete hinzufügen. Aus Zeitstempel und dt lässt sich dann eindeutig jedem Messwert ein Zeitpunkt zuordnen.

Zur Fehlermeldung: Kuck mal mit der Highlightfunktion wo genau der Fehler ausgelöst wird. Und wie lautet der Text dazu? Bei mir klappt das Lesen mit dem VI auch nicht, es kommt aber auch keine Fehlermeldung. Ich bleib dran ...

„Sag nicht alles, was du weißt, aber wisse immer, was du sagst.“ (Matthias Claudius)
Webseite des Benutzers besuchen Alle Beiträge dieses Benutzers finden
Diese Nachricht in einer Antwort zitieren to top
01.03.2010, 16:59
Beitrag #8

selma Offline
LVF-Gelegenheitsschreiber
**


Beiträge: 210
Registriert seit: Aug 2009

2009
2009
de

21xxx
Deutschland
TDMS
Der in der Highlightfunktion lautet nur - ( -2503 )
Wenn du an denn Sub-VI eine zufallszahl anschlist kommt auch der Fehler.
Wie setzte ich am anfang eine Uhrzeit?
Alle Beiträge dieses Benutzers finden
Diese Nachricht in einer Antwort zitieren to top
01.03.2010, 17:06 (Dieser Beitrag wurde zuletzt bearbeitet: 01.03.2010 17:25 von dimitri84.)
Beitrag #9

dimitri84 Offline
Astronaut
*****


Beiträge: 1.496
Registriert seit: Aug 2009

2020 Developer Suite
2009
DE_EN

53562
Deutschland
TDMS
Einfach den Zeitstempel außerhalb der Schleife ermitteln.
   
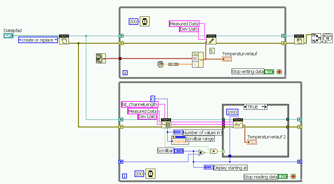
Außerdem brauchst du die TDMS Datei nur einmal öffnen und schließen. Ist doch die selbe! Dann wird auch die Eigenschaft NI_ChannelLength gefunden (hat bei mir vorher auch nicht funktioniert).

Also bei mir läuft's ohne Fehlermeldung. Hatte auch nie eine.
Lv85_img
Sonstige .vi  TDMS.vi (Größe: 38,64 KB / Downloads: 337)


Noch was. Die Anzeige beim Auslesen darf ruhig ein Graph sein. Da ist kein Diagramm nötig. Außerdem wäre es bestimmt von Vorteil die Anzahl der zu lesenden Samples als Control zu machen. So kann man sich aussuchen wie groß das Zeitfenster ist, das man sich anschauen möchte.

„Sag nicht alles, was du weißt, aber wisse immer, was du sagst.“ (Matthias Claudius)
Webseite des Benutzers besuchen Alle Beiträge dieses Benutzers finden
Diese Nachricht in einer Antwort zitieren to top
01.03.2010, 17:25 (Dieser Beitrag wurde zuletzt bearbeitet: 01.03.2010 17:34 von selma.)
Beitrag #10

selma Offline
LVF-Gelegenheitsschreiber
**


Beiträge: 210
Registriert seit: Aug 2009

2009
2009
de

21xxx
Deutschland
TDMS
Gibt es noch eine andere Lösung.( Bestimmt ^_^)
Das ich erst mal nur die Daten Speicher und mit deinen ersten Vorschlag Dimitrie View TDMS XXL 1 2 die Daten lese?
Ich habe nämlich noch folgendes Problem.
Ich weiß nicht wie ich die TDMS Speicherung in mein Programm einbauen soll.
Zu meinen Programm ( das schon sehr Groß ist ) :
Ich habe eine State-Machine in den nacheinander die Sensoren abgefragt werden und nun frage ich mich wie ich am besten aus den TDMS-VI ein Sub-VI gestalte um dieses den in die State-Machine einzubauen.
Frage: Den wenn der Speicherpfad sich um 0Uhr ändert, wird es nicht übernommen, da es ja außerhalb der Schleife ist. - Oder täusche ich mich da.
Da zu kommt noch das ich das Programm so schreiben will das der Benutzer ein bestimmten Sensor auswählen kann und in der Historie sich die Werte der Vergangenheit sich anschaut.

Grüß Selma

Sorry muß jetzt los, werde mich moren gleich um Acht wieder damit beschäftigen.
Alle Beiträge dieses Benutzers finden
Diese Nachricht in einer Antwort zitieren to top
30
Antwort schreiben 


Gehe zu: