INFO: Dieses Forum nutzt Cookies...
Cookies sind für den Betrieb des Forums unverzichtbar. Mit der Nutzung des Forums erklärst Du dich damit einverstanden, dass wir Cookies verwenden.

Es wird in jedem Fall ein Cookie gesetzt um diesen Hinweis nicht mehr zu erhalten. Desweiteren setzen wir Google Adsense und Google Analytics ein.


Antwort schreiben 

C#-Programm in LV aufrufen



Wenn dein Problem oder deine Frage geklärt worden ist, markiere den Beitrag als "Lösung",
indem du auf den "Lösung" Button rechts unter dem entsprechenden Beitrag klickst. Vielen Dank!

19.03.2010, 08:36
Beitrag #31

RoLe Offline
LVF-Guru
*****


Beiträge: 1.236
Registriert seit: Jul 2007

-
1997
en

0
Schweiz
C#-Programm in LV aufrufen
' schrieb:Direkt in die LV-Anwendung einbinden, d.h. das c#-GUI im LV-GUI geht so nicht.
' schrieb:Na, da werd ich doch noch StayOnTop, Minimieren und Positionieren hinbekommem? Tippen
:wall:anstelle des dranklatschen ein draufklatschen, geht dochTop1

.·´¯)--> Leben ist das, was dir passiert, wenn du eifrig dabei bist andere Pläne zu machen <--(¯`·.
Alle Beiträge dieses Benutzers finden
Diese Nachricht in einer Antwort zitieren to top
19.03.2010, 08:56
Beitrag #32

1johleh Offline
LVF-Gelegenheitsschreiber
**


Beiträge: 171
Registriert seit: Oct 2009

2014
2008
DE

63743
Deutschland
C#-Programm in LV aufrufen
Hey IchSelbstBig Grin

Vielen Dank!!!! DAs ist genau das was ich brauch!
Aber wie mach ich das wenn ich das Programm das ich aufrufen will in nen speziellen Ordner liegt?
Wo muß ich denn den Pfad und so angeben??
Ja und wie richte ich das geöffnete Fenster aus?

Danke echt klasse was du mir da gemacht hast!!Yahoo
Alle Beiträge dieses Benutzers finden
Diese Nachricht in einer Antwort zitieren to top
19.03.2010, 09:11
Beitrag #33

IchSelbst Offline
LVF-Guru
*****


Beiträge: 3.708
Registriert seit: Feb 2005

11, 14, 15, 17, 18
-
DE

97437
Deutschland
C#-Programm in LV aufrufen
' schrieb:Aber wie mach ich das wenn ich das Programm das ich aufrufen will in nen speziellen Ordner liegt? Wo muß ich denn den Pfad und so angeben??
Dazu guckst du dir das VI "SystemExec" an, mit dem der Notepad jetzt aufgerufen wird. Wenn du Fragen hast, benutze zuerst hier die Suche, dann mach einen neuen Thread auf.

Zitat:Ja und wie richte ich das geöffnete Fenster aus?
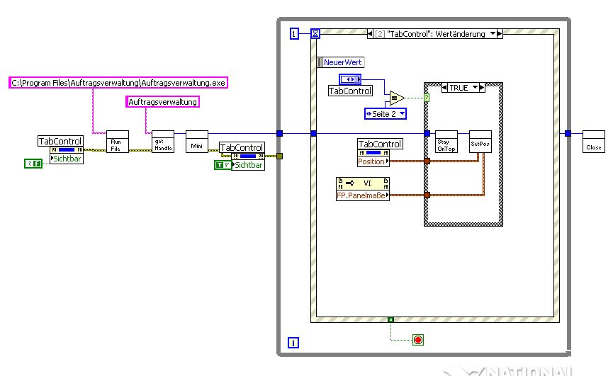
Guckst du in meinem Muster. Da gibt es zwei Poropertynodes. Eins vom TabControl und eines vom VI. Die linken oberen Ecken (Property POSITION) weerden addiert. Das Ergebnis ist die Position des fremden Fensters. Sei mal so frei und schau's dir in meinen Code an.

Achja, ich geh jetzt mal außer Haus.

Jeder, der zur wahren Erkenntnis hindurchdringen will, muss den Berg Schwierigkeit alleine erklimmen (Helen Keller).
Alle Beiträge dieses Benutzers finden
Diese Nachricht in einer Antwort zitieren to top
19.03.2010, 09:42
Beitrag #34

1johleh Offline
LVF-Gelegenheitsschreiber
**


Beiträge: 171
Registriert seit: Oct 2009

2014
2008
DE

63743
Deutschland
C#-Programm in LV aufrufen
Hi,
ich muß gestehen ich bin wohl zu doof!

Schau ich muß doch nur an den beiden Stellen die Änderung vornehmen oder? (Siehe Bilder)

Oder muß ich das Arbeitsverzeichnis auch noch ändern???

Danke für die GeduldWink


Angehängte Datei(en) Thumbnail(s)
       
Alle Beiträge dieses Benutzers finden
Diese Nachricht in einer Antwort zitieren to top
19.03.2010, 16:00
Beitrag #35

IchSelbst Offline
LVF-Guru
*****


Beiträge: 3.708
Registriert seit: Feb 2005

11, 14, 15, 17, 18
-
DE

97437
Deutschland
C#-Programm in LV aufrufen
' schrieb:Schau ich muß doch nur an den beiden Stellen die Änderung vornehmen oder? (Siehe Bilder)
Dort, wo jetzt "Unbenannt - Editor" steht, muss das hin, was bei deiner Auftragsverwaltung in der blauen Titelzeile steht.

Zitat:Oder muß ich das Arbeitsverzeichnis auch noch ändern???
Wenn sich deine Auftragsverwaltung schon mal startet, ist das nicht schlecht. Jetzt musst du halt kucken, ob du beim Arbeitsverzeichnis was angeben muss. Wenn dein Programm Auftragsverwaltung "was gescheites" ist, ist das nicht nötig.

Jeder, der zur wahren Erkenntnis hindurchdringen will, muss den Berg Schwierigkeit alleine erklimmen (Helen Keller).
Alle Beiträge dieses Benutzers finden
Diese Nachricht in einer Antwort zitieren to top
22.03.2010, 06:52
Beitrag #36

1johleh Offline
LVF-Gelegenheitsschreiber
**


Beiträge: 171
Registriert seit: Oct 2009

2014
2008
DE

63743
Deutschland
C#-Programm in LV aufrufen
Moin,

aja hab das eben probiert und es funktioniert. :DDankeRolleyes
Aber leider wird das Programm nun sofort bei Programmstart des LV-Progs. geöffnet und als eigenes Fester über die LV Anwendung geblendet. Ich möchte es so haben, dass es nur eingeblendet wird wenn man einen bestimmten Reiter in der Registerkarte anwählt und dann wieder ausgeblendet wird wenn man einen anderen Reiter auswählt.
Kann ich das mit den Eigensachftsknoten Sichtbar T/F machen?
Oder wie geh ich das am besten an?

Danke
Alle Beiträge dieses Benutzers finden
Diese Nachricht in einer Antwort zitieren to top
Anzeige
22.03.2010, 08:41
Beitrag #37

IchSelbst Offline
LVF-Guru
*****


Beiträge: 3.708
Registriert seit: Feb 2005

11, 14, 15, 17, 18
-
DE

97437
Deutschland
C#-Programm in LV aufrufen
' schrieb:Ich möchte es so haben, dass es nur eingeblendet wird wenn man einen bestimmten Reiter in der Registerkarte anwählt und dann wieder ausgeblendet wird wenn man einen anderen Reiter auswählt.
Wenn du dir das Muster mit dem Notepad ankuckst, siehst du, dass es genau so (zumindest mit dem) funktioniert.

Poste mal das entsprechende VI (oder mach Bilder daraus).

Es gibt natürlich immernoch die Möglichkeit, dass es gerade mit deinem Programm nicht funktioniert. Vielleicht findet sich ja einer, der mein Muster mal mit einem richtigen C#-Programm ausprobiert.

Jeder, der zur wahren Erkenntnis hindurchdringen will, muss den Berg Schwierigkeit alleine erklimmen (Helen Keller).
Alle Beiträge dieses Benutzers finden
Diese Nachricht in einer Antwort zitieren to top
22.03.2010, 14:14
Beitrag #38

1johleh Offline
LVF-Gelegenheitsschreiber
**


Beiträge: 171
Registriert seit: Oct 2009

2014
2008
DE

63743
Deutschland
C#-Programm in LV aufrufen
Du ich habe es erst nur mit deinem VI probiert.
Ich habe nichts geändert außer den Pfad, wie beschrieben.
Sehr merkwürdig......

Ist jemand da der es mal mit nem C# Programm testen kann????
Alle Beiträge dieses Benutzers finden
Diese Nachricht in einer Antwort zitieren to top
22.03.2010, 14:42
Beitrag #39

SeBa Offline
LVF-Guru
*****


Beiträge: 2.025
Registriert seit: Oct 2008

09SP1 & 10 FDS
2008
DE

65xxx
Deutschland
C#-Programm in LV aufrufen
' schrieb:...Ich möchte es so haben, dass es nur eingeblendet wird wenn man einen bestimmten Reiter in der Registerkarte anwählt und dann wieder ausgeblendet wird wenn man einen anderen Reiter auswählt. ...

Also genau so verhält es sich, wenn ich das mit einem selbst geschriebenen .Net Programm teste.Wüsste jetzt auch nicht, warum es sich bei einer anderen Programmiersprache anders verhalten sollte. (Aber vielleicht weiß es ja jemand Anderes.)

Am Besten lädst du wirklich mal einen Screenshot hoch.


Gruß SeBa

Dieser Beitrag soll weder nützlich, informativ noch lesbar sein.

Er erhebt lediglich den Anspruch dort wo er ungenau ist, wenigstens eindeutig ungenau zu sein.
In Fällen größerer Abweichungen ist es immer der Leser, der sich geirrt hat.

Rette einen Baum!
Diesen Beitrag nur ausdrucken, wenn unbedingt nötig!
Alle Beiträge dieses Benutzers finden
Diese Nachricht in einer Antwort zitieren to top
23.03.2010, 06:12
Beitrag #40

1johleh Offline
LVF-Gelegenheitsschreiber
**


Beiträge: 171
Registriert seit: Oct 2009

2014
2008
DE

63743
Deutschland
C#-Programm in LV aufrufen
anbei der Screenshot.
Aber habe nichts geänder wie gesagt.....


Angehängte Datei(en) Thumbnail(s)
   
Alle Beiträge dieses Benutzers finden
Diese Nachricht in einer Antwort zitieren to top
Antwort schreiben 


Möglicherweise verwandte Themen...
Themen Verfasser Antworten Views Letzter Beitrag
  programm in anderem Programm einbinden maier_m 1 4.848 04.04.2006 09:19
Letzter Beitrag: eg

Gehe zu: