INFO: Dieses Forum nutzt Cookies...
Cookies sind für den Betrieb des Forums unverzichtbar. Mit der Nutzung des Forums erklärst Du dich damit einverstanden, dass wir Cookies verwenden.

Es wird in jedem Fall ein Cookie gesetzt um diesen Hinweis nicht mehr zu erhalten. Desweiteren setzen wir Google Adsense und Google Analytics ein.


Antwort schreiben 

Array Indizieren - Teilarray ersetzen durch Kommawerte



Wenn dein Problem oder deine Frage geklärt worden ist, markiere den Beitrag als "Lösung",
indem du auf den "Lösung" Button rechts unter dem entsprechenden Beitrag klickst. Vielen Dank!

25.05.2010, 13:19 (Dieser Beitrag wurde zuletzt bearbeitet: 25.05.2010 13:21 von stromflo.)
Beitrag #1

stromflo Offline
LVF-Gelegenheitsschreiber
**


Beiträge: 125
Registriert seit: Apr 2010

8.2
2010
DE


Deutschland
Array Indizieren - Teilarray ersetzen durch Kommawerte
Hallo,

zunächst habe ich mein Array mit der Funktion Array erstellen gebildet. Allerdings hab ich festgestellt, dass die Funktion Array erstellen, scheinbar große Teile der PC Performance frisst.....
Mein erster Gedanke nun war, dass ganze über eine Indizierung über eine For Schleife zu regeln.

Soweit, so gut, nur hab ich jetzt ein Problem, wenn ich Werte im indizierten Array durch Komma Werte ersetzen möchte. Das Ausgangsarray beinhaltet trotzdem keinen Kommawert.......
Im Moment komm ich einfach nicht drauf wie ich das lösen kann.


Wäre super wenn jemand dazu einen Tipp hat. Ich hab mal ein Beispiel angehängt.

Lv82_img

Gruß Flo


Angehängte Datei(en) Thumbnail(s)
   

Sonstige .vi  array.vi (Größe: 8,88 KB / Downloads: 294)
Alle Beiträge dieses Benutzers finden
Diese Nachricht in einer Antwort zitieren to top
Anzeige
25.05.2010, 13:30
Beitrag #2

Andreasser Offline
LVF-Grünschnabel
*


Beiträge: 21
Registriert seit: Oct 2009

8.5
-
de

2500
Schweiz
Array Indizieren - Teilarray ersetzen durch Kommawerte
Dein Array hat nicht den Datentyp DBL, da du es mit dem i der For Schlaufe gemacht hast, am einfachsten fügst du einen Konverter (nach Flieskommawert) ein und dann hat dein Array den Datentyp DBL

Gruss
Alle Beiträge dieses Benutzers finden
Diese Nachricht in einer Antwort zitieren to top
25.05.2010, 13:34
Beitrag #3

stromflo Offline
LVF-Gelegenheitsschreiber
**


Beiträge: 125
Registriert seit: Apr 2010

8.2
2010
DE


Deutschland
Array Indizieren - Teilarray ersetzen durch Kommawerte
Danke und schon geht es....
versteh nicht warum ich immer so kompliziert denk.

Gruß Flo


Angehängte Datei(en) Thumbnail(s)
   
Alle Beiträge dieses Benutzers finden
Diese Nachricht in einer Antwort zitieren to top
25.05.2010, 14:07
Beitrag #4

SeBa Offline
LVF-Guru
*****


Beiträge: 2.025
Registriert seit: Oct 2008

09SP1 & 10 FDS
2008
DE

65xxx
Deutschland
Array Indizieren - Teilarray ersetzen durch Kommawerte
' schrieb:zunächst habe ich mein Array mit der Funktion Array erstellen gebildet. Allerdings hab ich festgestellt, dass die Funktion Array erstellen, scheinbar große Teile der PC Performance frisst...

Ich weiß versteh jetzt nicht ganz, wie du dein Array erzeugt hast, aber um dir die Performancesorgen auszutreiben, hab ich deine Methode mal als laaaaaaangsaaaaam bloßgestellt...

   

Nachbauen macht glücklich.


Gruß SeBa

Dieser Beitrag soll weder nützlich, informativ noch lesbar sein.

Er erhebt lediglich den Anspruch dort wo er ungenau ist, wenigstens eindeutig ungenau zu sein.
In Fällen größerer Abweichungen ist es immer der Leser, der sich geirrt hat.

Rette einen Baum!
Diesen Beitrag nur ausdrucken, wenn unbedingt nötig!
Alle Beiträge dieses Benutzers finden
Diese Nachricht in einer Antwort zitieren to top
25.05.2010, 14:23 (Dieser Beitrag wurde zuletzt bearbeitet: 25.05.2010 14:30 von jak888.)
Beitrag #5

jak888 Offline
LVF-Gelegenheitsschreiber
**


Beiträge: 133
Registriert seit: Apr 2010

2010
2010
en

97447
Deutschland
Array Indizieren - Teilarray ersetzen durch Kommawerte
Ich versteh deine Lösung nicht ganz...

Die Ramp Pattern Vi gibt doch schon ein Array aus...
wieso lässt du das ganze dann noch 10000 in der For schleife ablaufen?


Edit: OK, habs verstanden... Sorry.

gibts ne Möglichkeit schnell auf die Darstellung zu kommen, wie du sie hochgeladen hast? oder muss man dazu ein bisschen Foto shoppen?

"Good judgement comes from experience, experience comes from bad judgement."
Alle Beiträge dieses Benutzers finden
Diese Nachricht in einer Antwort zitieren to top
25.05.2010, 14:28 (Dieser Beitrag wurde zuletzt bearbeitet: 25.05.2010 14:32 von dimitri84.)
Beitrag #6

dimitri84 Offline
Astronaut
*****


Beiträge: 1.496
Registriert seit: Aug 2009

2020 Developer Suite
2009
DE_EN

53562
Deutschland
Array Indizieren - Teilarray ersetzen durch Kommawerte
' schrieb:Ich weiß versteh jetzt nicht ganz, wie du dein Array erzeugt hast, aber um dir die Performancesorgen auszutreiben, hab ich deine Methode mal als laaaaaaangsaaaaam bloßgestellt...
Dann aber noch der Hinweis, dass man prinzipiell in der Schleife konvertieren sollte:
   

Edit:
' schrieb:Die Ramp Pattern Vi gibt doch schon ein Array aus...
wieso lässt du das ganze dann noch 10000 in der For schleife ablaufen?
Damit man eine Zeitdifferenz vorweisen kann. Zu Demozwecken also.


Gruß dimitri

„Sag nicht alles, was du weißt, aber wisse immer, was du sagst.“ (Matthias Claudius)
Webseite des Benutzers besuchen Alle Beiträge dieses Benutzers finden
Diese Nachricht in einer Antwort zitieren to top
Anzeige
25.05.2010, 14:50 (Dieser Beitrag wurde zuletzt bearbeitet: 25.05.2010 14:54 von stromflo.)
Beitrag #7

stromflo Offline
LVF-Gelegenheitsschreiber
**


Beiträge: 125
Registriert seit: Apr 2010

8.2
2010
DE


Deutschland
Array Indizieren - Teilarray ersetzen durch Kommawerte
Schon klar, dass die Lösung nicht die beste ist, wie ich es gemacht hab.
Leider kenn ich aber die Elemente die zum Teil in Variante 1 von SeBa verwendet wurden nicht und es ist als Anfänger, dann auch schwer auf solche Elemente zu kommen und solche zu verwenden. In meinem Buch wird über solche Elemente leider nix gezeigt...... Leider kapier ich auch nicht wirklich wie die Variante 1 gestrickt ist.

Wo finde ich denn dieses Rampen Element?

Für meine Zwecke ist die Variante 2 aber wohl außreichend, da das Array ja nur am Teststart indiziert wird und dann die Werte ersetzt werden.

Davor hatte ich die Funktion Array erstellen, die bei weitem mehr Performance als Teilarray ersetzen gekostet hat.

Gruß Flo
Alle Beiträge dieses Benutzers finden
Diese Nachricht in einer Antwort zitieren to top
25.05.2010, 17:40
Beitrag #8

dimitri84 Offline
Astronaut
*****


Beiträge: 1.496
Registriert seit: Aug 2009

2020 Developer Suite
2009
DE_EN

53562
Deutschland
Array Indizieren - Teilarray ersetzen durch Kommawerte
' schrieb:Davor hatte ich die Funktion Array erstellen, die bei weitem mehr Performance als Teilarray ersetzen gekostet hat.
Das hast du genau richtig erkannt und das ist auch die wichtigste Erkenntnis gewesen. "Build Array" nur wenn's sein muss. Das Array mit der for-Schleife zu erstellen ist auch vollkommen ok. Der Rest ist SchnickSchnack.

„Sag nicht alles, was du weißt, aber wisse immer, was du sagst.“ (Matthias Claudius)
Webseite des Benutzers besuchen Alle Beiträge dieses Benutzers finden
Diese Nachricht in einer Antwort zitieren to top
25.05.2010, 20:10
Beitrag #9

SeBa Offline
LVF-Guru
*****


Beiträge: 2.025
Registriert seit: Oct 2008

09SP1 & 10 FDS
2008
DE

65xxx
Deutschland
Array Indizieren - Teilarray ersetzen durch Kommawerte
' schrieb:Dann aber noch der Hinweis, dass man prinzipiell in der Schleife konvertieren sollte:

Unsure

Sicher?

   

Gruß SeBa

EDIT:
Arraygröße und Anzahl vertauscht... aber ändern tu ich jetzt auch nicht mehrWink

Dieser Beitrag soll weder nützlich, informativ noch lesbar sein.

Er erhebt lediglich den Anspruch dort wo er ungenau ist, wenigstens eindeutig ungenau zu sein.
In Fällen größerer Abweichungen ist es immer der Leser, der sich geirrt hat.

Rette einen Baum!
Diesen Beitrag nur ausdrucken, wenn unbedingt nötig!
Alle Beiträge dieses Benutzers finden
Diese Nachricht in einer Antwort zitieren to top
26.05.2010, 07:08
Beitrag #10

dimitri84 Offline
Astronaut
*****


Beiträge: 1.496
Registriert seit: Aug 2009

2020 Developer Suite
2009
DE_EN

53562
Deutschland
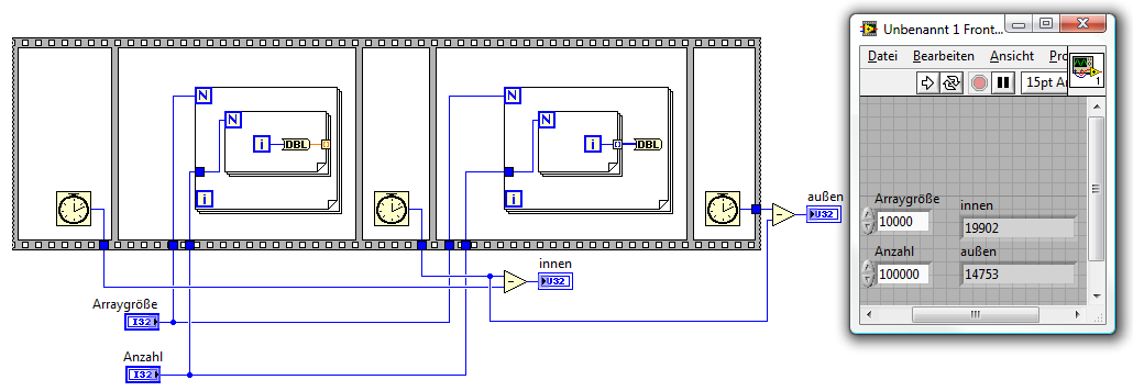
Array Indizieren - Teilarray ersetzen durch Kommawerte
' schrieb:Unsure

Sicher?

[attachment=55321:greensho...21_09_24.png]
Eigentlich schon. Jedenfalls ist das eine Frage beim CLAD. Und bei mir ist's innen ja auch schneller wie das Bild zeigt.

Keine Ahngung ...Hmm

„Sag nicht alles, was du weißt, aber wisse immer, was du sagst.“ (Matthias Claudius)
Webseite des Benutzers besuchen Alle Beiträge dieses Benutzers finden
Diese Nachricht in einer Antwort zitieren to top
Antwort schreiben 


Möglicherweise verwandte Themen...
Themen Verfasser Antworten Views Letzter Beitrag
  Boolean durch Array bedienen Gellerpa 3 6.195 07.06.2018 20:10
Letzter Beitrag: hansi9990
  2D Array durchsuchen und bestimmte Werte ersetzen sara2211 4 7.174 13.01.2017 10:59
Letzter Beitrag: sara2211
  in Schleife indizieren maxxillian 5 6.565 23.09.2016 09:26
Letzter Beitrag: jg
  Ersetzen von Array-Rotieren durch Rückkopplungsknoten bde2 2 4.713 27.04.2015 16:41
Letzter Beitrag: bde2
  In 2D Array Teilarray an bestimme Stelle einfügen? B.Buerkert 1 5.338 03.02.2014 16:16
Letzter Beitrag: GerdW
  Elemente in einem 2D Array ersetzen che-salih 6 9.694 02.12.2013 13:08
Letzter Beitrag: che-salih

Gehe zu: