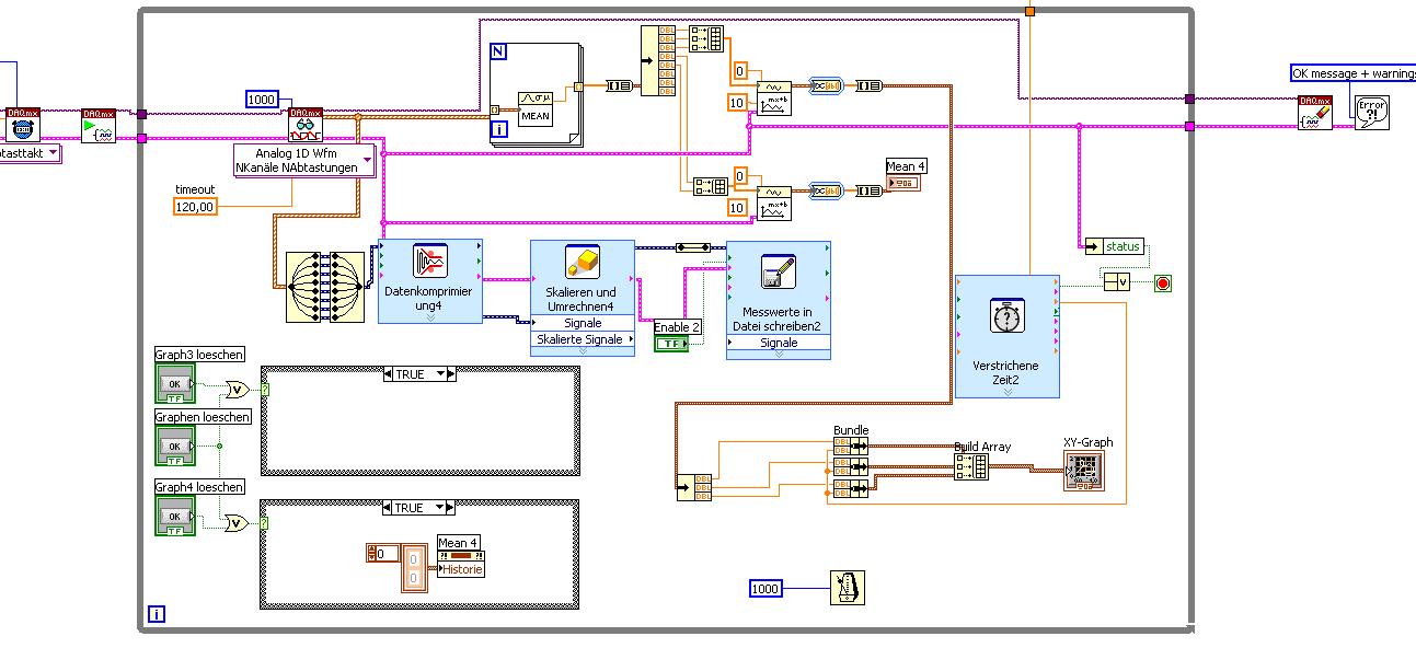
Hilfe bei XY-Graph |
Wenn dein Problem oder deine Frage geklärt worden ist, markiere den Beitrag als "Lösung",
indem du auf den "Lösung" Button rechts unter dem entsprechenden Beitrag klickst. Vielen Dank!
| 30
|
|
|
| Nachrichten in diesem Thema |
|
Hilfe bei XY-Graph - Steve1 - 08.11.2006 17:37
Hilfe bei XY-Graph - ahlers01 - 08.11.2006, 20:22
Hilfe bei XY-Graph - Steve1 - 08.11.2006, 23:09
Hilfe bei XY-Graph - Achim - 09.11.2006, 08:14
Hilfe bei XY-Graph - Steve1 - 15.11.2006, 17:45
Hilfe bei XY-Graph - A.Berndsen - 15.11.2006, 18:55
Hilfe bei XY-Graph - Steve1 - 15.11.2006, 22:10
Hilfe bei XY-Graph - jg - 15.11.2006, 22:30
Hilfe bei XY-Graph - derTetris - 16.11.2006, 07:27
Hilfe bei XY-Graph - Achim - 16.11.2006, 07:48
Hilfe bei XY-Graph - A.Berndsen - 16.11.2006, 10:05
Hilfe bei XY-Graph - Steve1 - 16.11.2006, 20:37
Hilfe bei XY-Graph - Steve1 - 17.11.2006, 09:45
Hilfe bei XY-Graph - derTetris - 17.11.2006, 10:03
Hilfe bei XY-Graph - Achim - 17.11.2006, 10:07
|
| Möglicherweise verwandte Themen... | |||||
| Themen | Verfasser | Antworten | Views | Letzter Beitrag | |
| die LabVIEW hilfe braucht hilfe | perledeluxe | 3 | 6.498 |
28.11.2007 11:11 Letzter Beitrag: perledeluxe |
|






