Dieses Thema hat akzeptierte Lösungen:
Zeit des Schleifendurchlaufes messen |
Wenn dein Problem oder deine Frage geklärt worden ist, markiere den Beitrag als "Lösung",
indem du auf den "Lösung" Button rechts unter dem entsprechenden Beitrag klickst. Vielen Dank!
| 30
|
|
|
| Nachrichten in diesem Thema |
|
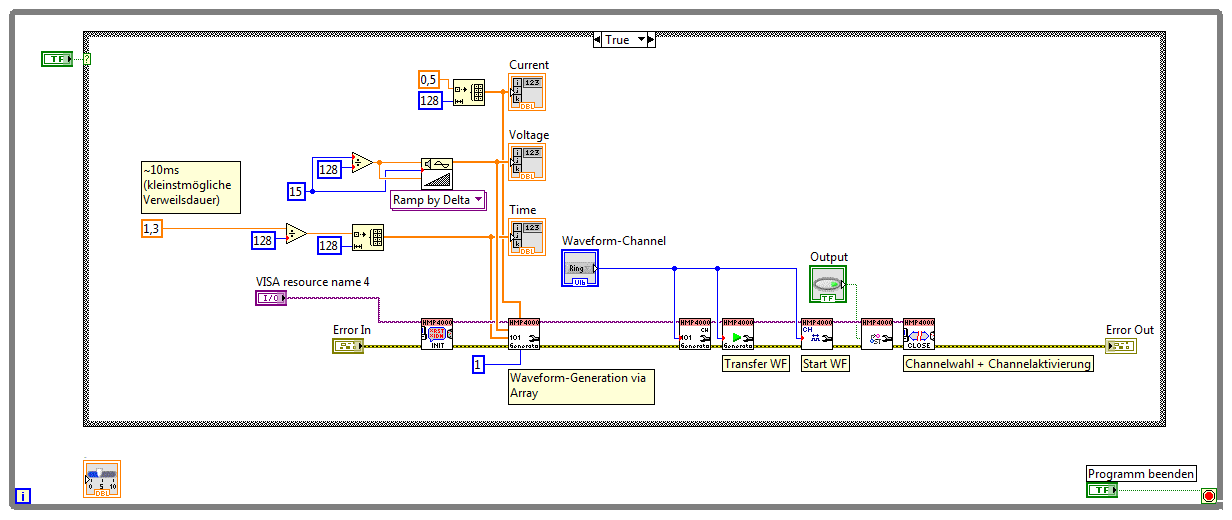
Zeit des Schleifendurchlaufes messen - tatnau - 08.09.2015 14:32
RE: Zeit des Schleifendurchlaufes messen - Trinitatis - 08.09.2015, 14:38
RE: Zeit des Schleifendurchlaufes messen - GerdW - 08.09.2015, 14:39
RE: Zeit des Schleifendurchlaufes messen - Lucki - 08.09.2015, 15:10
RE: Zeit des Schleifendurchlaufes messen - tatnau - 09.09.2015, 09:11
RE: Zeit des Schleifendurchlaufes messen - GerdW - 09.09.2015, 09:19
RE: Zeit des Schleifendurchlaufes messen - tatnau - 09.09.2015, 10:17
RE: Zeit des Schleifendurchlaufes messen - n4f3ts - 09.09.2015, 11:44
RE: Zeit des Schleifendurchlaufes messen - tatnau - 09.09.2015, 13:15
RE: Zeit des Schleifendurchlaufes messen - tatnau - 09.09.2015, 13:29
RE: Zeit des Schleifendurchlaufes messen - GerdW - 09.09.2015, 13:26
RE: Zeit des Schleifendurchlaufes messen - GerdW - 09.09.2015, 13:44
RE: Zeit des Schleifendurchlaufes messen - tatnau - 10.09.2015, 09:34
|
| Möglicherweise verwandte Themen... | |||||
| Themen | Verfasser | Antworten | Views | Letzter Beitrag | |
| verstrichene Zeit messen | paul2012 | 7 | 16.011 |
17.10.2014 13:01 Letzter Beitrag: paul2012 |
|
| Zustandsautomat An -> Aus -> Zeit messen | stefan_huaba | 6 | 7.327 |
05.09.2013 18:41 Letzter Beitrag: Trinitatis |
|
| LabVIEW 7.1 Zeit messen | Nedschowieda | 1 | 9.454 |
18.09.2007 14:07 Letzter Beitrag: A.Berndsen |
|






