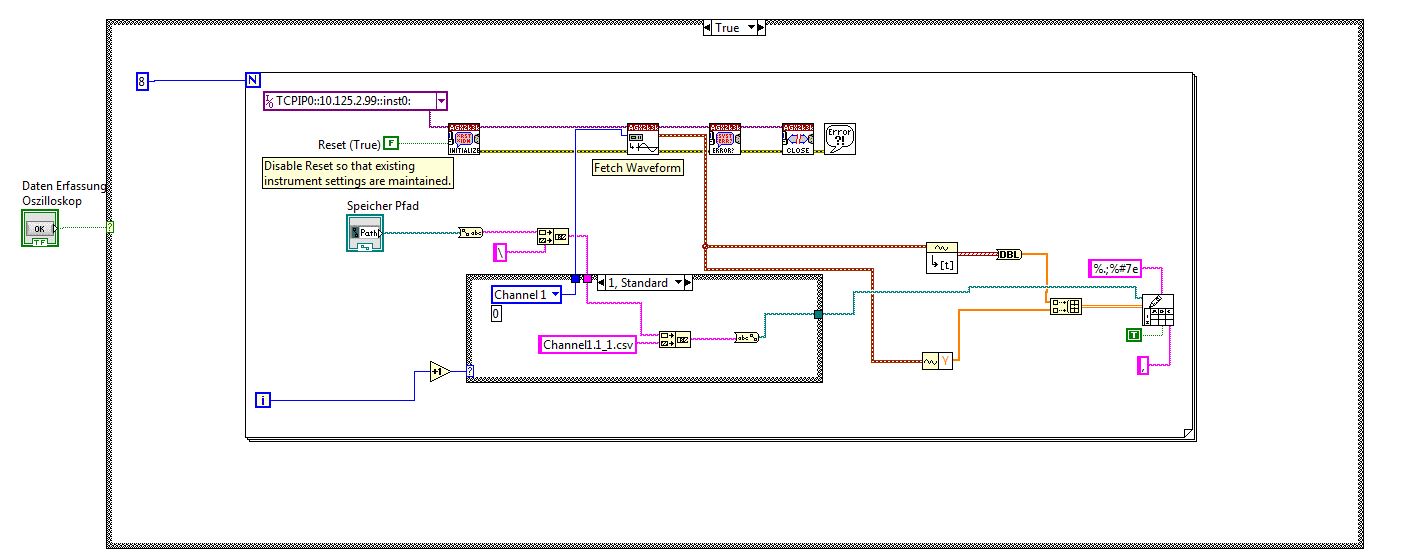
Messwerte on Oszilloskop abspeichern |
Wenn dein Problem oder deine Frage geklärt worden ist, markiere den Beitrag als "Lösung",
indem du auf den "Lösung" Button rechts unter dem entsprechenden Beitrag klickst. Vielen Dank!
| 30
|
|
|
| Möglicherweise verwandte Themen... | |||||
| Themen | Verfasser | Antworten | Views | Letzter Beitrag | |
| Messwerte abspeichern | KingLui | 3 | 5.982 |
06.01.2015 15:05 Letzter Beitrag: Trinitatis |
|
| Messwerte in Excel abspeichern | fendt939vario | 7 | 16.587 |
16.02.2011 15:42 Letzter Beitrag: GerdW |
|
| Messwerte sammeln und abspeichern | DerBurner | 4 | 7.404 |
27.08.2009 09:00 Letzter Beitrag: eckilein |
|






