INFO: Dieses Forum nutzt Cookies...
Cookies sind für den Betrieb des Forums unverzichtbar. Mit der Nutzung des Forums erklärst Du dich damit einverstanden, dass wir Cookies verwenden.

Es wird in jedem Fall ein Cookie gesetzt um diesen Hinweis nicht mehr zu erhalten. Desweiteren setzen wir Google Adsense und Google Analytics ein.


Antwort schreiben 

Dieses Thema hat akzeptierte Lösungen:

Resourcen schonende Kommunikation



Wenn dein Problem oder deine Frage geklärt worden ist, markiere den Beitrag als "Lösung",
indem du auf den "Lösung" Button rechts unter dem entsprechenden Beitrag klickst. Vielen Dank!

09.04.2020, 09:03 (Dieser Beitrag wurde zuletzt bearbeitet: 09.04.2020 09:10 von jg.)
Beitrag #27

jg Offline
CLA & CLED
LVF-Team

Beiträge: 15.864
Registriert seit: Jun 2005

20xx / 8.x
1999
EN

Franken...
Deutschland
RE: Resourcen schonende Kommunikation
Hallo LV-New

Auch dieses Beisoiel wird genauso scheitern.

Der Consumer wird in dem Moment, in dem das erste Element in der Queue landet, dieses auslesen, danach ist die Queue leer und du zerstörst die Queue. Think Dataflow!!

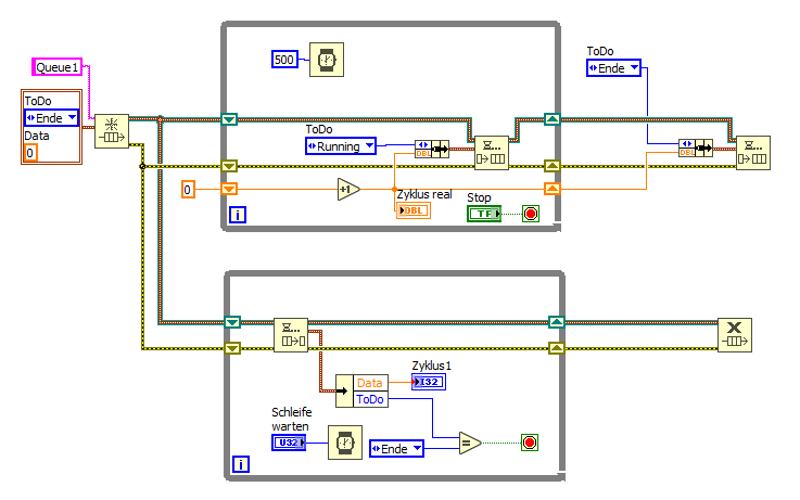
Ich hatte dir schon eine Lösung angedeutet, es ist "Standard", über die Queue nicht nur Daten, sondern auch Kommandos weiterzugeben.
Ich hab mal schnell was zusammengeklickt:

   

Hier gehören das Enum und der Cluster natürlich noch Typdefiniert, aber es soll nur das Prinzip darstellen.

Gruß

EDIT: Gerd war schneller (2 min)...

Wer die erhabene Weisheit der Mathematik tadelt, nährt sich von Verwirrung. (Leonardo da Vinci)

!! BITTE !! stellt mir keine Fragen über PM, dafür ist das Forum da - andere haben vielleicht auch Interesse an der Antwort!

Einführende Links zu LabVIEW, s. GerdWs Signatur.
Alle Beiträge dieses Benutzers finden
Diese Nachricht in einer Antwort zitieren to top
Antwort schreiben 


Nachrichten in diesem Thema
RE: Resourcen schonende Kommunikation - jg - 09.04.2020 09:03

Gehe zu: