INFO: Dieses Forum nutzt Cookies...
Cookies sind für den Betrieb des Forums unverzichtbar. Mit der Nutzung des Forums erklärst Du dich damit einverstanden, dass wir Cookies verwenden.

Es wird in jedem Fall ein Cookie gesetzt um diesen Hinweis nicht mehr zu erhalten. Desweiteren setzen wir Google Adsense und Google Analytics ein.


Antwort schreiben 

Y-Achse Skalierung von Volt zur Ampere Umwandeln



Wenn dein Problem oder deine Frage geklärt worden ist, markiere den Beitrag als "Lösung",
indem du auf den "Lösung" Button rechts unter dem entsprechenden Beitrag klickst. Vielen Dank!

26.06.2008, 13:03 (Dieser Beitrag wurde zuletzt bearbeitet: 26.06.2008 13:10 von Lucki.)
Beitrag #9

Lucki Offline
Tech.Exp.2.Klasse
LVF-Team

Beiträge: 7.699
Registriert seit: Mar 2006

LV 2016-18 prof.
1995
DE

01108
Deutschland
Y-Achse Skalierung von Volt zur Ampere Umwandeln
' schrieb:Ihr habt recht meine Frage war nicht deutlich.

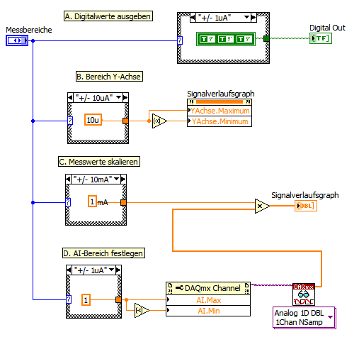
In Deiner Tabelle sind die Volt-Bereiche falsch, sie sind zu vertauschen: 1V--> 10V und 10V-->1. Außerdem ist der unter der Tabelle stehende eingerahmte Text widersprüchlich, denn der "Vollausschlag" ist doch bereichsabhängig lt. Tabelle.

Das hier unten ist kein funktionsfähiges VI, sondern enthält 4 Fragmente, die in Deinem VI vorhanden sein müssten. Das sind:
a) digitaler Output wie bisher
b) Bereich Y-Achse Graph festlegen
c) Skalieren des AI-Ausgangssignal
d) Messbereich der Datenerfssung AI festlegen.

Es gibt da viele Möglichkeiten. Ich habe es hier nicht mit Formeln gemacht, sondern mit Cases, was am besten sich selbt dokumemtiert. Man kann auch alle Cases zu einem einzigen Case machen.

Für Fortgeschrittene gibt es auch die Möglichkeit, daß aus dem DAQmx Read gleich die richtig skalierten Werte inklusive richtiger physikalischer Einheiten herauskommen.

   
Lv85_img
Sonstige .vi  Strom_messbereiche_1_.vi (Größe: 24,25 KB / Downloads: 315)
Alle Beiträge dieses Benutzers finden
Diese Nachricht in einer Antwort zitieren to top
30
Antwort schreiben 


Nachrichten in diesem Thema
Y-Achse Skalierung von Volt zur Ampere Umwandeln - Lucki - 26.06.2008 13:03

Möglicherweise verwandte Themen...
Themen Verfasser Antworten Views Letzter Beitrag
  Digitaler Ausgang liefert 3,5 Volt Gesetzt 1 3.878 27.02.2017 13:06
Letzter Beitrag: jg
  Skalierung der x-Achse zuzy 6 6.443 15.10.2007 11:01
Letzter Beitrag: zuzy
  Ausgang 0-10 Volt steuern pelikanruban 24 27.968 06.02.2007 18:08
Letzter Beitrag: pelikanruban

Gehe zu: