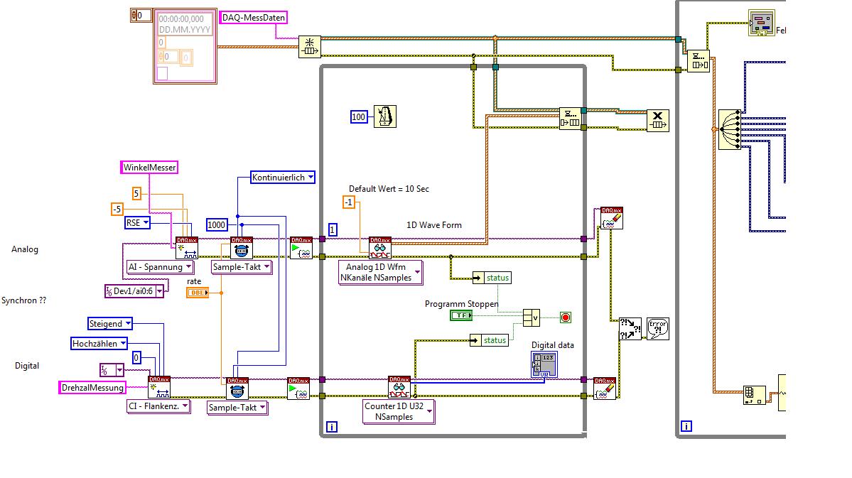
DAQ Datenerfassung Parameter |
Wenn dein Problem oder deine Frage geklärt worden ist, markiere den Beitrag als "Lösung",
indem du auf den "Lösung" Button rechts unter dem entsprechenden Beitrag klickst. Vielen Dank!
| 30
|
|
|
| Nachrichten in diesem Thema |
|
DAQ Datenerfassung Parameter - Prince Amir - 08.10.2009, 09:34
DAQ Datenerfassung Parameter - IchSelbst - 08.10.2009, 10:05
DAQ Datenerfassung Parameter - dimitri84 - 08.10.2009, 10:14
DAQ Datenerfassung Parameter - Prince Amir - 08.10.2009, 10:36
DAQ Datenerfassung Parameter - jg - 08.10.2009, 19:28
DAQ Datenerfassung Parameter - IchSelbst - 08.10.2009, 20:24
DAQ Datenerfassung Parameter - Prince Amir - 09.10.2009 07:50
DAQ Datenerfassung Parameter - IchSelbst - 09.10.2009, 10:08
DAQ Datenerfassung Parameter - Prince Amir - 09.10.2009, 10:35
DAQ Datenerfassung Parameter - IchSelbst - 09.10.2009, 11:23
DAQ Datenerfassung Parameter - IchSelbst - 10.10.2009, 10:11
|
| Möglicherweise verwandte Themen... | |||||
| Themen | Verfasser | Antworten | Views | Letzter Beitrag | |
| Datenerfassung cDAQ + NI9203 keine synchrone Datenerfassung | dieseldunst | 5 | 7.896 |
24.06.2016 14:49 Letzter Beitrag: jg |
|
| Timing Parameter im MAX UND im VI angeben | dimitri84 | 2 | 4.254 |
19.03.2010 08:49 Letzter Beitrag: dimitri84 |
|






