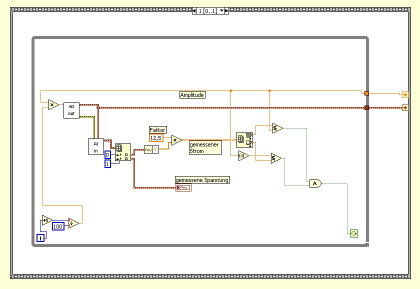
gewünscht Stromamplitude durch Ausgangsspannung einstellen |
Wenn dein Problem oder deine Frage geklärt worden ist, markiere den Beitrag als "Lösung",
indem du auf den "Lösung" Button rechts unter dem entsprechenden Beitrag klickst. Vielen Dank!
| 30
|
|
|
| Nachrichten in diesem Thema |
|
gewünscht Stromamplitude durch Ausgangsspannung einstellen - sudie - 30.11.2009 13:50
gewünscht Stromamplitude durch Ausgangsspannung einstellen - BsaiboT - 30.11.2009, 17:00
gewünscht Stromamplitude durch Ausgangsspannung einstellen - sudie - 01.12.2009, 20:45
gewünscht Stromamplitude durch Ausgangsspannung einstellen - Lucki - 02.12.2009, 09:45
gewünscht Stromamplitude durch Ausgangsspannung einstellen - sudie - 09.12.2009, 20:55
|
| Möglicherweise verwandte Themen... | |||||
| Themen | Verfasser | Antworten | Views | Letzter Beitrag | |
| Daten in Exel ausgeben........nicht wie gewünscht | Guest | 1 | 3.738 |
31.07.2008 07:05 Letzter Beitrag: Y-P |
|





