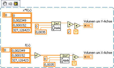
Volumenberechnung von rotierendem Polynom |
Wenn dein Problem oder deine Frage geklärt worden ist, markiere den Beitrag als "Lösung",
indem du auf den "Lösung" Button rechts unter dem entsprechenden Beitrag klickst. Vielen Dank!
| 30
|
|
|
| Möglicherweise verwandte Themen... | |||||
| Themen | Verfasser | Antworten | Views | Letzter Beitrag | |
| Polynom durch Stützstellen legen | DrHoas | 1 | 4.808 |
26.03.2012 10:34 Letzter Beitrag: jg |
|
| Gleichung (Polynom) lösen | ColdducK | 5 | 8.629 |
25.11.2011 16:49 Letzter Beitrag: Lucki |
|
| Polynom 2ten Grades aus Vektoren | Theo-Technic | 6 | 7.575 |
14.06.2011 12:47 Letzter Beitrag: Lucki |
|
| Wertetabelle aus Polynom 4. Ord. | dimitri84 | 2 | 5.524 |
25.01.2010 08:43 Letzter Beitrag: dimitri84 |
|
| Polynom berechnen | Holzkopf | 15 | 20.262 |
28.08.2008 13:32 Letzter Beitrag: Lucki |
|






