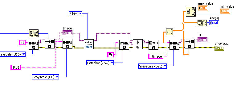
wie bekommt man das Bild vom VisionAssistant FFT? |
Wenn dein Problem oder deine Frage geklärt worden ist, markiere den Beitrag als "Lösung",
indem du auf den "Lösung" Button rechts unter dem entsprechenden Beitrag klickst. Vielen Dank!
| 30
|
|
|
| Nachrichten in diesem Thema |
|
wie bekommt man das Bild vom VisionAssistant FFT? - gottfried - 19.04.2010 13:48
|
| Möglicherweise verwandte Themen... | |||||
| Themen | Verfasser | Antworten | Views | Letzter Beitrag | |
| LV 2010 kommt mit dem VisionAssistant 2009 | gottfried | 1 | 3.990 |
11.10.2010 08:42 Letzter Beitrag: Y-P |
|
| 32 Bit Bild in 8 bit Bild umwandeln | Yvonne | 3 | 13.252 |
21.02.2010 16:38 Letzter Beitrag: jg |
|







