INFO: Dieses Forum nutzt Cookies...
Cookies sind für den Betrieb des Forums unverzichtbar. Mit der Nutzung des Forums erklärst Du dich damit einverstanden, dass wir Cookies verwenden.

Es wird in jedem Fall ein Cookie gesetzt um diesen Hinweis nicht mehr zu erhalten. Desweiteren setzen wir Google Adsense und Google Analytics ein.


Antwort schreiben 

Zählen mit Labview



Wenn dein Problem oder deine Frage geklärt worden ist, markiere den Beitrag als "Lösung",
indem du auf den "Lösung" Button rechts unter dem entsprechenden Beitrag klickst. Vielen Dank!

27.03.2011, 17:37
Beitrag #11

GerdW Offline
______________
LVF-Team

Beiträge: 17.529
Registriert seit: May 2009

LV2019 (LV2021)
1995
DE_EN

10×××
Deutschland
RE: Zählen mit Labview
Hallo Manfred,

mal so eine Idee:
   
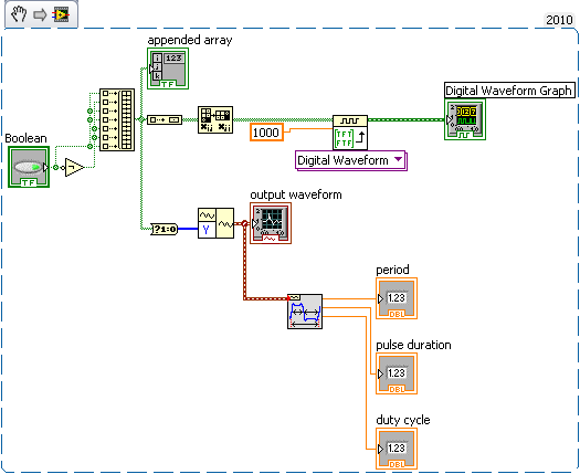
Unten weiter: Erzeugung einer analog-Waveform Smile

Alle Beiträge dieses Benutzers finden
Diese Nachricht in einer Antwort zitieren to top
Anzeige
29.03.2011, 10:23
Beitrag #12

Manfred Steiner Offline
LVF-Grünschnabel
*


Beiträge: 28
Registriert seit: Jan 2011

2010
-
kA


Deutschland
RE: Zählen mit Labview
Hallo

Danke für die Hilfe !

Ich habe jetzt mal dein snippet genommen und die Puls-Messung ergänzt.
Ich bekomme aber nicht die Zeit zwischen 2 Pulsen angezeigt sondern immer nur 0,33 oder 0,67 bei " duty Cycle und 1/2 bei "pulse duration".
Habe ich vieleicht das Falsche ausgewählt , ich brauche nur die Zeit zwischen 2 Pulsen.

Danke für eure Hilfe und eine schöne Woche


Angehängte Datei(en) Thumbnail(s)
   
Alle Beiträge dieses Benutzers finden
Diese Nachricht in einer Antwort zitieren to top
29.03.2011, 10:31 (Dieser Beitrag wurde zuletzt bearbeitet: 29.03.2011 10:33 von GerdW.)
Beitrag #13

GerdW Offline
______________
LVF-Team

Beiträge: 17.529
Registriert seit: May 2009

LV2019 (LV2021)
1995
DE_EN

10×××
Deutschland
RE: Zählen mit Labview
Hallo Manfred,

was soll den bitte herauskommen, wenn du gerade mal 7 Bits anbietest?
Das VI erkennt korrekt einen Impuls mit 1 oder 2 Bit Länge und ermittelt eine Periode von 3, was wiederum ein Tastverhältnis von 1/3 oder 2/3 ergibt...

Probier doch mal echte periodische Signale mit wesentlich mehr Bits aus!

Zitat:ich brauche nur die Zeit zwischen 2 Pulsen.
Bekommst du doch schon: "Period" ist die Periodenlänge = Zeit zwischen 2 Impulsen! Wenn du beim BuildWaveform noch ein (korrektes) dt vorgibst, bekommst du hier auch gleich eine (vernünftige) Zeitangabe geliefert...

Alle Beiträge dieses Benutzers finden
Diese Nachricht in einer Antwort zitieren to top
29.03.2011, 11:25
Beitrag #14

Manfred Steiner Offline
LVF-Grünschnabel
*


Beiträge: 28
Registriert seit: Jan 2011

2010
-
kA


Deutschland
RE: Zählen mit Labview
Zitat:Bekommst du doch schon: "Period" ist die Periodenlänge = Zeit zwischen 2 Impulsen! Wenn du beim BuildWaveform noch ein (korrektes) dt vorgibst, bekommst du hier auch gleich eine (vernünftige) Zeitangabe geliefert...


Und wie mache ich das ?
Was ist den ein korrektes dt ?
Alle Beiträge dieses Benutzers finden
Diese Nachricht in einer Antwort zitieren to top
29.03.2011, 12:09
Beitrag #15

GerdW Offline
______________
LVF-Team

Beiträge: 17.529
Registriert seit: May 2009

LV2019 (LV2021)
1995
DE_EN

10×××
Deutschland
RE: Zählen mit Labview
Hallo Manfred,

Zitat:Und wie mache ich das ?
Einfach mal die Hilfe zum BuildWaveform lesen:
   

Zitat:Was ist den ein korrektes dt ?
Ein korrektes dt ist genau das Intervall zwischen deinen Messpunkten. Der Defaultwert ist halt 1 - dehalb bekommst du bisher eine Periodendauer von 3 geliefert!

Alle Beiträge dieses Benutzers finden
Diese Nachricht in einer Antwort zitieren to top
29.03.2011, 14:10
Beitrag #16

Manfred Steiner Offline
LVF-Grünschnabel
*


Beiträge: 28
Registriert seit: Jan 2011

2010
-
kA


Deutschland
RE: Zählen mit Labview
Hallo

Also ich es jetzt mal geändert !
Habe das "db" nicht gesehen musste erst das Item per drag ein wenig vergrößern bis ich dann die Funtion auswählen konnte.

Aber egal welchen Wert ich für "db "einsetze ich bekomme immer Angaben die direkt von diesem Wert abhängen.
Ich will aber die Zeit zwischen zwei Impulsen messen die immer unterschiedlich ist , nur so kann ich auf die Drehzahl schließen.

Ich verstehe das ganze nicht wirklich , geht das den überhaubt mit dieser Methode ?
Bis jetzt vermisse ich das Coden einwenig ^^
Ich werde mich weiterhin durchboxen so schnell gebe ich nicht auf
Alle Beiträge dieses Benutzers finden
Diese Nachricht in einer Antwort zitieren to top
Anzeige
01.04.2011, 18:04
Beitrag #17

Manfred Steiner Offline
LVF-Grünschnabel
*


Beiträge: 28
Registriert seit: Jan 2011

2010
-
kA


Deutschland
RE: Zählen mit Labview
Hallo

Ich komme leider nicht weiter.
Gibt es den noch eine andere Methode oder hat jemand ein paar helfende Worte

lg
Alle Beiträge dieses Benutzers finden
Diese Nachricht in einer Antwort zitieren to top
01.04.2011, 19:31
Beitrag #18

GerdW Offline
______________
LVF-Team

Beiträge: 17.529
Registriert seit: May 2009

LV2019 (LV2021)
1995
DE_EN

10×××
Deutschland
RE: Zählen mit Labview
Hallo Manfred,

Zitat:egal welchen Wert ich für "db "einsetze ich bekomme immer Angaben die direkt von diesem Wert abhängen.
Ist ja auch Sinn der Sache:
dt ist das Intervall zwischen zwei Messwerten (=Werte im Y-Array). Du suchst eine Periodenlänge und bekommst dies natürlich in Abhängigkeit von deinem dt: wenn eine Periode genau 3 Messwerte lang ist, dann ist die Periodendauer = 3*dt!

Zitat:Ich komme leider nicht weiter.
Das tut mir leid, aber:
Zitat:Probier doch mal echte periodische Signale mit wesentlich mehr Bits aus!

Alle Beiträge dieses Benutzers finden
Diese Nachricht in einer Antwort zitieren to top
01.04.2011, 20:11
Beitrag #19

Manfred Steiner Offline
LVF-Grünschnabel
*


Beiträge: 28
Registriert seit: Jan 2011

2010
-
kA


Deutschland
RE: Zählen mit Labview
Hallo
Zitat:Probier doch mal echte periodische Signale mit wesentlich mehr Bits aus!
Was genau meinst du damit bzw wie mache ich das ?

Zitat:echte periodische Signale

Das Signal stammt bereits von den Sensoren !

Zitat:wesentlich mehr Bits aus!

wie genau kann ich das machen ?
Alle Beiträge dieses Benutzers finden
Diese Nachricht in einer Antwort zitieren to top
01.04.2011, 20:26
Beitrag #20

GerdW Offline
______________
LVF-Team

Beiträge: 17.529
Registriert seit: May 2009

LV2019 (LV2021)
1995
DE_EN

10×××
Deutschland
RE: Zählen mit Labview
Hallo Manfred,

Zitat:Das Signal stammt bereits von den Sensoren !
In deinem Beispiel hattest du (mittels einer Konstante!) genau 7 Bits zu einem Array zusammengefügt. Und du willst aus diesen 7 Bits (=Messwerten???) eine Periodendauer und den DutyCycle bestimmen? Was für ein Ergebnis erwartest du da? Wie willst du bei nur 7 Bit eine Periode erkennen?

Zitat:wie genau kann ich das machen ?
Mehr Messwerte, mehr Bits...

So, und jetzt bitte ein Bit Beer (oder doch besser das hier Smile )

Schönes Wochenende!

Alle Beiträge dieses Benutzers finden
Diese Nachricht in einer Antwort zitieren to top
30
Antwort schreiben 


Gehe zu: