INFO: Dieses Forum nutzt Cookies...
Cookies sind für den Betrieb des Forums unverzichtbar. Mit der Nutzung des Forums erklärst Du dich damit einverstanden, dass wir Cookies verwenden.

Es wird in jedem Fall ein Cookie gesetzt um diesen Hinweis nicht mehr zu erhalten. Desweiteren setzen wir Google Adsense und Google Analytics ein.


Antwort schreiben 

vi Projekt muss nach jeder Messung neu gestartet werden



Wenn dein Problem oder deine Frage geklärt worden ist, markiere den Beitrag als "Lösung",
indem du auf den "Lösung" Button rechts unter dem entsprechenden Beitrag klickst. Vielen Dank!

21.10.2011, 08:16
Beitrag #11

heinz123 Offline
LVF-Grünschnabel
*


Beiträge: 10
Registriert seit: Oct 2011

8.6
-
kA



Messung läuft nur einmal durch
Hallo zusammen,
habe folgendes Problem:
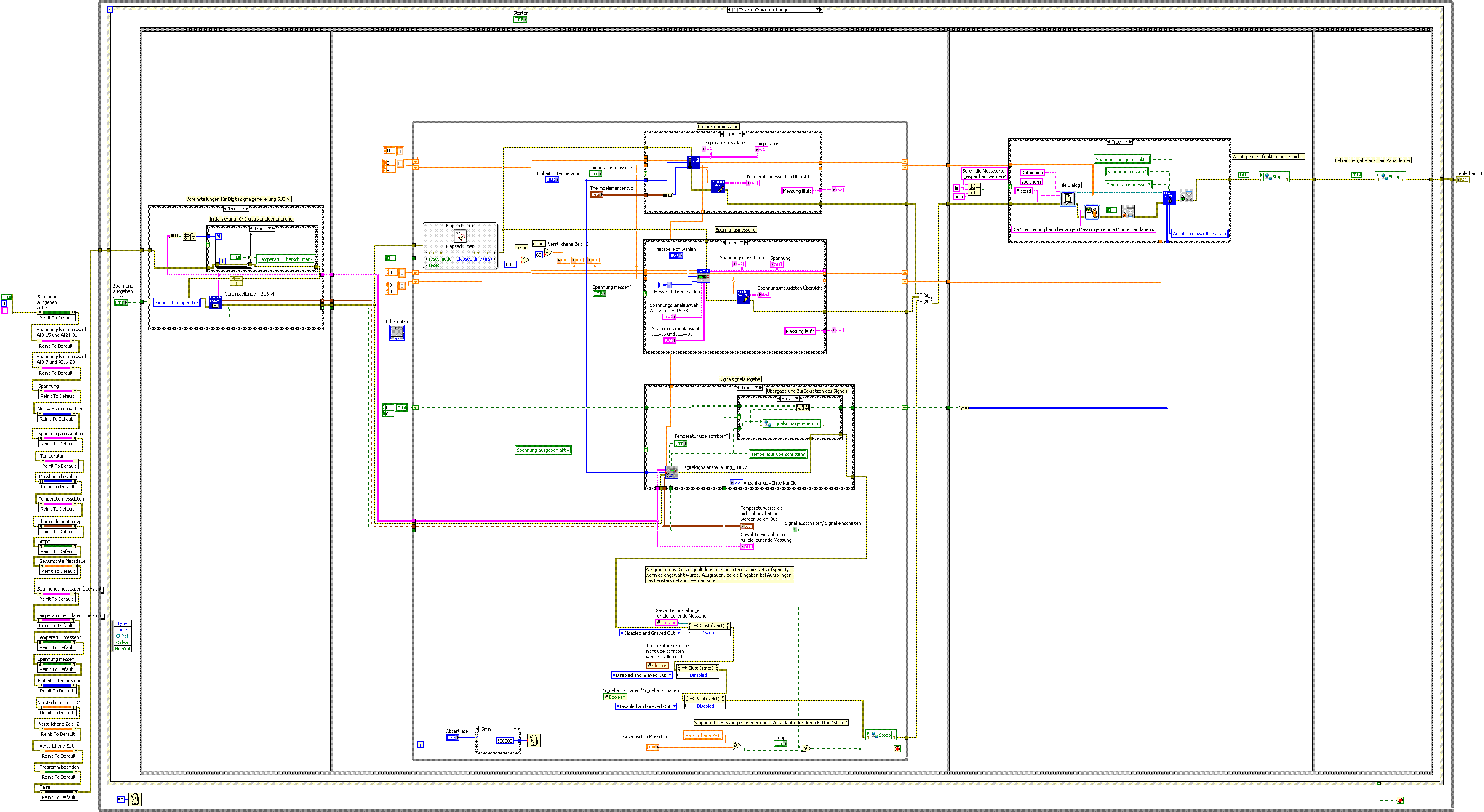
Mein Programm erfasst Temperaturmesswerte...bei der ersten Messung funktioniert alles tadellos.
Die Messungen danach zeigen jeweils nur noch einen Messwert an und immer den gleichen bei
darauffolgenden Messungen.
Schieberegister sind siehe Anhang eingebaut....müssen diese initialisiert sein/werden?
Und wenn ja wie geht das genau?
Wäre für Tipps und Lösungen dankbar

Gruß Heinz


Angehängte Datei(en) Thumbnail(s)
   
Alle Beiträge dieses Benutzers finden
Diese Nachricht in einer Antwort zitieren to top
Anzeige
21.10.2011, 08:25
Beitrag #12

jg Offline
CLA & CLED
LVF-Team

Beiträge: 15.864
Registriert seit: Jun 2005

20xx / 8.x
1999
EN

Franken...
Deutschland
RE: vi Projekt muss nach jeder Messung neu gestartet werden
Offtopic2
Rulez Bitte nicht 2 Threads für dieselbe Thematik aufmachen (Doppelposting).
Threads verschmolzen.

Gruß, Jens

Wer die erhabene Weisheit der Mathematik tadelt, nährt sich von Verwirrung. (Leonardo da Vinci)

!! BITTE !! stellt mir keine Fragen über PM, dafür ist das Forum da - andere haben vielleicht auch Interesse an der Antwort!

Einführende Links zu LabVIEW, s. GerdWs Signatur.
Alle Beiträge dieses Benutzers finden
Diese Nachricht in einer Antwort zitieren to top
21.10.2011, 08:32
Beitrag #13

GerdW Offline
______________
LVF-Team

Beiträge: 17.528
Registriert seit: May 2009

LV2019 (LV2021)
1995
DE_EN

10×××
Deutschland
RE: vi Projekt muss nach jeder Messung neu gestartet werden
Hallo Heinz,

was für ein riesiges BD - mit soviel unnötigem Code...
Tipps:
- ReInitToDefault zum Start des VIs ist mMn unnötig (wenn es als subVI aufgerufen wird)
- viele, wenn nicht alle der lokalen Variablen sind unnötig, etliche davon erzeugen RaceConditions (z.B. "Verstrichene Zeit")
- man muss Bedienelemente nicht in einer Schleife bei jeder Iteration neu disablen, einmal vor der Schleife reicht aus
- Events sollten immer schnell abgearbeitet werden, die Texte in deinem BD deuten auf anderes hin ("Das Speichern kann mehrere Minuten dauern")
- Datentypen sind manchmal nicht korrekt, sichtbar an roten Punkten an Anschlüssen

Alle Beiträge dieses Benutzers finden
Diese Nachricht in einer Antwort zitieren to top
21.10.2011, 09:24
Beitrag #14

heinz123 Offline
LVF-Grünschnabel
*


Beiträge: 10
Registriert seit: Oct 2011

8.6
-
kA



RE: vi Projekt muss nach jeder Messung neu gestartet werden
Hallo GerdW,

vielen Dank für deine Tipps leider hab ich dieses Programm nicht selber entworfen und davor auch noch nie etwas in labview programmiert...deshalb kann ich damit leider nicht viel anfangen. Aus diesem Grund möchte ich das Programm auch nicht verbessern (z.B. kürzere Speicherzeiten) sondern einfach dass sich mehrere Messungen nacheinander ausführen lassen.
Hast du mir dazu vielleicht einen Tip oder kannst mir die Initialisierung der Schieberegister erklären? Das hat bei mir leider nicht zum gewünschten Erfolg geführt

Beste Grüße Heinz
Alle Beiträge dieses Benutzers finden
Diese Nachricht in einer Antwort zitieren to top
21.10.2011, 09:29 (Dieser Beitrag wurde zuletzt bearbeitet: 21.10.2011 09:29 von GerdW.)
Beitrag #15

GerdW Offline
______________
LVF-Team

Beiträge: 17.528
Registriert seit: May 2009

LV2019 (LV2021)
1995
DE_EN

10×××
Deutschland
RE: vi Projekt muss nach jeder Messung neu gestartet werden
Hallo Heinz,

beseitige die RaceCondition bei "Verstrichene Zeit" und deine Messschleife sollte um einiges besser laufen...

(Hintergrund:
Die lokale Variable wird wohl eher abgefragt als das Terminal geschrieben und liefert so den Wert der vorausgegangenen Messung. Dies führt aber zum sofortigen Beenden der Messschleife nach dem ersten Durchlauf...)

Alle Beiträge dieses Benutzers finden
Diese Nachricht in einer Antwort zitieren to top
21.10.2011, 09:48
Beitrag #16

heinz123 Offline
LVF-Grünschnabel
*


Beiträge: 10
Registriert seit: Oct 2011

8.6
-
kA



RE: vi Projekt muss nach jeder Messung neu gestartet werden
@ GerdW,

jetzt weiß ich was du meinst =)
kann es aber leider nicht praktisch umsetzen.
Wärst du so nett und packst die Änderungen in ein Blockdiagramm und
lädst sie hoch?
Alle Beiträge dieses Benutzers finden
Diese Nachricht in einer Antwort zitieren to top
Anzeige
21.10.2011, 11:38 (Dieser Beitrag wurde zuletzt bearbeitet: 21.10.2011 11:41 von GerdW.)
Beitrag #17

GerdW Offline
______________
LVF-Team

Beiträge: 17.528
Registriert seit: May 2009

LV2019 (LV2021)
1995
DE_EN

10×××
Deutschland
RE: vi Projekt muss nach jeder Messung neu gestartet werden
Hallo Heinz,

lebst du in der irrigen Vorstellung, ich würde dein Bild komplett "abmalen", in ein VI umsetzen und dann den Fehler beheben?

Zitat:kann es aber leider nicht praktisch umsetzen.
Lokale Variable "Verstrichene Zeit" löschen, Draht ziehen zum Terminal "Verstrichene Zeit". Nicht wirklich schwer...

Alle Beiträge dieses Benutzers finden
Diese Nachricht in einer Antwort zitieren to top
21.10.2011, 13:04
Beitrag #18

heinz123 Offline
LVF-Grünschnabel
*


Beiträge: 10
Registriert seit: Oct 2011

8.6
-
kA



RE: vi Projekt muss nach jeder Messung neu gestartet werden
Mahlzeit,

nein natürlich nicht hab mich auch blös ausgedrückt sorry dafür....
Da ich mit den Begriffen lokale Varibale und Terminal nichts anfangen konnte bzw. nicht
wirklich wusste wo diese Schaltflächen sitzen hatte ich gedacht du könntest sie ja z.B.
in das Blockdiagramm einzeichnen/durchstreichen und nochmal posten.

Gruß
Alle Beiträge dieses Benutzers finden
Diese Nachricht in einer Antwort zitieren to top
21.10.2011, 13:12
Beitrag #19

GerdW Offline
______________
LVF-Team

Beiträge: 17.528
Registriert seit: May 2009

LV2019 (LV2021)
1995
DE_EN

10×××
Deutschland
RE: vi Projekt muss nach jeder Messung neu gestartet werden
Hallo Heinz,

Zitat:Da ich mit den Begriffen lokale Varibale und Terminal nichts anfangen konnte
Siehe Link in meiner Signatur.

Zitat:in das Blockdiagramm einzeichnen/durchstreichen
1) Da ist kein BD, nur ein Bild davon.
2) Da sind etliche Terminals ohne Label (oder Label ausgeblendet) - woher soll ich wissen, welches das richtige ist? Du dagegen müsstest nur per Rechtsklick nachschauen...

Alle Beiträge dieses Benutzers finden
Diese Nachricht in einer Antwort zitieren to top
21.10.2011, 13:52
Beitrag #20

heinz123 Offline
LVF-Grünschnabel
*


Beiträge: 10
Registriert seit: Oct 2011

8.6
-
kA



RE: vi Projekt muss nach jeder Messung neu gestartet werden
Ok hab die Variable für "verstrichene Zeit" aus dem Blockdiagramm gelöscht und das "größer gleich" Zeichen mit dem Terminal für die "verstrichene Zeit" verbunden...
Ergebnis: leider keinerlei Änderungen Sad
Trotzdem vielen Dank für deine Bemühungen!
Alle Beiträge dieses Benutzers finden
Diese Nachricht in einer Antwort zitieren to top
30
Antwort schreiben 


Möglicherweise verwandte Themen...
Themen Verfasser Antworten Views Letzter Beitrag
  Muss man Referenzen von controls überhaupt schließen? dimitri84 4 5.076 21.04.2022 11:57
Letzter Beitrag: dimitri84
  Zeitstempel hinter jeder messaufnahme bachatero18 5 3.865 17.02.2019 11:50
Letzter Beitrag: Lucki
  Neuentdeckung in der Palette, hat diese Funktion jeder? Lucki 1 3.312 25.04.2016 16:22
Letzter Beitrag: jg
  Projekt in anderes Projekt einbinden A.Limbach 4 7.459 19.09.2014 11:52
Letzter Beitrag: A.Limbach
  Projekt verbleibt nach Schließen im Speicher danielsan 1 3.049 14.05.2013 08:16
Letzter Beitrag: Y-P
  String Feld muss gefüllt sein. erzengelsamael 4 5.943 04.04.2013 14:34
Letzter Beitrag: GerdW

Gehe zu: