(07.08.2015 09:39 )GerdW schrieb: Hallo hansi,
Zitat:Ich vetsehe aber trotzdem nicht wie ich ohne das Ereignisscase die Daten quasi als Multiplex nach unten bekomme
Welches "Ereignis-Case"? Was ist das überhaupt?
In deinem Test-VI ist keine Ereignisstruktur, da läuft doch alles "automatisch"…
Ich meinte natürlich eine Ereigisstruktur.
Ich glaube jetzt schreiben wir aneinander vorbei und ich bin jetzt gänzlich verwirrt

Also nochmal langsam zum mitschreiben:
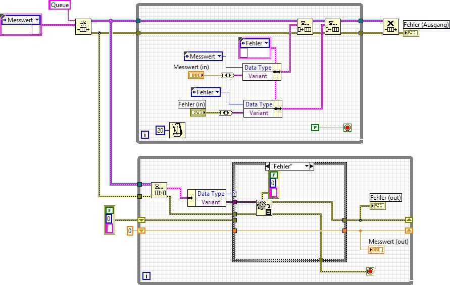
Ich habe dieses beiden (Links zu) Beispiele:
1.
Using Variants to Pass Multiple Data Types Through a Single Queue
2.
Using Multiple Data Types within a Queue
Auf das in 2. angehängte "Multiple Data Types Queue(Variant).vi" basiert das von mir Programmierte und in Beitrag #9 angehängte vi.
Nach den beiden Antworten von dir:
"das Beispiel, was du da rausgesucht hast, ist doch prima. Warum hast du es dann nicht exakt so, wie es präsentiert wurde, nachprogrammiert?"
und
"Die erste Variante ist also mit deiner quasi gleichwertig und dazu noch universeller/einfacher einsetzbar"
hatte ich erst mal mein vi verworfen und wollte auf Basis von 1. es nochmal versuchen und dort gibt es eine Ereignisstruktur. Hier werden alle Ereignisse die ich manuel am Frontpanel durchführe via Queue/Cluster/Variant.. in die zweite Schleife transportiert.
Ich habe jetzt nicht verstanden wie ich alle Daten ohne diese Struktur nach unten bekomme.